Cos'è ElectroYou | Login Iscriviti

ElectroYou - la comunità dei professionisti del mondo elettrico

Doppio bipolo

Circuiti, campi elettromagnetici e teoria delle linee di trasmissione e distribuzione dell’energia elettrica

Moderatori: Foto Utenteg.schgor, Foto UtenteIsidoroKZ

0
voti

[1] Doppio bipolo

Messaggioda Foto Utentepwm » 29 set 2014, 21:48

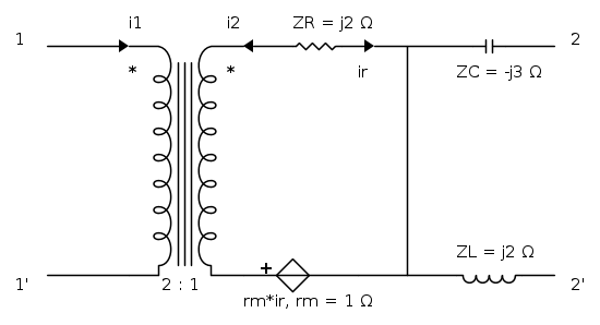
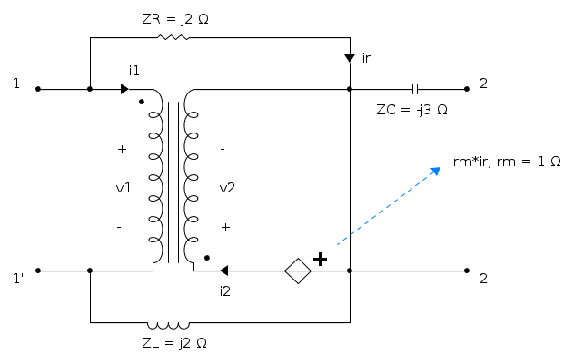
Salve a tutti, sono nuovo di questo forum. Innanzitutto complimenti per tutto il sito web, mi è già capitato di consultarlo con successo. Adesso vi sottopongo il seguente esercizio, nel dominio della frequenza:

doppio bipolo.PNG


Relativamente al trasformatore ideale, il rapporto spire primario/secondario è n = n_1 / n_2 = 1 / a = 1/ 2. Inoltre, date le reattanze X_C = -3 ohm, X_L = 2 ohm, si hanno rispettivamente le impedenze Z_C = -j3 ohm, Z_L = j2 ohm. Per calcolare Y_2_1, Y_1_1, ho posto a zero la tensione sulla porta 22' a zero, e così ho ottenuto Y_2_1 = -3/4 + j9/2 siemens e Y_1_1 = 0 siemens. Purtroppo non ho i risultati dell'esercizio, pertanto spero che potrete verificare se i due elementi della matrice che ho calcolato sono quelli giusti. Riguardo agli altri due elementi di tale matrice, cioè Y_2_2, Y_1_2, ho posto la tensione della porta 11' a zero. Da ciò segue che la tensione sul secondario è nulla. A questo punto ho deciso di applicare la KVL alla maglia in alto. In questo modo ho ottenuto l'equazione Z_R*I_R - r_m*I_R = 0 ovvero Z_R = r_m, che è assurdo. Perché accade ciò ?

Grazie in anticipo!
Ultima modifica di Foto Utentepwm il 29 set 2014, 22:20, modificato 3 volte in totale.
Avatar utente
Foto Utentepwm
31 4
New entry
New entry
 
Messaggi: 66
Iscritto il: 29 set 2014, 17:12

1
voti

[2] Re: Doppio bipolo

Messaggioda Foto Utentepwm » 29 set 2014, 22:57

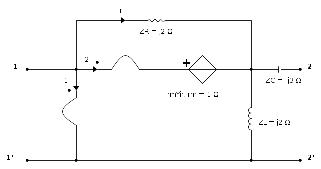
Comunque sia ecco qui quello che sono riuscito a disegnare:



dove, nel circuito aperto in basso, andrà inserito il generatore pilotato. Inoltre non so come inserire i pallini del trasformatore.
Avatar utente
Foto Utentepwm
31 4
New entry
New entry
 
Messaggi: 66
Iscritto il: 29 set 2014, 17:12

4
voti

[3] Re: Doppio bipolo

Messaggioda Foto UtenteDarwinNE » 30 set 2014, 0:03

Un po' di sforzo, dài... :cool:



Che poi io lo disegnerei così, i fili che si incrociano sono quasi sicuramente collegati:

Follow me on Mastodon: @davbucci@mastodon.sdf.org
Avatar utente
Foto UtenteDarwinNE
31,0k 7 11 13
G.Master EY
G.Master EY
 
Messaggi: 4420
Iscritto il: 18 apr 2010, 9:32
Località: Grenoble - France

0
voti

[4] Re: Doppio bipolo

Messaggioda Foto Utentepwm » 30 set 2014, 0:19

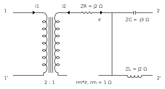
Grazie a tutti per l'aiuto. Quindi il circuito di partenza è equivalente al seguente ?



Se si, adesso sapreste rispondere alla mia domanda iniziale ?
Avatar utente
Foto Utentepwm
31 4
New entry
New entry
 
Messaggi: 66
Iscritto il: 29 set 2014, 17:12

3
voti

[5] Re: Doppio bipolo

Messaggioda Foto UtenteRenzoDF » 30 set 2014, 10:29

PWM ha scritto: Quindi il circuito di partenza è equivalente al seguente ?

Non vedo come potrebbe esserlo.

Scusa ma se Foto UtenteDarwinNE è stato così gentile da disegnartelo, perché non usi quello (editandolo) per riformulare le tue domande, analizzando separatamente le due diverse configurazioni del doppio bipolo che portano a ricavare i quattro parametri circuitali?
"Il circuito ha sempre ragione" (Luigi Malesani)
Avatar utente
Foto UtenteRenzoDF
55,9k 8 12 13
G.Master EY
G.Master EY
 
Messaggi: 13189
Iscritto il: 4 ott 2008, 9:55

0
voti

[6] Re: Doppio bipolo

Messaggioda Foto Utentepwm » 30 set 2014, 11:27

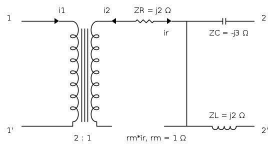
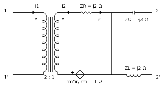
Riformulo le domande. Dato il seguente circuito:



dove nel trasformatore ideale, il rapporto spire primario/secondario è n = n_1 / n_2 = 1/ 2. Devo calcolare la matrice [Y] delle ammettenze. Per calcolare Y_2_1, Y_1_1, ho posto a zero la tensione sulla porta 22' a zero, e così ho ottenuto Y_2_1 = -3/4 + j9/2 e Y_1_1 = 0. Purtroppo non ho i risultati dell'esercizio, pertanto spero che potrete verificare se i due elementi della matrice che ho calcolato sono quelli giusti. Riguardo agli altri due elementi di tale matrice, cioè Y_2_2, Y_1_2, ho posto la tensione della porta 11' a zero. Da ciò segue che la tensione sul secondario è nulla. A questo punto ho deciso di applicare la KVL alla maglia in alto. In questo modo ho ottenuto l'equazione Z_R*I_R - r_m*I_R = 0 ovveroZ_R = r_m, che è assurdo. Perché accade ciò ? Inoltre, il circuito è equivalente al seguente ?



Altrimenti, quale sarebbe giusto ? Per ridisegnarlo mi sono orientato usando il verso delle correnti su ogni componente (che ho omesso nei disegni, visto che per alcuni componenti tale verso arbitrario). In particolare, i versi che ho dato alle correnti e alle tensioni nel trasformatore ideale dell'ultimo circuito, porgono la stessa relazione costitutiva del trasformatore ideale del circuito originale ?

Grazie
Avatar utente
Foto Utentepwm
31 4
New entry
New entry
 
Messaggi: 66
Iscritto il: 29 set 2014, 17:12

8
voti

[7] Re: Doppio bipolo

Messaggioda Foto UtenteRenzoDF » 30 set 2014, 11:54

PWM ha scritto:... dove nel trasformatore ideale, il rapporto spire primario/secondario è n = n_1 / n_2 = 1/ 2.

Allora, tanto per cominciare, se non erro, il rapporto spire nel testo è pari a 2, non ad 1/2 ... e per seguire, se andiamo ad annullare la tensione alla porta destra sarà conveniente farlo vedere anche nello schema.

Io, per esempio, lo disegnerei nel seguente modo


dove applico alla prima porta un GIT forzante che per convenienza numerica di calcolo scelgo da 2 volt.

Ne segue che la tensione al secondario del trasformatore sarà pari ad 1 volt ed indicando con x (=iR) la corrente in R potrò scrivere la seguente KVL alla maglia secondaria

{{v}_{2}}-Rx+{{r}_{m}}x=0

e quindi numericamente

1-2x+1x=0\quad \to \quad x=1\,A

Ora, visto che il potenziale del punto A si trova a +2 volt, B si troverà a zero volt (vista la cdt su R) e quindi sia la corrente nell'induttore, sia quella nel condensatore, sia la ib in ingresso alla seconda porta, sia la corrente circolante nel conduttore che collega i punti A e C, saranno nulle.

Ne segue che

\left\{ \begin{align}
  & {{i}_{2}}=-x=-1 \\ 
 & {{i}_{a}}={{i}_{1}}=-\frac{{{i}_{2}}}{2}=\frac{1}{2} \\ 
\end{align} \right.

fin qui concordi?

Mi scuserai se non commento il tuo metodo, ma proprio non ho il tempo per farlo. ... non vedo comunque ancora corrispondenza del tuo secondo schema con il doppio bipolo iniziale ... e occhio all'impedenza resistiva.
"Il circuito ha sempre ragione" (Luigi Malesani)
Avatar utente
Foto UtenteRenzoDF
55,9k 8 12 13
G.Master EY
G.Master EY
 
Messaggi: 13189
Iscritto il: 4 ott 2008, 9:55

0
voti

[8] Re: Doppio bipolo

Messaggioda Foto Utentepwm » 30 set 2014, 13:10

Ora, visto che il potenziale del punto A si trova a +2 volt, B si troverà a zero volt (vista la cdt su R) e quindi sia la corrente nell'induttore, sia quella nel condensatore, sia la ib in ingresso alla seconda porta, sia la corrente circolante nel conduttore che collega i punti A e C, saranno nulle.

Non capisco l'implicazione che il nodo B ha tensione nulla. Per il resto, credo di aver sbagliato il calcolo della tua i_a, che a me viene zero. Io vorrei sapere un'altra cosa: se in un trasformatore ideale, trovo che la tensione ad un porta è zero, posso sostituire l'altra porta (la cui tensione sarà anche zero), con un cortocircuito ?

Per il resto, il metodo che uso io di solito, consiste nel scrivere le equazioni LKC ai nodi ed LKV alle maglie. Ad essere sincero di solito non ridisegno mai i circuiti, e anche qui non ne ho visto il bisogno, col mio metodo. Questa volta però, con la LKV, mi sono trovato davanti quell'assurdo di cui ho scritto sopra. E da qui mi è venuto il dubbio che ho esposto poc'anzi:
se in un trasformatore ideale, trovo che la tensione ad un porta è zero, posso sostituire l'altra porta (la cui tensione sarà anche zero), con un cortocircuito ?

cercando di capire se è questa la causa dell'assurdo.
Avatar utente
Foto Utentepwm
31 4
New entry
New entry
 
Messaggi: 66
Iscritto il: 29 set 2014, 17:12

9
voti

[9] Re: Doppio bipolo

Messaggioda Foto UtenteRenzoDF » 30 set 2014, 18:56

PWM ha scritto:... Non capisco l'implicazione che il nodo B ha tensione nulla.

Se il punto A si trova a un potenziale VA pari a +2 volt rispetto al riferimento e se x=1 ampere, penso basti ricordare la legge di Ohm per capire che, essendo la differenza di potenziale su R pari a 2 X 1=2 volt, il potenziale VB del morsetto inferiore di R va a trovarsi due volt "sotto" quello di A e quindi VB=VA-2=2-2=0.

PWM ha scritto:... vorrei sapere un'altra cosa: se in un trasformatore ideale, trovo che la tensione ad un porta è zero, posso sostituire l'altra porta (la cui tensione sarà anche zero), con un cortocircuito ?

Direi proprio di no, dall' equazione costitutiva del doppio bipolo relativa alle correnti, la corrente entrante in una porta è vincolata a stare in una proporzione ben determinata con quella entrante alla seconda porta e quindi detta porta non si comporterà di certo come un cortocircuito.

PWM ha scritto:... Per il resto, il metodo che uso io di solito, consiste nel scrivere le equazioni LKC ai nodi ed LKV alle maglie. Ad essere sincero di solito non ridisegno mai i circuiti, e anche qui non ne ho visto il bisogno, col mio metodo. .

Penso che tutti usino i principi di Kirchhoff per risolvere una rete, forse non te ne sei accorto, ma li ho usati anch'io per la risposta ... ad ogni modo, ognuno ha i suoi metodi e io di certo non voglio farti cambiare i tuoi.
"Il circuito ha sempre ragione" (Luigi Malesani)
Avatar utente
Foto UtenteRenzoDF
55,9k 8 12 13
G.Master EY
G.Master EY
 
Messaggi: 13189
Iscritto il: 4 ott 2008, 9:55

0
voti

[10] Re: Doppio bipolo

Messaggioda Foto Utentepwm » 30 set 2014, 23:25

Ti ringrazio, ora è chiaro :ok:
Avatar utente
Foto Utentepwm
31 4
New entry
New entry
 
Messaggi: 66
Iscritto il: 29 set 2014, 17:12

Prossimo

Torna a Elettrotecnica generale

Chi c’è in linea

Visitano il forum: Nessuno e 19 ospiti