Cos'è ElectroYou | Login Iscriviti

ElectroYou - la comunità dei professionisti del mondo elettrico

Modulo per controllo tensione/corrente alimentatore

Progettazione collaborativa: dall'idea alla formazione del gruppo di lavoro per la realizzazione di un prodotto finito.

Moderatore: Foto Utentebrabus

0
voti

[1] Modulo per controllo tensione/corrente alimentatore

Messaggioda Foto UtenteFedericoSibona » 11 ott 2014, 13:15

Avrei idea di realizzare un modulo di controllo per alimentatori sulla falsariga di quanto ha fatto (se ricordo bene) Foto Utentebrabus con il suo alimentatore modulare.
Lo vorrei realizzare con il MC1466 seguendo lo schema generale da datasheet.
Sono conscio che è un integrato difficile da reperire, ma la cosa a livello concettuale potrebbe interessare anche altri che potrebbero utilizzare integrati diversi.
L'idea sarebbe quella di ottenere alimentatori eroganti tensioni/correnti diverse applicando tale modulo di controllo e variando solo la sezione di potenza.
Per renderlo completamente indipendente il modulo dovrebbe anche comprendere il trasformatorino 18V per l'alimentazione. Avrei adocchiato il TEZ2/D/18V sul sito TME o uno simile. È un po' esuberante, ma vedo che quelli di potenza inferiore non hanno dimensioni significativamente inferiori.
I collegamenti verso l'esterno del modulo sarebbero:
- alla base dl BJT o darlington di potenza
- al resistore di sense della corrente
- alla tensione di riferimento
- ai due potenziometri
- alla rete
Ora chiederei a Foto Utentemarco438, mago della millefori, di darmi una mano a sbrogliare il circuito, ma senza fretta perché ho il laboratorio a soqquadro causa trasloco ;-)

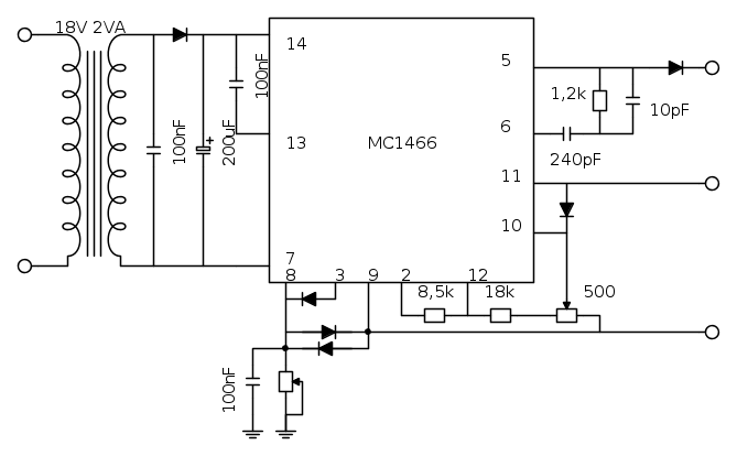
PS: lo schema di alimentatore generico con MC1466 su datasheet è questo:
Schema-2.jpg

A presto schema in Fidocad del solo modulo.
Avatar utente
Foto UtenteFedericoSibona
5.022 3 5 8
Master
Master
 
Messaggi: 3951
Iscritto il: 19 mar 2013, 11:43

0
voti

[2] Re: Modulo per controllo tensione/corrente alimentatore

Messaggioda Foto UtenteFedericoSibona » 15 ott 2014, 8:38

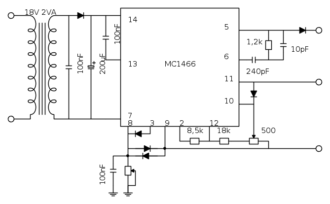
Lo schema del modulo, salvo errori od omissioni, dovrebbe essere questo:
Avatar utente
Foto UtenteFedericoSibona
5.022 3 5 8
Master
Master
 
Messaggi: 3951
Iscritto il: 19 mar 2013, 11:43

0
voti

[3] Re: Modulo per controllo tensione/corrente alimentatore

Messaggioda Foto Utenteedgar » 15 ott 2014, 9:25

FedericoSibona ha scritto:Lo schema del modulo, salvo errori od omissioni, dovrebbe essere questo:

I due potenziometri non dovrebbero essere esterni?
Suggerirei anche di usare un ponte intero, magari a diodi discreti, per l'alimentazione. Nel caso si voglia usare la singola semionda basta non montare 3 diodi e fare i cavallotti opportuni
Avatar utente
Foto Utenteedgar
10,0k 4 5 8
Master
Master
 
Messaggi: 5229
Iscritto il: 15 set 2012, 22:59

0
voti

[4] Re: Modulo per controllo tensione/corrente alimentatore

Messaggioda Foto UtenteFedericoSibona » 15 ott 2014, 9:55

Sì, i potenziometri saranno esterni, quindi, sulla scheda, servirà un connettore a tre terminali per il potenziometro della corrente ed uno a due per quello della tensione.

Beh, una volta montato un ponte, non vedo perché complicarsi la vita per usare la singola semionda.
Sentiamo altri pareri sull'uso del ponte, a me in effetti l'idea non dispiace.

Quel trasformatore potrebbe anche essere utile per alimentare degli strumentini digitali, assorbono pochi milliampere e tanti di quelli cinesi ammettono tensione di alimentazione da 5V a 30V (o anche da 4,5V a 35V).
Avatar utente
Foto UtenteFedericoSibona
5.022 3 5 8
Master
Master
 
Messaggi: 3951
Iscritto il: 19 mar 2013, 11:43

0
voti

[5] Re: Modulo per controllo tensione/corrente alimentatore

Messaggioda Foto Utenteedgar » 15 ott 2014, 12:16

FedericoSibona ha scritto:Quel trasformatore potrebbe anche essere utile per alimentare degli strumentini digitali

C'è il problema delle masse.
Dallo schema interno direi che si potrebbero forse prelevare i 18V stabilizzati tra il pin 9 ed il pin 12 per alimentare uno strumentino per misurare la corrente.
Dato che non vedo specifiche di corrente massima erogabile dallo stabilizzatore interno starei su uno strumento LCD.
In questo caso il negativo di alimentazione e di misura dello strumento sarebbe il pin 9 del MC1466, il positivo di alimentazione il pin 12 ed il positivo di misura sarebbe il pin 11.
Per la misura di tensione ci vorrebbe un secondario separato però
Avatar utente
Foto Utenteedgar
10,0k 4 5 8
Master
Master
 
Messaggi: 5229
Iscritto il: 15 set 2012, 22:59

0
voti

[6] Re: Modulo per controllo tensione/corrente alimentatore

Messaggioda Foto UtenteFedericoSibona » 15 ott 2014, 13:43

Sto parlando di un qualcosa di questo genere http://www.ebay.com/itm/DC-0-30V-10A-Vo ... 3cd75a8c90 e di usare solo il trasformatore mettendo sul secondario un ponte/condensatore di livellamento diversi da quelli di alimentazione del modulo.
Avatar utente
Foto UtenteFedericoSibona
5.022 3 5 8
Master
Master
 
Messaggi: 3951
Iscritto il: 19 mar 2013, 11:43

0
voti

[7] Re: Modulo per controllo tensione/corrente alimentatore

Messaggioda Foto Utenteedgar » 15 ott 2014, 16:35

FedericoSibona ha scritto: e di usare solo il trasformatore mettendo sul secondario un ponte/condensatore di livellamento diversi da quelli di alimentazione del modulo.

Se colleghi altro al trasformatore, anche attraverso un ulteriore ponte, non hai comunque un isolamento galvanico.
Dallo schema interno dell'IC si deduce che il pin 7 è a -7.25V rispetto al positivo di uscita.
L'alimentazione ed il negativo di misura dello strumento linkato deve essere riferito al negativo della parte di potenza: se usi il secondario del trasformatore per l'IC potrebbe benissimo essere che "tiri giù" il riferimento ed il tutto non funzioni come dovrebbe, o peggio che possa scorrere una corrente eccessiva nell'IC.
Dato il consumo limitato potrebbe essere più semplice alimentare il modulino con la tensione della sezione di potenza prima della regolazione, il potenziale di massa sarebbe lo stesso.
C'è poi da considerare la caduta sullo shunt interno al modulino, che sarebbe meglio far rientrare nel loop di retroazione per non peggiorare le caratteristiche di regolazione.
Avatar utente
Foto Utenteedgar
10,0k 4 5 8
Master
Master
 
Messaggi: 5229
Iscritto il: 15 set 2012, 22:59

0
voti

[8] Re: Modulo per controllo tensione/corrente alimentatore

Messaggioda Foto UtenteFedericoSibona » 15 ott 2014, 17:56

Foto Utenteedgar, ti ringrazio, ma quella di alimentare gli strumenti digitali era un'idea del momento buttata lì, in questa fase non penso sia il caso di approfondire troppo ;-)
Non mancherà occasione più avanti, quando parleremo (se va tutto a buon fine) di realizzazione delle possibili sezioni di potenza con applicazioni pratiche del modulo ad alimentatori completi.


Il vantaggio di questo modulo è, oltre alla semplicità di circuitazione esterna all'integrato, che può pilotare sezioni di potenza con tensioni da 0 a 300V (ed anche di più) e correnti da 0 a 50A (ma anche di più) dipende solo dalla sezione di potenza (trasformatore, ponte, pass transistor), il modulo resta quello.
Lo svantaggio, come già detto, è la scarsa reperibilità dell'integrato essendo fuori produzione da anni.
Avatar utente
Foto UtenteFedericoSibona
5.022 3 5 8
Master
Master
 
Messaggi: 3951
Iscritto il: 19 mar 2013, 11:43

0
voti

[9] Re: Modulo per controllo tensione/corrente alimentatore

Messaggioda Foto Utentemarco438 » 16 ott 2014, 10:50

Ok Federico, comincio a buttare gia' qualcosa (sia layout che millefori) poi decideremo come andare avanti.
I risultati alla prossima puntata. :mrgreen:
marco
Avatar utente
Foto Utentemarco438
37,1k 7 11 13
-EY Legend-
-EY Legend-
 
Messaggi: 16323
Iscritto il: 24 mar 2010, 15:09
Località: Versilia

0
voti

[10] Re: Modulo per controllo tensione/corrente alimentatore

Messaggioda Foto UtenteFedericoSibona » 16 ott 2014, 11:17

Se qualcuno ha la mano su circuiti miniaturizzati, qui c'è un sostituto del MC1466 con componenti discreti
http://tubetime.us/?p=237
Avatar utente
Foto UtenteFedericoSibona
5.022 3 5 8
Master
Master
 
Messaggi: 3951
Iscritto il: 19 mar 2013, 11:43

Prossimo

Torna a Crowd Design

Chi c’è in linea

Visitano il forum: Nessuno e 1 ospite