In rete ho trovato diversi articoli che trattano l'argomento del titolo, cioé misurare il valore di un condensatore tramite un oscilloscopio, sfruttando la carica/scarica in un RC.
Come le leggi matematico/fisiche insegnano, il tempo (tau) da considerare, dato dal prodotto R x C, deve essere quello che intercorre tra l'inizio del fronte di salita della carica del condensatore e il raggiungimento della tensione ai capi dello stesso pari al 63.2% del valore di tensione asintotico.
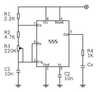
Mi son costruito un generatore di onda quadra con un NE555 e, al pin 3, gli ho collegato l'RC.
Cx sarebbe la capacità da esaminare e il seguente è lo screenshot dell'oscilloscopio dove il valore di Cx è di 47nF.
La formula per calcolare la costante di tempo è

quindi

Come contro prova metto il condensatore nel capacimetro cinese e leggo 48.4nF.
Ora, il condensatore ha una tolleranza del ±20% quindi il suo valore può rientrare nel range 37.6 ÷ 56.4 nF ed entrambe le misure ci rientrano. A questo punto la mia domanda è: il capacimetro è così cinese da non riportarmi una lettura abbastanza fedele a quella determinata con l'oscilloscopio, ho sbagliato qualche passaggio nella mia analisi o la misura fatta è falsata a causa di un'onda quadra spuria?
Grazie mille a chi avrà la pazienza e la voglia di illuminarmi


Elettrotecnica e non solo (admin)
Un gatto tra gli elettroni (IsidoroKZ)
Esperienza e simulazioni (g.schgor)
Moleskine di un idraulico (RenzoDF)
Il Blog di ElectroYou (webmaster)
Idee microcontrollate (TardoFreak)
PICcoli grandi PICMicro (Paolino)
Il blog elettrico di carloc (carloc)
DirtEYblooog (dirtydeeds)
Di tutto... un po' (jordan20)
AK47 (lillo)
Esperienze elettroniche (marco438)
Telecomunicazioni musicali (clavicordo)
Automazione ed Elettronica (gustavo)
Direttive per la sicurezza (ErnestoCappelletti)
EYnfo dall'Alaska (mir)
Apriamo il quadro! (attilio)
H7-25 (asdf)
Passione Elettrica (massimob)
Elettroni a spasso (guidob)
Bloguerra (guerra)






Giustamente, dato che sto operando ad una frequenza di 1KHz, il condensatore si comporta come un RLC e introduce una certa resistenza che si va ad aggiungere a quella del circuito aumentando la Req. Dato che C è inversamente proporzionale a R otterrei un valore di C ancora più basso che si avvicinerebbe ancora di più al valore misurato dal capacimentro