Ciao a tutti! Devo dimensionare il circuito nell'immagine in modo da avere un frequenza di oscillazione pari a 40kHz e un THD<2%. Ho provato a calcolarmi il guadagno d'anello, ma mi sono bloccato. Potete aiutarmi?
Dimensionamento oscillatore
Moderatori:
carloc,
g.schgor,
BrunoValente,
IsidoroKZ
5 messaggi
• Pagina 1 di 1
1
voti

"Non farei mai parte di un club che accettasse la mia iscrizione" (G. Marx)
-

claudiocedrone
21,3k 4 7 9 - Master EY

- Messaggi: 15300
- Iscritto il: 18 gen 2012, 13:36
0
voti
Scusate, sono uno studente di ingegneria elettronica, devo dimensionarlo e simularlo in pspice.
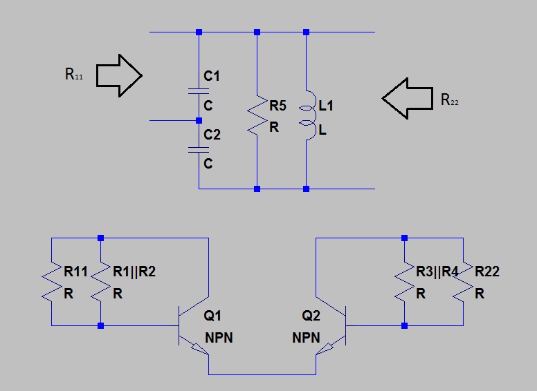
Devo calcolare il guadagno di anello per poi imporre le condizioni di Barkhausen (per prima cosa imporre nulla la parte immaginaria del guadagno Aβ(jω)).
Per prima ho analizzato la retroazione per capire di che tipo sia, direi che è parallelo-serie:
Per cui il circuito equivalente con gli effetti di carico della retroazione dovrebbe essere questo:
È giusto fin qui secondo voi?
Devo calcolare il guadagno di anello per poi imporre le condizioni di Barkhausen (per prima cosa imporre nulla la parte immaginaria del guadagno Aβ(jω)).
Per prima ho analizzato la retroazione per capire di che tipo sia, direi che è parallelo-serie:
Per cui il circuito equivalente con gli effetti di carico della retroazione dovrebbe essere questo:
È giusto fin qui secondo voi?
0
voti
ciao, è per l'esame di elettronica per tlc alla politecnica delle marche? anche se il post è vecchio vorrei alcune dritte anche io. spero in una risposta, grazie.
5 messaggi
• Pagina 1 di 1
Chi c’è in linea
Visitano il forum: Nessuno e 42 ospiti

Elettrotecnica e non solo (admin)
Un gatto tra gli elettroni (IsidoroKZ)
Esperienza e simulazioni (g.schgor)
Moleskine di un idraulico (RenzoDF)
Il Blog di ElectroYou (webmaster)
Idee microcontrollate (TardoFreak)
PICcoli grandi PICMicro (Paolino)
Il blog elettrico di carloc (carloc)
DirtEYblooog (dirtydeeds)
Di tutto... un po' (jordan20)
AK47 (lillo)
Esperienze elettroniche (marco438)
Telecomunicazioni musicali (clavicordo)
Automazione ed Elettronica (gustavo)
Direttive per la sicurezza (ErnestoCappelletti)
EYnfo dall'Alaska (mir)
Apriamo il quadro! (attilio)
H7-25 (asdf)
Passione Elettrica (massimob)
Elettroni a spasso (guidob)
Bloguerra (guerra)

