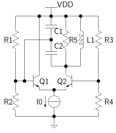
Salve a tutti! Potete aiutarmi a calcolare il guadagno di anello di questo circuito?
Per prima cosa l'ho ridisegnato in AC con in evidenza la retroazione, ma non sono sicuro di aver fatto bene...
Calcolo guadagno di anello
Moderatori:
carloc,
g.schgor,
BrunoValente,
IsidoroKZ
12 messaggi
• Pagina 1 di 2 • 1, 2
1
voti
Ciao
19ric87,
Provo a venirti incontro perché l'argomento interessa anche a me, e perché nel precedente post non hai ricevuto molte risposte. Vediamo se questa volta andrá meglio.
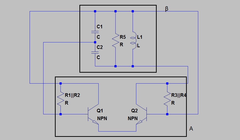
Forse in questi casi è meglio rappresentare i transistori con i modelli equivalenti (anche perché le analisi, che io sappia, vengono sempre fatte sui modelli equivalenti). Per esempio questo (salvo errori) dovrebbe essere il circuito equivalente con il modello ibrido
.
Poi, ti consiglio di postare i tuoi calcoli, con Latex.

Provo a venirti incontro perché l'argomento interessa anche a me, e perché nel precedente post non hai ricevuto molte risposte. Vediamo se questa volta andrá meglio.
Forse in questi casi è meglio rappresentare i transistori con i modelli equivalenti (anche perché le analisi, che io sappia, vengono sempre fatte sui modelli equivalenti). Per esempio questo (salvo errori) dovrebbe essere il circuito equivalente con il modello ibrido
.Poi, ti consiglio di postare i tuoi calcoli, con Latex.

1
voti
Dunque, visto che avevo 5 minuti ho pensato di proporre lo schema a blocchi con il circuito (salvo errori):
0
voti
Ah, grazie mille per il tuo tempo!!! A questo punto io credo si debbano annullare i generatori indipendenti (I0 e Vdd).
La retroazione mi sembra parallelo-parallelo, che dici?
La retroazione mi sembra parallelo-parallelo, che dici?
6
voti
Negli oscillatori e` difficile classificare il tipo di retroazione. Non sapendo dove e` l'ingresso, dato che non c'e`, non si puo` dire nulla sul confronto.
Invece per l'uscita qualcosa si puo` dire, dato che piu` o meno si riesce a stabilire dov'e` l'uscita, ad esempio la tensione di collettore di Q2 e qual e` il carico, ad esempio R5 che modella anche le perdite del circuito risonante. Bisogna anche considerare la possibilita` che il prelievo sia misto, ne' sola corrente ne' sola tensione, ma non mi sembra questo il caso, se si prende R5 come carico, il che rende il prelievo in parallelo.
Per calcolare il guadagno di anello. o il rapporto di ritorno a seconda dei casi, ci sono alcune possibilita`, che cosa vi ha detto di fare il professore, che dal tipo di problema direi che sia Turch...?
Invece per l'uscita qualcosa si puo` dire, dato che piu` o meno si riesce a stabilire dov'e` l'uscita, ad esempio la tensione di collettore di Q2 e qual e` il carico, ad esempio R5 che modella anche le perdite del circuito risonante. Bisogna anche considerare la possibilita` che il prelievo sia misto, ne' sola corrente ne' sola tensione, ma non mi sembra questo il caso, se si prende R5 come carico, il che rende il prelievo in parallelo.
Per calcolare il guadagno di anello. o il rapporto di ritorno a seconda dei casi, ci sono alcune possibilita`, che cosa vi ha detto di fare il professore, che dal tipo di problema direi che sia Turch...?
Per usare proficuamente un simulatore, bisogna sapere molta più elettronica di lui
Plug it in - it works better!
Il 555 sta all'elettronica come Arduino all'informatica! (entrambi loro malgrado)
Se volete risposte rispondete a tutte le mie domande
Plug it in - it works better!
Il 555 sta all'elettronica come Arduino all'informatica! (entrambi loro malgrado)
Se volete risposte rispondete a tutte le mie domande
0
voti
Ciao, il professore è proprio lui!!!
Devo ottenere un frequenza di oscillazione pari a 40kHz con THD<2%.
Direi che è un oscillatore a tre punti con rete di Colpitts, no?
Direi che è un oscillatore a tre punti con rete di Colpitts, no?
5
voti
Mi ero perso il thread 
Si`, e` un Colpitts con amplificatore non invertente. Il calcolo del guadagno di anello e` balordo perche' non ci sono dei punti con disadattamenti di impedenze notevoli (almeno, in prima battuta, senza sapere i valori dei componenti).
Per fare un conto a mano potresti fare un modello del genere, con qualche approssimazione, trovando prima un equivalente della parte attiva. Il circuito attivo e` unidirezionale, il che semplifica il calcolo
Ho supposto i due transistori uguali, e con la stessa corrente di collettore.
Ho trascurato la ro del primo transistore, perche' e` collegata fra due punti con una impedenza di almeno 4 ordini di grandezza piu` bassa della ro stessa. Riesci a vedere perche'? Quella del secondo transistor potrebbe in casi sfigati dare problemi, ma se li da` si e` proprio nei pasticci con i conti. Meglio fare un conto approssimato a mano e poi verificare con spice tutti gli effetti secondari.
Poi si mette intorno all'amplificatore la rete esterna e si ha il circuito con il collegamento rosso e senza i componenti nei rettangoli verdi
Nel circuito si riconosce la rete a pi greco tipica degli oscillatori a tre punti, con due C e una L tipica del Colpitts.
Per trovare il rapporto di ritorno togli il collegamento rosso, metti i due pezzi di circuito nei rettangoli verdi e il rapporto T=-V1/Vp e` quello che cerchi.
Di solito sconsiglio vivamente questo metodo, ma in questo caso funziona perche' il circuito e` unidirezionale e lo si riesce a modellare facilmente. Che il modello abbia valori ragionevoli e` tutto da vedere, perche' a seconda dei valori dei componenti potrebbe esserci una dipendenza piu` o meno forte dai parametri dei transistori.
PS: un accidente a
simo85 che ha usato dei simboli vettorizzati e quando ho provato a modificare il circuito sono finito nei pasticci :)
Si`, e` un Colpitts con amplificatore non invertente. Il calcolo del guadagno di anello e` balordo perche' non ci sono dei punti con disadattamenti di impedenze notevoli (almeno, in prima battuta, senza sapere i valori dei componenti).
Per fare un conto a mano potresti fare un modello del genere, con qualche approssimazione, trovando prima un equivalente della parte attiva. Il circuito attivo e` unidirezionale, il che semplifica il calcolo
Ho supposto i due transistori uguali, e con la stessa corrente di collettore.
Ho trascurato la ro del primo transistore, perche' e` collegata fra due punti con una impedenza di almeno 4 ordini di grandezza piu` bassa della ro stessa. Riesci a vedere perche'? Quella del secondo transistor potrebbe in casi sfigati dare problemi, ma se li da` si e` proprio nei pasticci con i conti. Meglio fare un conto approssimato a mano e poi verificare con spice tutti gli effetti secondari.
Poi si mette intorno all'amplificatore la rete esterna e si ha il circuito con il collegamento rosso e senza i componenti nei rettangoli verdi
Nel circuito si riconosce la rete a pi greco tipica degli oscillatori a tre punti, con due C e una L tipica del Colpitts.
Per trovare il rapporto di ritorno togli il collegamento rosso, metti i due pezzi di circuito nei rettangoli verdi e il rapporto T=-V1/Vp e` quello che cerchi.
Di solito sconsiglio vivamente questo metodo, ma in questo caso funziona perche' il circuito e` unidirezionale e lo si riesce a modellare facilmente. Che il modello abbia valori ragionevoli e` tutto da vedere, perche' a seconda dei valori dei componenti potrebbe esserci una dipendenza piu` o meno forte dai parametri dei transistori.
PS: un accidente a
Per usare proficuamente un simulatore, bisogna sapere molta più elettronica di lui
Plug it in - it works better!
Il 555 sta all'elettronica come Arduino all'informatica! (entrambi loro malgrado)
Se volete risposte rispondete a tutte le mie domande
Plug it in - it works better!
Il 555 sta all'elettronica come Arduino all'informatica! (entrambi loro malgrado)
Se volete risposte rispondete a tutte le mie domande
0
voti
Non so davvero come ringraziarti IsidoroKZ, permettimi di sdebitarmi (anche se in piccola parte) offrendoti una bevuta un giorno di questi! 
12 messaggi
• Pagina 1 di 2 • 1, 2
Chi c’è in linea
Visitano il forum: Nessuno e 65 ospiti

Elettrotecnica e non solo (admin)
Un gatto tra gli elettroni (IsidoroKZ)
Esperienza e simulazioni (g.schgor)
Moleskine di un idraulico (RenzoDF)
Il Blog di ElectroYou (webmaster)
Idee microcontrollate (TardoFreak)
PICcoli grandi PICMicro (Paolino)
Il blog elettrico di carloc (carloc)
DirtEYblooog (dirtydeeds)
Di tutto... un po' (jordan20)
AK47 (lillo)
Esperienze elettroniche (marco438)
Telecomunicazioni musicali (clavicordo)
Automazione ed Elettronica (gustavo)
Direttive per la sicurezza (ErnestoCappelletti)
EYnfo dall'Alaska (mir)
Apriamo il quadro! (attilio)
H7-25 (asdf)
Passione Elettrica (massimob)
Elettroni a spasso (guidob)
Bloguerra (guerra)









