
ne555 e led alta luminositá
Moderatori:
carloc,
g.schgor,
BrunoValente,
IsidoroKZ
7 messaggi
• Pagina 1 di 1
0
voti
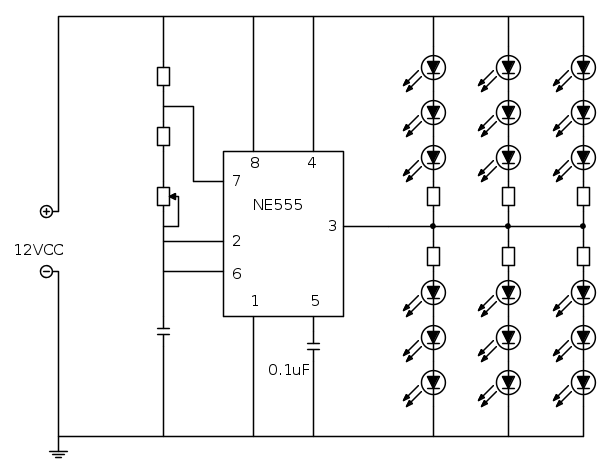
Vorrei avere una conferma/smentita: l'ne555/sa555 (e sue varianti) riesce a pilotare, tramite resistenze limitatrici, 6 led alta luminositá (da 20 mA). Lo schema a sinistra é il classico multivibratore astabile che pilota 2 led mentre la parte di destra sarebbe una mia curiositá di novizio di elettronica. Per il calcolo della frequenza mi affido al blog di BAGOLARO. P.S.: come alimentazione una batteria da 9 volt. grazie anche solo per aver letto. 

1
voti
Quello che ti manca e' la tensione.
Se quei led lavorano a 2V, la cosa sarebbe fattibile (2x3= 6V + resistenza da 150ohm) ma, se la tensione e' superiore (come penso, essendo led alta luminosita') allora ci vogliono almeno 12V di alimentazione.
Se quei led lavorano a 2V, la cosa sarebbe fattibile (2x3= 6V + resistenza da 150ohm) ma, se la tensione e' superiore (come penso, essendo led alta luminosita') allora ci vogliono almeno 12V di alimentazione.
marco
0
voti
Ti ringrazio di avermi risposto MARCO438, l'alimentazione é di 9 volt (classica batteria rettangolare tipo transistor, quella che vendono anche ai supermercati) ma io tonto che sono non ho usato il tasto CERCA e non avrei aperto un' altro post quando c'é né gia un altro ugualr al mio: viewtopic.php?f=13&t=30395&start=10 e qua il disegno: 

0
voti
solo ora ho letto il datasheet della philips pag.4 e la corrente massima erogabile é di 200 mA. i miei led sono da 2 volt 20 mA per cui moltiplicando il numero di led accesi in quel momento per l'assorbimento di ogni singolo led trovo la corrente massima uscente dall'ic (20x3=60). 60 mA sono MOLTO al di sotto del limite del ic. o sbaglio.
- Allegati
-
NE_SA556_2.pdf- (100.22 KiB) Scaricato 157 volte
0
voti
Non mi riferivo alla corrente ma alla tensione; ora che hai specificato che i tuoi led lavorano a 2V, metti una resistenza per ramo da 150 ohm e vivi felice. 
marco
0
voti
simtrix ha scritto: i miei LED sono da 2 volt 20 mA per cui moltiplicando il numero di LED accesi in quel momento per l'assorbimento di ogni singolo LED trovo la corrente massima uscente dall'ic (20x3=60). 60 mA sono MOLTO al di sotto del limite del ic. o sbaglio.
Prima non avevo letto con attenzione e mi era sfuggito questo passaggio.
Se i led sono in serie (nel tuo schema, due di tre led) la corrente per ramo sara' sempre di 20mA e non di 60mA come sarebbe nel caso i tre led venissero configurati in parallelo.
marco
7 messaggi
• Pagina 1 di 1
Chi c’è in linea
Visitano il forum: Nessuno e 105 ospiti

Elettrotecnica e non solo (admin)
Un gatto tra gli elettroni (IsidoroKZ)
Esperienza e simulazioni (g.schgor)
Moleskine di un idraulico (RenzoDF)
Il Blog di ElectroYou (webmaster)
Idee microcontrollate (TardoFreak)
PICcoli grandi PICMicro (Paolino)
Il blog elettrico di carloc (carloc)
DirtEYblooog (dirtydeeds)
Di tutto... un po' (jordan20)
AK47 (lillo)
Esperienze elettroniche (marco438)
Telecomunicazioni musicali (clavicordo)
Automazione ed Elettronica (gustavo)
Direttive per la sicurezza (ErnestoCappelletti)
EYnfo dall'Alaska (mir)
Apriamo il quadro! (attilio)
H7-25 (asdf)
Passione Elettrica (massimob)
Elettroni a spasso (guidob)
Bloguerra (guerra)




