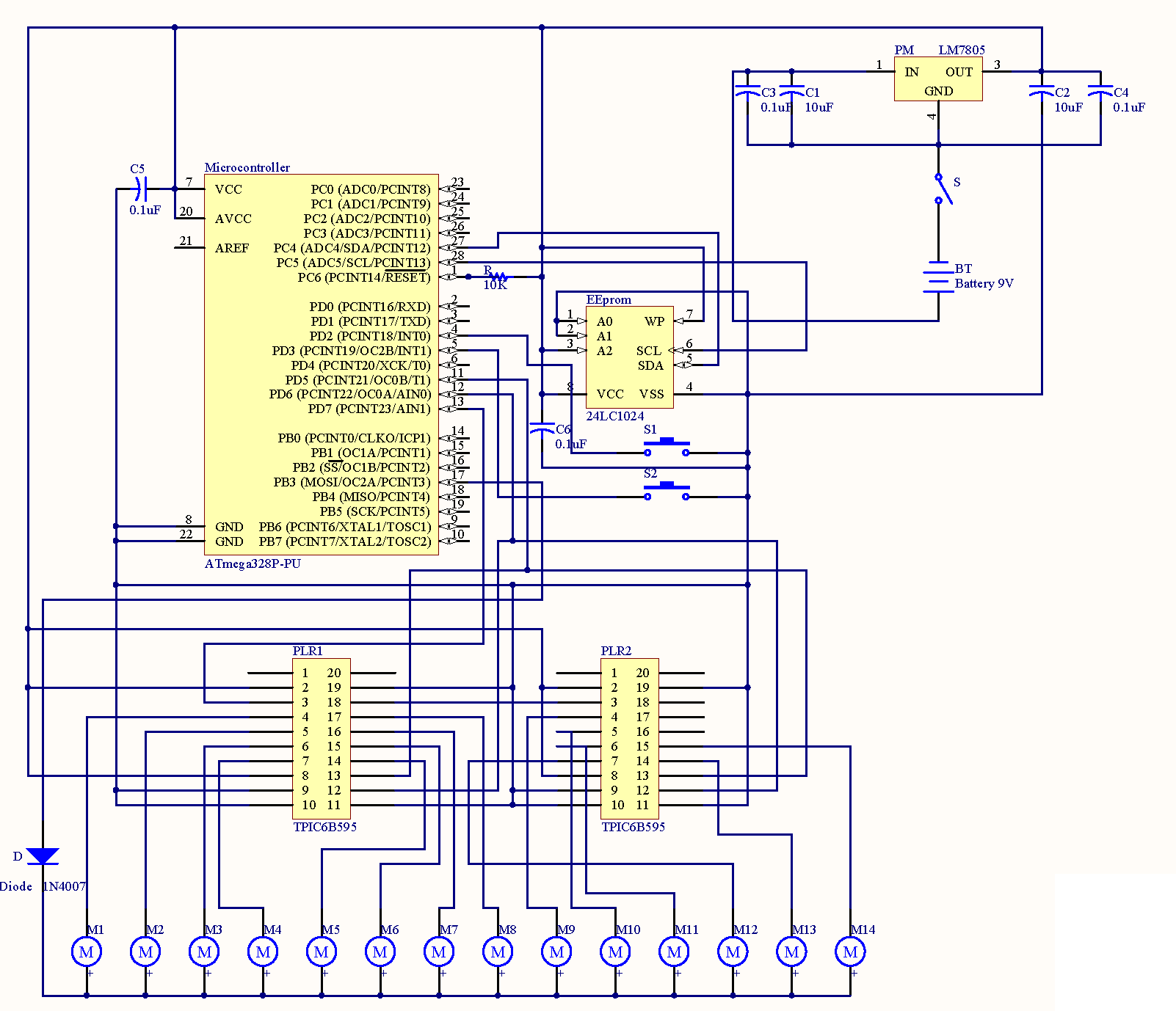
Salve, ho realizzato il circuito che vedete nello schema elettrico che naturalmente funziona.
Il funzionamento è il seguente: i motorini M1 - M14 sono dei motorini vibranti, come quelli dei cellulari, precisamenti sono questi: https://catalog.precisionmicrodrives.com/order-parts/product/310-118-10mm-vibration-motor-2mm-type.
I pulsanti S1 e S2 servono per selezionare quale motorino deve vibrare, la EEPROM contiene delle sequenze per farli vibrare uno dietro l'altro.
I motorini li piloto in PWM, dal pin 17 dell'AVR, che quindi agisce anche come alimentatore dei motorini.
Il mio dubbio è: in questa configurazione il microcontrollore è protetto da eventuali correnti induttive prodotte dai motorini? Io arbitrariamente ho inserito un diodo fra il pin 17 e i motorini ma non ne sono affatto sicuro.
Specifico che secondo la logica di funzionamento si accendono uno o due al massimo contemporaneamente.
L'applicazione è nata al fine di imparare qualcosa sui microcontrollori e sull'elettronica, ma adesso ci sto costruendo un cuscino massaggiatore.
Grazie in anticipo.
Revisione Circuito Basato su Atmega328p
Moderatore:
Paolino
0
voti
-

ultrasound91
318 2 4 6 - Disattivato su sua richiesta
- Messaggi: 700
- Iscritto il: 26 ago 2014, 21:02
1
voti
I TPIC6B595 non sono protetti.
Poi da quello che mi sembra di capire, alimenti i motorini con un pin del micro..
Non mi sembra una buona idea.

PS: rileggi le regole del forum.
Poi da quello che mi sembra di capire, alimenti i motorini con un pin del micro..
Non mi sembra una buona idea.

PS: rileggi le regole del forum.
1
voti
Il diodo non ha senso o forse non ho capito lo scopo. La risposta ai tuoi quesiti te la da solo l'oscilloscopio dopo aver schermato le EMI dei motorini. Non andare oltre i 40mA per pin o alimentali da fuori.
0
voti
Il diodo lo ho inserito credendo in quesro modo di proteggere il microcontrollore.
I tpic6b595 credevo fossero già protetti perché dovrebbero avere dei diodi interni.
Uso il pin del micro come alimentatore sia perché mi servono pochi mA e sia perché mi serve un segnale PWM.
I tpic6b595 credevo fossero già protetti perché dovrebbero avere dei diodi interni.
Uso il pin del micro come alimentatore sia perché mi servono pochi mA e sia perché mi serve un segnale PWM.
-

ultrasound91
318 2 4 6 - Disattivato su sua richiesta
- Messaggi: 700
- Iscritto il: 26 ago 2014, 21:02
1
voti
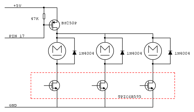
Ciao, osservando il tuo schema noto che Il pin 17 pilota il positivo comune a tutti i motorini ma ciascun motorino assorbe 60mA; corrente, questa, che non puoi fornire direttamente dal pin del micro, occorre che tu inserica un buffer di corrente, basta un mosfet a canale P (per esempio BS250P) pilotato al gate dal pin 17 del micro e con il source connesso al positivo e il drain alla linea comune dei motori (la logica di azionamento si invertirà). Per ciascun motore puoi metterci in parallelo un transzorb da 12V (SMJA12A) per clampare le extratensioni dovute alla natura induttiva del carico e proteggere il TIPIC6B595.
A.
A.
Ultima modifica di
AlbertoBianchi il 16 dic 2014, 17:56, modificato 1 volta in totale.
-

AlbertoBianchi
2.009 3 5 - Master

- Messaggi: 836
- Iscritto il: 4 dic 2014, 18:30
- Località: Lastra a Signa (FI)
0
voti
Io in questo momento faccio così: se devo alimentare un motorino metto il PWM al 25%, se devo alimentare due li metto al 50%. Sto distribuendo male la corrente?
-

ultrasound91
318 2 4 6 - Disattivato su sua richiesta
- Messaggi: 700
- Iscritto il: 26 ago 2014, 21:02
1
voti
Secondo me si
e comunque, durante la fase di off del segnale PWM l' energia immagazinata nel circuito magnetico si dovrà scaricare da qualche parte, se non prevedi un diodo di ricircolo o transzorb che sia, si genereranno degli spikes di tensione non trascurabili. Meno male che i motorini sono minuscoli!!
-

AlbertoBianchi
2.009 3 5 - Master

- Messaggi: 836
- Iscritto il: 4 dic 2014, 18:30
- Località: Lastra a Signa (FI)
0
voti
Incredibile che ci ho lavorato per ore e ancora nessun danno. Quale e' la soluzione che richiede meno componenti?
-

ultrasound91
318 2 4 6 - Disattivato su sua richiesta
- Messaggi: 700
- Iscritto il: 26 ago 2014, 21:02
4
voti
Per fortuna i pin del micro sono limitati in corrente di uscita, avrai avuto solamente una tensione di uscita bassa,
lo schema minimo è questo:
Il motorino o i motorini (occhio, il mosfet è da 200mA se vuoi accendere più di tre motori contemporaneamente, va sostituito con uno più grosso) saranno azionati quando il pin 17 va basso. Dovrai invertire la polarità di uscita del PWM nella configurazione del timer. L'uso di diodi oppure transzorb (6-12V) qui è abbastanza indifferente.
A.
lo schema minimo è questo:
Il motorino o i motorini (occhio, il mosfet è da 200mA se vuoi accendere più di tre motori contemporaneamente, va sostituito con uno più grosso) saranno azionati quando il pin 17 va basso. Dovrai invertire la polarità di uscita del PWM nella configurazione del timer. L'uso di diodi oppure transzorb (6-12V) qui è abbastanza indifferente.
A.
-

AlbertoBianchi
2.009 3 5 - Master

- Messaggi: 836
- Iscritto il: 4 dic 2014, 18:30
- Località: Lastra a Signa (FI)
0
voti
perché i 5 v sono collegati anche al pin 17 tramite una resistenza di 47k?
-

ultrasound91
318 2 4 6 - Disattivato su sua richiesta
- Messaggi: 700
- Iscritto il: 26 ago 2014, 21:02
Torna a Realizzazioni, interfacciamento e nozioni generali.
Chi c’è in linea
Visitano il forum: Nessuno e 5 ospiti

Elettrotecnica e non solo (admin)
Un gatto tra gli elettroni (IsidoroKZ)
Esperienza e simulazioni (g.schgor)
Moleskine di un idraulico (RenzoDF)
Il Blog di ElectroYou (webmaster)
Idee microcontrollate (TardoFreak)
PICcoli grandi PICMicro (Paolino)
Il blog elettrico di carloc (carloc)
DirtEYblooog (dirtydeeds)
Di tutto... un po' (jordan20)
AK47 (lillo)
Esperienze elettroniche (marco438)
Telecomunicazioni musicali (clavicordo)
Automazione ed Elettronica (gustavo)
Direttive per la sicurezza (ErnestoCappelletti)
EYnfo dall'Alaska (mir)
Apriamo il quadro! (attilio)
H7-25 (asdf)
Passione Elettrica (massimob)
Elettroni a spasso (guidob)
Bloguerra (guerra)


