Ciao tutti :)
Sto lavorando su un circuito che rileva quando viene acceso un led (o altra luce) ed cambia lo stato logico della linea in modo da segnarlarlo al micro che esegue una ISR.
Il tempo durante il quale la luce sta spenta è spesso maggiore del tempo in cui sta accesa.
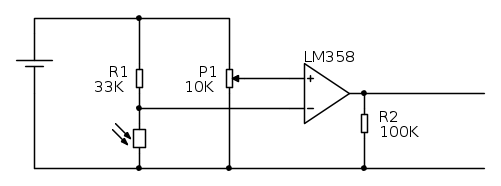
Durante i test ho usato un LM358 (avendolo in casa) nel seguente modo:
In realtà, l'utilizzo giusto sarebbe un comparatore (es LM393, o meglio LM393-N che è low power) che però, in quanto tale, ha l'uscita open-drain, quindi il tutto diventerebbe:
Dovendo ora realizzare il circuito su PCB e avendo come requisito fondamentale quello di minimizzare i consumi devo fare una delle due scelte e volevo chiedervi nel secondo schema non avrei consumi più "elevati" visto che l'uscita open-drain sarebbe in conduzione per la maggior parte del tempo?
Rilevare accensione led e invio di interrupt al micro
Moderatori:
carloc,
g.schgor,
BrunoValente,
IsidoroKZ
3 messaggi
• Pagina 1 di 1
0
voti
Si, ma tieni conto che se la frequenza di alternanza luce/buio non è dell'ordine delle decine di kHz (non ci hai dato molte spiegazioni) la resistenza può essere di valore molto maggiore, anche un 220K o più. Considera anche, che in tutti i micro moderni c'è la possibilità di attivare sugli ingressi una resisteza di pull-up che potrebbe fare al tuo scopo (e se hai modo di attivarla solo quando serve, consumi meno
)
Alberto
La vita è come una bicicletta, devi sempre pedalare per rimanere in equilibrio
Annuncio sempre valido: http://www.electroyou.it/forum/viewtopic.php?f=10&t=62668
La vita è come una bicicletta, devi sempre pedalare per rimanere in equilibrio
Annuncio sempre valido: http://www.electroyou.it/forum/viewtopic.php?f=10&t=62668
-

AlbertoBianchi
2.009 3 5 - Master

- Messaggi: 836
- Iscritto il: 4 dic 2014, 18:30
- Località: Lastra a Signa (FI)
0
voti
Si in effetti non ho detto quanto rapida può essere la transizione ON/OFF della luce.
Dunque tra un'accensione e la successiva minimo devono trascorrere 15ms, quindi siamo bel lontani dai kHz :)
Per il discoscorso di attivare la resistenza quando serve la vedo un po complicato, perché è proprio il passaggio di stato logico (rise o fall, ora l'ho messo sul fall) che fa partire l'interrupt, quindi se non ho la resistenza non ho la transizione alto/basso e non so a priori quando poterla abilitare.
Dunque tra un'accensione e la successiva minimo devono trascorrere 15ms, quindi siamo bel lontani dai kHz :)
Per il discoscorso di attivare la resistenza quando serve la vedo un po complicato, perché è proprio il passaggio di stato logico (rise o fall, ora l'ho messo sul fall) che fa partire l'interrupt, quindi se non ho la resistenza non ho la transizione alto/basso e non so a priori quando poterla abilitare.
3 messaggi
• Pagina 1 di 1
Chi c’è in linea
Visitano il forum: Nessuno e 29 ospiti

Elettrotecnica e non solo (admin)
Un gatto tra gli elettroni (IsidoroKZ)
Esperienza e simulazioni (g.schgor)
Moleskine di un idraulico (RenzoDF)
Il Blog di ElectroYou (webmaster)
Idee microcontrollate (TardoFreak)
PICcoli grandi PICMicro (Paolino)
Il blog elettrico di carloc (carloc)
DirtEYblooog (dirtydeeds)
Di tutto... un po' (jordan20)
AK47 (lillo)
Esperienze elettroniche (marco438)
Telecomunicazioni musicali (clavicordo)
Automazione ed Elettronica (gustavo)
Direttive per la sicurezza (ErnestoCappelletti)
EYnfo dall'Alaska (mir)
Apriamo il quadro! (attilio)
H7-25 (asdf)
Passione Elettrica (massimob)
Elettroni a spasso (guidob)
Bloguerra (guerra)


