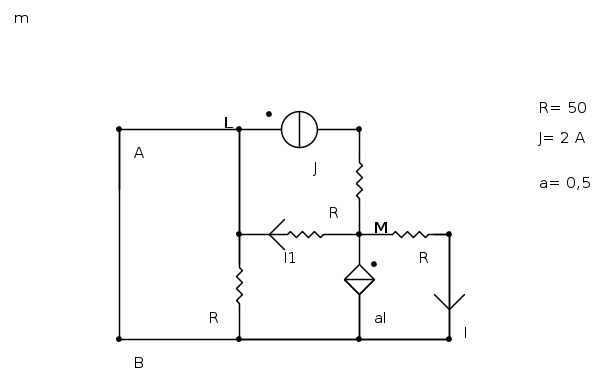
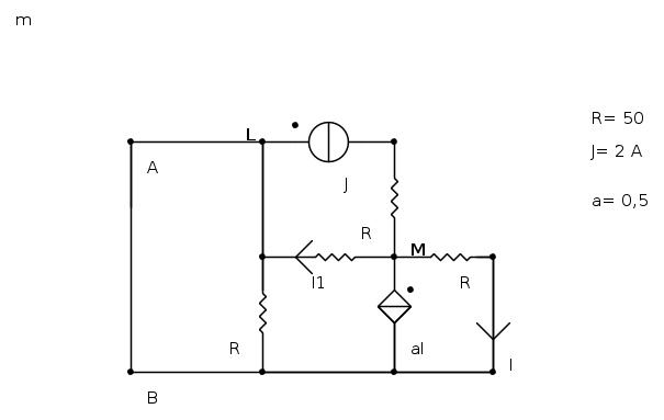
Devo trovare la corrente tra A e B.
Essendo ormai un cortocircuito ai capi della R in basso a sinistra ci sarà lo stesso potenziale per cui non fluirà corrente, si puo' rimuovere dal circuito.
al nodo M

al nodo L avrò le stesse correnti del nodo M
se studio la maglia
mi ricavo

Inizialmente vedendo il cortocircuito vicino al generatore di corrente ho creduto che la corrente tra A e B coincidesse con J.
Ora invece ho trovato che
quindi 
mentre lo scrivevo me ne sono convinto di quest'ultimo risultato ma ormai lo posto

Elettrotecnica e non solo (admin)
Un gatto tra gli elettroni (IsidoroKZ)
Esperienza e simulazioni (g.schgor)
Moleskine di un idraulico (RenzoDF)
Il Blog di ElectroYou (webmaster)
Idee microcontrollate (TardoFreak)
PICcoli grandi PICMicro (Paolino)
Il blog elettrico di carloc (carloc)
DirtEYblooog (dirtydeeds)
Di tutto... un po' (jordan20)
AK47 (lillo)
Esperienze elettroniche (marco438)
Telecomunicazioni musicali (clavicordo)
Automazione ed Elettronica (gustavo)
Direttive per la sicurezza (ErnestoCappelletti)
EYnfo dall'Alaska (mir)
Apriamo il quadro! (attilio)
H7-25 (asdf)
Passione Elettrica (massimob)
Elettroni a spasso (guidob)
Bloguerra (guerra)










