Ciao,
Ho realizzato una scheda con a bordo un micro controllore e il modulo Sim900 della SimCom, quest'ultimo però con una micro sim della wind non funziona correttamente; riportandomi il messaggio di errore CPIN:NOT INSERTED.
Ho provato con un'altra sim sempre della WIND ma questa volta non in formato microsim e la scheda funziona correttemente agganciando la rete.
Il firmware del modulo mi sembra abbastanza recente:
Revision:1137B01SIM900M64_ST_ENHANCE
Ho provato a sostituire lo slot della sim con uno di marca differente ma il risultato non cambia.
Ho preso la micro sim incriminata e l'ho inserita in una scheda acquistata da futura elettronica sempre con a bordo il SIM900.
E qui funziona correttamente.
A questo punto ho verificato il firmware di questo modulo e mi sembra più datato:
Revision:1137B08SIM900M64_ST_DTMF_JD_MMS
Escludendo un problema di firmware non so più dove sbattere la testa.
Avete qualche suggerimento.
Grazie
Marcello
Problema con modulo SIM900
Moderatori:
carloc,
g.schgor,
BrunoValente,
IsidoroKZ
27 messaggi
• Pagina 1 di 3 • 1, 2, 3
1
voti
Sicuro che i livelli di tensione dei segnali fra uSIM e SIM siano gli stessi? non ho tempo di controllare adesso, ma mi sa di no. Può essere che sulla scheda in cui funziona ci sia un traslatore?
Se non trovi ci do un'occhiata stasera.
Se non trovi ci do un'occhiata stasera.
_______________________________________________________
Gli oscillatori non oscillano mai, gli amplificatori invece sempre
Io HO i poteri della supermucca, e ne vado fiero!
Gli oscillatori non oscillano mai, gli amplificatori invece sempre
Io HO i poteri della supermucca, e ne vado fiero!
0
voti
Ciao obiuan, riporto quanto scritto nel datasheets:
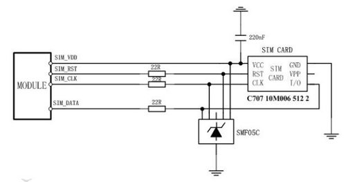
Questo è lo schema della scheda dove funzinano entrambe le sim.
SIM Card power supply, it can identify automatically the SIM Card power mode, one is 3.0V+- 10%. another is 1.8V +- 10%. Current is about 10mA.
Può essere che sulla scheda in cui funziona ci sia un traslatore?
Questo è lo schema della scheda dove funzinano entrambe le sim.
1
voti
fammi capire bene. Stai usando una uSim con adattatore in un SIM holder standard?
piccolo inciso: quello schema non è un gran chè: mancano le protezioni ESD e anche almeno 4 capacità. inoltre, nelle uSIM C6 andrebbe collegato a C1...non vedo nemmeno il PIN lì.
comunque, se in quella funziona e nella tua no...posti lo schema e qualche foto della scheda incriminata?
piccolo inciso: quello schema non è un gran chè: mancano le protezioni ESD e anche almeno 4 capacità. inoltre, nelle uSIM C6 andrebbe collegato a C1...non vedo nemmeno il PIN lì.
comunque, se in quella funziona e nella tua no...posti lo schema e qualche foto della scheda incriminata?
_______________________________________________________
Gli oscillatori non oscillano mai, gli amplificatori invece sempre
Io HO i poteri della supermucca, e ne vado fiero!
Gli oscillatori non oscillano mai, gli amplificatori invece sempre
Io HO i poteri della supermucca, e ne vado fiero!
0
voti
Stai usando una uSim con adattatore in un SIM holder standard?
Si, giusto.
mancano le protezioni ESD e anche almeno 4 capacità. inoltre, nelle uSIM C6 andrebbe collegato a C1...non vedo nemmeno il PIN lì.
Per la mancanza delle protezioni ESD ti do perfettamente ragione, ma nel datasheet non parlano di altre capacità;
inoltre, nelle uSIM C6 andrebbe collegato a C1...non vedo nemmeno il PIN lì.
Sempre da datasheet il pin C6 non viene collegato.
comunque, se in quella funziona e nella tua no...posti lo schema e qualche foto della scheda incriminata?
1
voti
di solito vanno messi dei 47pF, che fanno parte della protezione anche loro. comunque, non hanno a che vedere con il funzionamento.
per quanto riguarda VPP:
Non è che nella scheda in cui funziona c'è VPP collegato a VSIM?
per quanto riguarda VPP:
Non è che nella scheda in cui funziona c'è VPP collegato a VSIM?
_______________________________________________________
Gli oscillatori non oscillano mai, gli amplificatori invece sempre
Io HO i poteri della supermucca, e ne vado fiero!
Gli oscillatori non oscillano mai, gli amplificatori invece sempre
Io HO i poteri della supermucca, e ne vado fiero!
0
voti
Non è che nella scheda in cui funziona c'è VPP collegato a VSIM?
Adesso verifco con il tester!
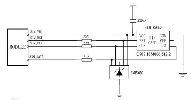
Questo è lo schema:
Questa è la parte di alimentazione:
0
voti
Le R22 da quanto sono?
_______________________________________________________
Gli oscillatori non oscillano mai, gli amplificatori invece sempre
Io HO i poteri della supermucca, e ne vado fiero!
Gli oscillatori non oscillano mai, gli amplificatori invece sempre
Io HO i poteri della supermucca, e ne vado fiero!
27 messaggi
• Pagina 1 di 3 • 1, 2, 3
Chi c’è in linea
Visitano il forum: Nessuno e 61 ospiti

Elettrotecnica e non solo (admin)
Un gatto tra gli elettroni (IsidoroKZ)
Esperienza e simulazioni (g.schgor)
Moleskine di un idraulico (RenzoDF)
Il Blog di ElectroYou (webmaster)
Idee microcontrollate (TardoFreak)
PICcoli grandi PICMicro (Paolino)
Il blog elettrico di carloc (carloc)
DirtEYblooog (dirtydeeds)
Di tutto... un po' (jordan20)
AK47 (lillo)
Esperienze elettroniche (marco438)
Telecomunicazioni musicali (clavicordo)
Automazione ed Elettronica (gustavo)
Direttive per la sicurezza (ErnestoCappelletti)
EYnfo dall'Alaska (mir)
Apriamo il quadro! (attilio)
H7-25 (asdf)
Passione Elettrica (massimob)
Elettroni a spasso (guidob)
Bloguerra (guerra)




