Ciao a tutti,
ho un problema con la rottura di alcuni IGBT ixgh60n60c3d1 http://ixdev.ixys.com/DataSheet/DS100009B%28IXGH_T60N60C3D1%29.pdf
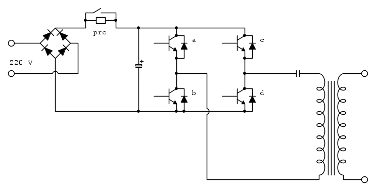
il circuito è il cassico ponte ad H
Quello che mi lascia un po perplesso è il come si siano rotti "al di fuori" della casistica standard.
Per essere chiari, su due macchine diverse, i 2 transistor della stessa gamba ("a" ed "b") sono andati in corto tra cbe senza fare esplodere il case, cosa che normalmente non succede mai, almeno uno dei 2 deve esplodere trovandosi in corto tra + e -.
Oltre a questo per onore della cronaca segnalo che il contatto del relè di bypass della resistenza
di precarica si è incollato (gruppo prc su schema), cosa comune quando si tenta di riaccendere la macchina con gli igbt in corto.
Per il resto è tutto perfetto,come appena venuto fuori di fabbrica.
I pilotaggi sono perfetti, non hanno spike o pendenze oltre alla media.
Il carico finale, anche se ininfluente ai fini della rottura, è anch'esso perfetto.
Tutto ciò premesso per chiedere se secondo voi si può trattare di una partita di igbt fallati in origine,
anche se cio' non spiega come abbiano potuto passare i collaudi.
Nel caso mi potreste consigliare qualche stress test da poter fare per vedere se effettivamente ci sono
problemi negli igbt?
Noi gia ora abbiamo una camera climatica dove simuliamo il funzionamento a caldo forzato ed
con un carico maggiorato rispetto alla targa del prodotto, che non ha evidenziato il problema.
Daniele
Rottura IGBT
Moderatori:
carloc,
g.schgor,
BrunoValente,
IsidoroKZ
11 messaggi
• Pagina 1 di 2 • 1, 2
0
voti
[2] Re: Rottura IGBT
Problema di dissipazione?
Sei sicuro che sulle macchine che si sono guastate non ci sia stato qualche problema a livello di accoppiamento tra devices e dissipatori, a volte basta un granelllo di polvere tra case e foglio isolante oppure le viti non ben serrate.
Sei sicuro che sulle macchine che si sono guastate non ci sia stato qualche problema a livello di accoppiamento tra devices e dissipatori, a volte basta un granelllo di polvere tra case e foglio isolante oppure le viti non ben serrate.
Alberto
La vita è come una bicicletta, devi sempre pedalare per rimanere in equilibrio
Annuncio sempre valido: http://www.electroyou.it/forum/viewtopic.php?f=10&t=62668
La vita è come una bicicletta, devi sempre pedalare per rimanere in equilibrio
Annuncio sempre valido: http://www.electroyou.it/forum/viewtopic.php?f=10&t=62668
-

AlbertoBianchi
2.009 3 5 - Master

- Messaggi: 836
- Iscritto il: 4 dic 2014, 18:30
- Località: Lastra a Signa (FI)
0
voti
[3] Re: Rottura IGBT
io vedrei di piu problema di driver , non ha bostrappato il canale alto e andando in lineare , esce dalle specifiche fino alla rottura , tirando anche il canale basso alla rottura
0
voti
[4] Re: Rottura IGBT
Pare di capire che sia una macchina in produzione in cui sono morti due componenti recentemente. Quello che insospettisce e` che sia in entrambi i casi la stessa coppia (ma la casistica non e` molto estesa, stile medici).
Sono stati cambiati componenti, o fornitori recentemente?
Sono stati cambiati componenti, o fornitori recentemente?
Per usare proficuamente un simulatore, bisogna sapere molta più elettronica di lui
Plug it in - it works better!
Il 555 sta all'elettronica come Arduino all'informatica! (entrambi loro malgrado)
Se volete risposte rispondete a tutte le mie domande
Plug it in - it works better!
Il 555 sta all'elettronica come Arduino all'informatica! (entrambi loro malgrado)
Se volete risposte rispondete a tutte le mie domande
0
voti
[5] Re: Rottura IGBT
ciao e grazie a tutti delle risposte,
accoppiamento dissipatore su foglio isolante (da 3000v), purtroppo tutto ben serrato.
Controllato anche eventuale foratura isolamento, ma nulla, tutto sano.
Driver: il pilotaggio dei 2 igbt rotti viene dallo stesso trasformatore ad impulsi, che ha
2 uscite per pilotare gli igbt in controfase.
IsidoroKZ
Effettivamente si sono rotte 2 su 4 macchine gemelle a distanza di 48ore l'una dall'altra, e gli igbt montati
fanno parte della stessa "stecca" di componenti. Per domani pomeriggi avro' sotto mano la seconda macchina, per poter vedere cosi sia successo, pero' il dubbio che sia l'igbt fallato è molto grande.
Per fare una statistica al volo posso dire che usiamo i 60n60 da anni e non era mai successo una cosa del genere.
Vedendo che nella stecca ne restano 8 mi sa che me devo preparare ad altre "mine vaganti"...
accoppiamento dissipatore su foglio isolante (da 3000v), purtroppo tutto ben serrato.
Controllato anche eventuale foratura isolamento, ma nulla, tutto sano.
Driver: il pilotaggio dei 2 igbt rotti viene dallo stesso trasformatore ad impulsi, che ha
2 uscite per pilotare gli igbt in controfase.
Effettivamente si sono rotte 2 su 4 macchine gemelle a distanza di 48ore l'una dall'altra, e gli igbt montati
fanno parte della stessa "stecca" di componenti. Per domani pomeriggi avro' sotto mano la seconda macchina, per poter vedere cosi sia successo, pero' il dubbio che sia l'igbt fallato è molto grande.
Per fare una statistica al volo posso dire che usiamo i 60n60 da anni e non era mai successo una cosa del genere.
Vedendo che nella stecca ne restano 8 mi sa che me devo preparare ad altre "mine vaganti"...
0
voti
[6] Re: Rottura IGBT
Che influenza ha l'impenza della rete elettrica a monte della macchina? Ed una riduzione di tensione causa guasti sul neutro, è controllata? Il driver degli IGBT potrebbe lavorare male?
-

Candy
32,5k 7 10 13 - CRU - Account cancellato su Richiesta utente
- Messaggi: 10123
- Iscritto il: 14 giu 2010, 22:54
0
voti
[7] Re: Rottura IGBT
Mauro, paleso la mia ignoranza, ma non so come rispondere alla prima domanda che poni,
per il resto, la logica ha un blocco irreversibile che blocca tutte le schede, driver compreso,
se la tensione scende sotto un predeterminato livello.
per il resto, la logica ha un blocco irreversibile che blocca tutte le schede, driver compreso,
se la tensione scende sotto un predeterminato livello.
0
voti
[8] Re: Rottura IGBT
Jackd ha scritto:Mauro, paleso la mia ignoranza, ma non so come rispondere alla prima domanda che poni
Visto che ti domandavi come mai almeno uno degli IGBT non esplode, si potrebbe immaginare lo scenario che la condizione di corto circuito sulla tua macchina non veda circolare forti correnti causa alta impedenza sul lato alimentazione. Hai detto che si è incollato il relè, ma nulla sul ponte a diodi. Brucia? Sembra di no! non hai detto nulla al riguardo. Perché? Forse perché non brucia. Ma se l'impedenza sul lato alimentazione non è adeguata e stabile, potresti avere condizioni anche altalentanti di bassa tensione di alimentazione, con cattivo pilotaggio degli IGBT.
Non lo sio io. Visto che non hai descritto nulla del contesto, faccio ipotesi nel mucchio delle tante.
-

Candy
32,5k 7 10 13 - CRU - Account cancellato su Richiesta utente
- Messaggi: 10123
- Iscritto il: 14 giu 2010, 22:54
0
voti
[9] Re: Rottura IGBT
Rottura IGBT ?
Sovracorrente, troppa dissipazione o ... sovratensione !
Con carichi induttivi ... occhio che tendono a "vendicarsi".
Bye
Ser.Tom
P.S: dovresti mettere più dettagli nello schema, a volte basta una inezia per far passar a miglior vita un IGBT.
Sovracorrente, troppa dissipazione o ... sovratensione !
Con carichi induttivi ... occhio che tendono a "vendicarsi".
Bye
Ser.TomP.S: dovresti mettere più dettagli nello schema, a volte basta una inezia per far passar a miglior vita un IGBT.
0
voti
[10] Re: Rottura IGBT
Finalmente ieri ho potuto mettere le mani sul secondo "ferito", e con mia somma sorpresa ho potuto vedere che le cause della rottura sono diverse dal primo, e ben esplicite.
In questo caso Acqua e soda sono i responsabili di un bel corto sulla scheda...
Mi rendo conto che a volte Fatalita' non connesse tra di loro, se capitano in sequenza, ti fanno prendre
delle grandi preoccupazioni e spaventi.
In ogni caso, la macchina in questione è un generatore di frequenza, che lavora attorno ai 22khz. In funzione delle richieste del carico la logica corregge la frequenza.
Visto che la vicenda comunque mi ha sollevato dei dubbi sui igbt, che voi sappiate, esiste un stres test per vedere il limite ai quali si rompono, che sinceramente un paio li sacrifico volentieri per la ricerca e la tranquillita :)
In questo caso Acqua e soda sono i responsabili di un bel corto sulla scheda...
Mi rendo conto che a volte Fatalita' non connesse tra di loro, se capitano in sequenza, ti fanno prendre
delle grandi preoccupazioni e spaventi.
In ogni caso, la macchina in questione è un generatore di frequenza, che lavora attorno ai 22khz. In funzione delle richieste del carico la logica corregge la frequenza.
Visto che la vicenda comunque mi ha sollevato dei dubbi sui igbt, che voi sappiate, esiste un stres test per vedere il limite ai quali si rompono, che sinceramente un paio li sacrifico volentieri per la ricerca e la tranquillita :)
11 messaggi
• Pagina 1 di 2 • 1, 2
Chi c’è in linea
Visitano il forum: Nessuno e 49 ospiti

Elettrotecnica e non solo (admin)
Un gatto tra gli elettroni (IsidoroKZ)
Esperienza e simulazioni (g.schgor)
Moleskine di un idraulico (RenzoDF)
Il Blog di ElectroYou (webmaster)
Idee microcontrollate (TardoFreak)
PICcoli grandi PICMicro (Paolino)
Il blog elettrico di carloc (carloc)
DirtEYblooog (dirtydeeds)
Di tutto... un po' (jordan20)
AK47 (lillo)
Esperienze elettroniche (marco438)
Telecomunicazioni musicali (clavicordo)
Automazione ed Elettronica (gustavo)
Direttive per la sicurezza (ErnestoCappelletti)
EYnfo dall'Alaska (mir)
Apriamo il quadro! (attilio)
H7-25 (asdf)
Passione Elettrica (massimob)
Elettroni a spasso (guidob)
Bloguerra (guerra)







