Buongiorno a tutti.
Cercando nel forum ho trovato altri topic che affrontavano tale tematica, tuttavia ho un dubbio riguardo la mia necessità specifica.
La questione è la classica: almeno una volta ogni due mesi in famiglia facciamo saltare il contatore Enel esterno per superamento della potenza.
Ho iniziato a cercare delle soluzioni e ho trovato questo interessante articolo: http://www.electroyou.it/attilio/wiki/s ... atore-enel
Attualmente il quadro elettrico di casa è composto da un Differenziale autoriarmante 25A e Idn 30mA (4 moduli), un magnetotermico da 16A (2 moduli) ed un altro da 10A (2 moduli), per un totale di 8 moduli.
Usare un relè di gestione carichi mi è sembrata la soluzione migliore. Ho già provveduto a comprare un Gewiss GW96916. (http://pro.gewiss.com/irj/go/km/docs//F ... 287830.pdf)
Avendo solo due linee separate, la classiche "prese" e "luci", la mia intenzione era quella di collegare la linea "prese" comandata dal magnetotermico da 16A come "carico non prioritario", in modo tale che al superamento della potenza il relè staccasse (momentanamente) tutte le prese mantenendo però le luci funzionanti.
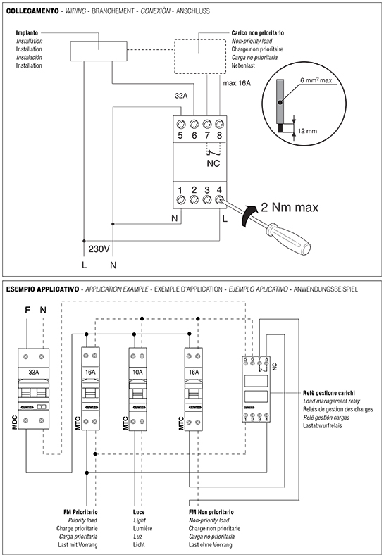
Vedendo però la pagina 2 del manuale illustrativo linkato poco sopra mi sono venuti dei dubbi sul funzionamento..
Nel dettaglio nello schema COLLEGAMENTO viene riportato che ai pin 1 e 4 sono collegate rispettivamente neutro e fase diretti, quindi per me provenienti dal differenziale, mentre nello schema poco successivo chiamato ESEMPIO APPLICATIVO sono collegati neutro e fase del carico prioritario.
A fronte di questi dubbi, qualcuno potrebbe gentilmente illustrarmi come andrebbe correttamente collegato, tenendo conto del differenziale autonomo e di due magnetotermici da 16A e 10A, di cui il 16A voluto come carico non prioritario ?
Grazie mille in anticipo.
PS: Essendo la scatola di soli 8 moduli dovrò anche cambiare i magnetotermici e metterli da 1 modulo ciascuno, in modo da guadagnare 2 moduli per mettere il relè. Ci sono controindicazioni ? Calore ?
Relè Gestione Carichi
Moderatori:
sebago,
MASSIMO-G,
lillo,
Mike
6 messaggi
• Pagina 1 di 1
0
voti
Inserisco per chiarezza l'immagine del pdf linkato a cui faccio riferimento.
0
voti
Specifico che il contratto è da 3,3 kW classici, ma soprattutto che se avessi modo di far fare il lavoro ad un professionista non avrei chiesto qui nel forum.
Nella mia zona ci potranno essere sì persone abilitate, ma di certo non qualificate. L'ultimo che mi è stato consigliato è quello che mi ha montato il differenziale autoriarmante come soluzione alla richiesta di evitare che scattasse il contatore esterno. Ho detto tutto.
Quindi (ipoteticamente parlando ?) qualcuno potrebbe chiarirmi l'installazione del Relè GW96916, in dettaglio sui pin 1-4.
Grazie. :)
Nella mia zona ci potranno essere sì persone abilitate, ma di certo non qualificate. L'ultimo che mi è stato consigliato è quello che mi ha montato il differenziale autoriarmante come soluzione alla richiesta di evitare che scattasse il contatore esterno. Ho detto tutto.
Quindi (ipoteticamente parlando ?) qualcuno potrebbe chiarirmi l'installazione del Relè GW96916, in dettaglio sui pin 1-4.
Grazie. :)
0
voti
Penso che la cosa corretta sarebbe spiegare dove lo vorresti installare e perché secondo te risolverebbe il problema. Esempio se hai una linea prese e una linea luce non mi sembrerebbe di grande utilità.
-

elettroigor
2.063 1 5 12 - Expert free
- Messaggi: 780
- Iscritto il: 22 gen 2011, 0:02
0
voti
Quindi (ipoteticamente parlando ?) qualcuno potrebbe chiarirmi l'installazione del Relè GW96916, in dettaglio sui pin 1-4.
I due schemi sono equivalenti, devi alimentare il relè ai pin 1 e 4 con una linea che non si distacchi con l'intervento del relè stesso, o direttamente dal generale o da qualsiasi interruttore presente sul centralino o espressamente dedicato al solo relè.
Saluti
0
voti
elettroigor ha scritto:Penso che la cosa corretta sarebbe spiegare dove lo vorresti installare e perché secondo te risolverebbe il problema. Esempio se hai una linea prese e una linea luce non mi sembrerebbe di grande utilità.
Ciao, grazie per la risposta.
Esatto, solo linea luci e prese. I miei dubbi sorgono proprio perché il carico non prioritario è tutta una linea protetta dal differenziale principale.
L'utilità non è massima come quella di avere carichi separati, ma comunque al superamento dei 4kW di potenza staccherebbe temporaneamente tutta la linea prese, evitando quindi di dover uscire fuori casa al contatore Enel.
Ovvero nel momento in cui si spengono tutti gli apparecchi collegati alla linea prese capisco che è intervenuto il relè, quindi inizio a staccare qualcosa.
Qualcuno in casa accende il phon con il forno in cucina acceso.. Interviene il relè e stacca tutta la linea prese mantendendo però la linea luci evitando di stare completamente al buio.
Chi si stava asciugando i capelli ha due cose da pensare:
- il phon si è rotto
- è intervenuto il relè
Basta che vada in camera e vede l'orologio spento e capisce che è la seconda opzione. (o qualsiasi altro esempio)
Senza considerare in tutto questo che il relè ha anche un cicalino. Magari chi si asciuga i capelli con il phon non lo sente, chi è in cucina con il forno acceso sì e quindi lo spegne subito.
giannid19 ha scritto:Quindi (ipoteticamente parlando ?) qualcuno potrebbe chiarirmi l'installazione del Relè GW96916, in dettaglio sui pin 1-4.
I due schemi sono equivalenti, devi alimentare il relè ai pin 1 e 4 con una linea che non si distacchi con l'intervento del relè stesso, o direttamente dal generale o da qualsiasi interruttore presente sul centralino o espressamente dedicato al solo relè.
Saluti
Ti ringrazio.
1 -> Neutro per alimentazione relè
4 -> Fase per alimetazione relè
7 -> Fase in per carico non prioritario
8 -> Fase out per carico non prioritario
Mentre i pin 5 e 6 li utilizza per conteggiare anche la potenza attiva assorbita dagli altri carichi oltre al prioritario ?
6 messaggi
• Pagina 1 di 1
Torna a Impianti, sicurezza e quadristica
Chi c’è in linea
Visitano il forum: Nessuno e 144 ospiti

Elettrotecnica e non solo (admin)
Un gatto tra gli elettroni (IsidoroKZ)
Esperienza e simulazioni (g.schgor)
Moleskine di un idraulico (RenzoDF)
Il Blog di ElectroYou (webmaster)
Idee microcontrollate (TardoFreak)
PICcoli grandi PICMicro (Paolino)
Il blog elettrico di carloc (carloc)
DirtEYblooog (dirtydeeds)
Di tutto... un po' (jordan20)
AK47 (lillo)
Esperienze elettroniche (marco438)
Telecomunicazioni musicali (clavicordo)
Automazione ed Elettronica (gustavo)
Direttive per la sicurezza (ErnestoCappelletti)
EYnfo dall'Alaska (mir)
Apriamo il quadro! (attilio)
H7-25 (asdf)
Passione Elettrica (massimob)
Elettroni a spasso (guidob)
Bloguerra (guerra)

