io li ho modificati mettendo un rel
modifica circuito lampada emergenza a led
Moderatori:
carloc,
g.schgor,
BrunoValente,
IsidoroKZ
38 messaggi
• Pagina 1 di 4 • 1, 2, 3, 4
0
voti
Ciao a tutti opremetto che io so soloe leggere lo schema e realizzarlo.
tTempo fa ho realizzato 3 circuiti che ho trovato in rete che ha fatto cavva23 il link http://www.cavva.it/index.php?option=co ... Itemid=107
io li ho modificati mettendo un rellè per collegare le strisce led e, altra modifica sul lm 317 collegato direttamente sul 12vV per portare l'uscita di carica batteria a 11vV . pPerchè ho messo 8 stilo ricaricabili invece di 4, iIl problema è che adesso si scaricano subito, penso sia percheè le pile siano sempre alimentate. aAdesso chiedo a voi esperti un enorme piacere, eè possibile realizzare un solo circuito, usando una batteria al piombo 12vV 6A utilizzanzo gia i componenti che ho usato. I trasformatori sono 12vV 10va VA e ne ho 4 le strisce led sono 12vV 23wW
io li ho modificati mettendo un rel
1
voti
Posta uno schema di quello che hai realizzato e cerca di descriverlo in italiano.
Comunque, con un trasformatore da 12V nominali, sara' difficile caricare una batteria da 12V.
Comunque, con un trasformatore da 12V nominali, sara' difficile caricare una batteria da 12V.
marco
0
voti
ok cavolo che errori
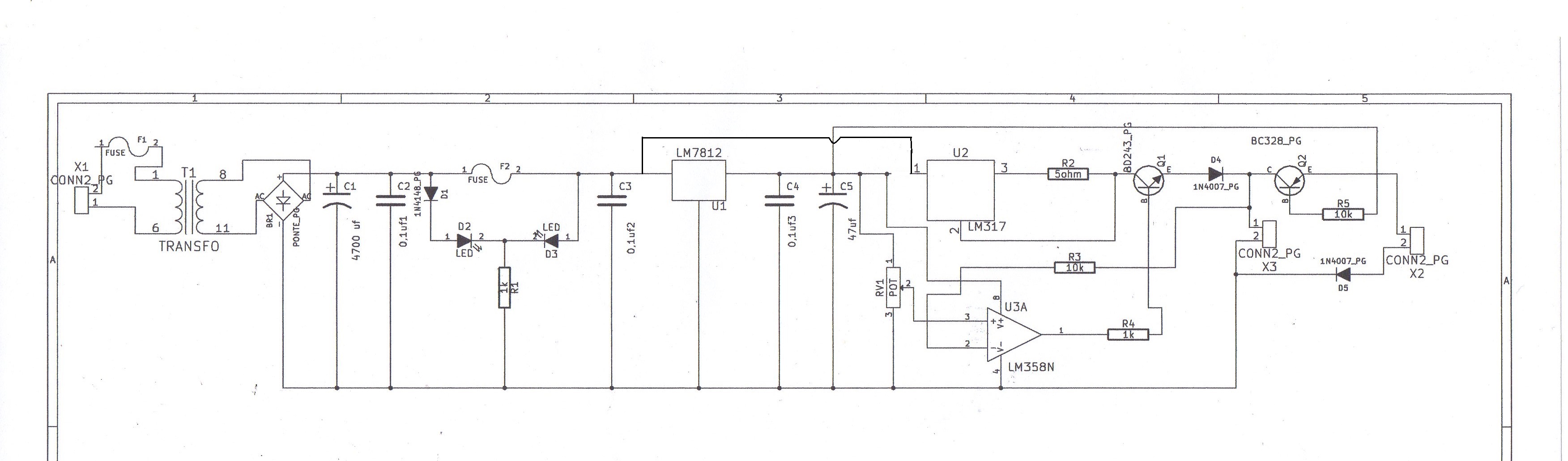
lo schema è inserito negli allegati.lo descrivo come chi lo ha progettato, il circuito carica le batterie e lei dice che poi ferma la carica quando le batterie sono cariche ma non è vero. quando viene a mancare la 220 V il circuito trammite i transitor commuta e le batterie alimentano i led. nello schema manca il relle sulla uscita
lo schema è inserito negli allegati.lo descrivo come chi lo ha progettato, il circuito carica le batterie e lei dice che poi ferma la carica quando le batterie sono cariche ma non è vero. quando viene a mancare la 220 V il circuito trammite i transitor commuta e le batterie alimentano i led. nello schema manca il relle sulla uscita
0
voti
adesso ho tre circuiti che alimentano tre strisce a led con tre pacchi di batteria a 8 stilo da 2600MA e non tengono piu' la carica. e per questo che ho chiesto a voi se è possibile fare un solo circuito, e utilizzare una batteria al piombo da 12V 6A, e che faccia la stessa , che in caso manchi la 220 V mi accenda le strische a led.
magari qualcuno lo ha gia' fatto
magari qualcuno lo ha gia' fatto
0
voti
steorai ha scritto:io li ho modificati mettendo un rellè per collegare le strisce LEDe, altra modifica sul lm 317 collegato direttamente sul 12vV per portare l'uscita di carica batteria a 11vV .pPerchè ho messo 8 stilo ricaricabili invece di 4,
Lo schema lo avevo gia' visto; quello che volevo vedere e' quello definitivo con le modifiche che tu hai apportato.
Puoi disegnarlo usando FidoCadJ (dopo aver letto le regole del forum).
Per quanto attiene il resto, collegando 8 batterie invece di 4, potrebbe venire a mancare la tensione e/o la corrente sufficiente per la ricarica, ma cio' non e' accertabile senza conoscere le modifiche effettuate e senza sapere che tipo di batterie hai impiegato.
P.S. Mancano anche le caratteristiche del trasformatore.
marco
0
voti
Concordo con quanto detto da
marco438, tra l'altro guardando lo schema non mi è chiara l'utilità di D1.
Secondo me può essere tolto.

Secondo me può essere tolto.

http://millefori.altervista.org
Tool gratuito per chi sviluppa su millefori.
Tutti sanno che una cosa è impossibile da realizzare, finché arriva uno sprovveduto che non lo sa e la inventa. (A. Einstein)
Se non c'e` un 555 non e` un buon progetto (IsidoroKZ)
Strumento per formule
Tool gratuito per chi sviluppa su millefori.
Tutti sanno che una cosa è impossibile da realizzare, finché arriva uno sprovveduto che non lo sa e la inventa. (A. Einstein)
Se non c'e` un 555 non e` un buon progetto (IsidoroKZ)
Strumento per formule
-

posta10100
5.550 4 10 13 - Master EY

- Messaggi: 4832
- Iscritto il: 5 nov 2006, 0:09
0
voti
ciao lo schema postato è quello che ho fatto io con kicad LM317 sul piedino di ingresso arriva diretto il 12V manca solo il relle in uscita. le pile sono 1.2V 2600MA il trasformatore 220 V 12V 10VA per il resto il circuito è uguale
0
voti
Misura con il tester la tensione in ingresso al LM317 quando le batterie sono collegate.
La prossima volta fallo con FidoCadj; permetterai cosi' agli altri di intervenire sullo schema per correzioni e modifiche senza doverlo ridisegnare (leggi le regole del forum).
steorai ha scritto:.....lo schema postato è quello che ho fatto io con kicad
La prossima volta fallo con FidoCadj; permetterai cosi' agli altri di intervenire sullo schema per correzioni e modifiche senza doverlo ridisegnare (leggi le regole del forum).
marco
0
voti
ciao scusa ma per il ritardo nel rispondere, i circuiti sono messi in un posto scomodo da raggiungere. allora al 317 arrivano 19V con le batterie collegate, e alle batterie arriva 11V
0
voti
qui c'è la foto del PCB che ho realizzato e le caratteristiche del trasformatore
- Allegati
-
- DSC_0022.JPG (99.58 KiB) Osservato 7085 volte
38 messaggi
• Pagina 1 di 4 • 1, 2, 3, 4
Chi c’è in linea
Visitano il forum: Nessuno e 78 ospiti

Elettrotecnica e non solo (admin)
Un gatto tra gli elettroni (IsidoroKZ)
Esperienza e simulazioni (g.schgor)
Moleskine di un idraulico (RenzoDF)
Il Blog di ElectroYou (webmaster)
Idee microcontrollate (TardoFreak)
PICcoli grandi PICMicro (Paolino)
Il blog elettrico di carloc (carloc)
DirtEYblooog (dirtydeeds)
Di tutto... un po' (jordan20)
AK47 (lillo)
Esperienze elettroniche (marco438)
Telecomunicazioni musicali (clavicordo)
Automazione ed Elettronica (gustavo)
Direttive per la sicurezza (ErnestoCappelletti)
EYnfo dall'Alaska (mir)
Apriamo il quadro! (attilio)
H7-25 (asdf)
Passione Elettrica (massimob)
Elettroni a spasso (guidob)
Bloguerra (guerra)


