Ciao a tutti, ho trovato questo schema circuitale e vorrei capire come funziona, mi potete aiutare ?
Cosa fa questo circuito ?
Moderatori:
carloc,
g.schgor,
BrunoValente,
IsidoroKZ
10 messaggi
• Pagina 1 di 1
0
voti
2
voti
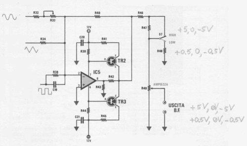
Ha tutta l'aria di essere un sommatore invertente.
Il blocco con i BJT (il push - pull), che va in retroazione, serve per erogare sul carico più corrente di quante ne può offrire l'operazionale.
Sempre che non abbia preso cantonate.
Il blocco con i BJT (il push - pull), che va in retroazione, serve per erogare sul carico più corrente di quante ne può offrire l'operazionale.
Sempre che non abbia preso cantonate.
2
voti
simo85 ha scritto:Ha tutta l'aria di essere un sommatore invertente. Il blocco con i BJT (il push - pull), che va in retroazione, serve per erogare sul carico più corrente di quante ne può offrire l'operazionale.
Già, e R40 chiude l' anello di retroazione (parallelo-parallelo: confronto in corrente-prelievo in tensione)
2
voti

"Non farei mai parte di un club che accettasse la mia iscrizione" (G. Marx)
-

claudiocedrone
21,3k 4 7 9 - Master EY

- Messaggi: 15300
- Iscritto il: 18 gen 2012, 13:36
2
voti
grazie claudiocedrone, gotthard, simo85 adesso mi informerò sui push-pull con BJT.
2
voti
claudiocedrone ha scritto::-) NE...
Si, me lo ricordo!
E' lo stadio di uscita del generatore di funzioni di Nuova Elettronica, LX740 rivista n.106.
Che tempi, andavo ancora a scuola 29 anni fa quando fu pubblicato.
Come faccio a ricordarmelo?
Lo uso ancora oggi!
Se quello che funziona basta non lo tocca' sennò te lassa!
1
voti
Quello non e` il solito buffer con collettore comune, ma uno stadio che esce di collettore con guadagno di tensione, in questo modo non si perde dinamica, anzi si aumenta la dinamica dell'operazionale fino quasi a farne un rail to rail.
Uscendo di collettore ha un guadagno di anello che dipende dal carico, e quindi anche possibili problemi di stabilita`, che in questo possono essere controllati dalla retroazione locale data da R42 ed R43. Inoltre il carico e` abbastanza costante, non sale mai a valori elevati, che sono i casi critici per questi amplificatori che escono di collettore.
Uscendo di collettore ha un guadagno di anello che dipende dal carico, e quindi anche possibili problemi di stabilita`, che in questo possono essere controllati dalla retroazione locale data da R42 ed R43. Inoltre il carico e` abbastanza costante, non sale mai a valori elevati, che sono i casi critici per questi amplificatori che escono di collettore.
Per usare proficuamente un simulatore, bisogna sapere molta più elettronica di lui
Plug it in - it works better!
Il 555 sta all'elettronica come Arduino all'informatica! (entrambi loro malgrado)
Se volete risposte rispondete a tutte le mie domande
Plug it in - it works better!
Il 555 sta all'elettronica come Arduino all'informatica! (entrambi loro malgrado)
Se volete risposte rispondete a tutte le mie domande
1
voti
dadituri ha scritto:Tutto ruotava intorno all'integrato XR2206 "monolithic function generator", che fa tutto...
Si è vero però ho dovuto faticare non poco per ottenere un onda sinusoidale accettabile.
Dato che le capacità parassite introdotte dalla lunghezza dei conduttori che portavano allo switch della selezione della forma d'onda provocavano una sorte di deformazione sulle estremità della sinusoide,
ho "accroccato" una specie di switch pilotando un fet praticamente saldato sui piedini dell XR2206.
Proprio come spiegato in una vecchia rivista di Elektor uscita alcuni anni prima della pubblicazione di NE.
Ad ogni modo il generatore di funzione in questione è ancora lì a fare il suo "sporco lavoro" dopo 29 anni di attività!
Se quello che funziona basta non lo tocca' sennò te lassa!
10 messaggi
• Pagina 1 di 1
Chi c’è in linea
Visitano il forum: Nessuno e 177 ospiti

Elettrotecnica e non solo (admin)
Un gatto tra gli elettroni (IsidoroKZ)
Esperienza e simulazioni (g.schgor)
Moleskine di un idraulico (RenzoDF)
Il Blog di ElectroYou (webmaster)
Idee microcontrollate (TardoFreak)
PICcoli grandi PICMicro (Paolino)
Il blog elettrico di carloc (carloc)
DirtEYblooog (dirtydeeds)
Di tutto... un po' (jordan20)
AK47 (lillo)
Esperienze elettroniche (marco438)
Telecomunicazioni musicali (clavicordo)
Automazione ed Elettronica (gustavo)
Direttive per la sicurezza (ErnestoCappelletti)
EYnfo dall'Alaska (mir)
Apriamo il quadro! (attilio)
H7-25 (asdf)
Passione Elettrica (massimob)
Elettroni a spasso (guidob)
Bloguerra (guerra)










