Ciao a tutti, devo collegare un altoparlante da 8 ohm 0.25 W ad una generatore di segnale sinusoidale che presenta un'impedenza d'uscita di 600 ohm ed un segnale sinusoidale che va da circa
0.6 V a 2.8 V secondo questo schema:
Come devo progettare il circuito tra sorgente sinusoidale e altoparlante ? Mi potete fornire un circuito semplice ?
Come collegare altoparlante a sorgente sinusoidale
Moderatore:
IsidoroKZ
8 messaggi
• Pagina 1 di 1
0
voti
Direi che un qualunque amplificatore audio di bassa potenza possa andare bene. In genere quei circuiti hanno una impedenza di ingresso sufficientemente alta da non sovraccaricare il generatore.
Un esempio potrebbe essere un amplificatore con LM386, guarda caratteristiche e schemi applicativi sul datasheet.
Un esempio potrebbe essere un amplificatore con LM386, guarda caratteristiche e schemi applicativi sul datasheet.
-

FedericoSibona
5.022 3 5 8 - Master

- Messaggi: 3951
- Iscritto il: 19 mar 2013, 11:43
0
voti
La soluzione consigliata da Federico è quella più corretta, ma se ci dai qualche informazione in piu forse ci sono soluzioni più semplici, ad esempio collegandolo direttamente produrrà comunque un suono udibile..
qual è la frequenza della sinusoide?
Quale sarà l'uso?
È importante che il segnale non sia distorto?
La pressione acustica richiesta?
qual è la frequenza della sinusoide?
Quale sarà l'uso?
È importante che il segnale non sia distorto?
La pressione acustica richiesta?
-

SediciAmpere
4.187 5 5 8 - Master

- Messaggi: 4846
- Iscritto il: 31 ott 2013, 15:00
0
voti
Grazie FedericoSibona e SediciAmpere, avete ragione mi sono dimenticato di fornire altre informazioni.
1- frequenza del generatore sinusoidale: 10Hz - 100kHz
2- l'uso del generatore è quello di poter effettuare una misurazione della distorsione di una capsula
microfonica ad elettrete nel range delle frequenze udibili. Ecco il motivo di collegare un
altoparlante al generatore sinusoidale.
3- è importante che il segnale in uscita dall'altoparlante sia priva di distorsione, ossia sia uguale a
quella del generatore sinusoidale.
1- frequenza del generatore sinusoidale: 10Hz - 100kHz
2- l'uso del generatore è quello di poter effettuare una misurazione della distorsione di una capsula
microfonica ad elettrete nel range delle frequenze udibili. Ecco il motivo di collegare un
altoparlante al generatore sinusoidale.
3- è importante che il segnale in uscita dall'altoparlante sia priva di distorsione, ossia sia uguale a
quella del generatore sinusoidale.
0
voti
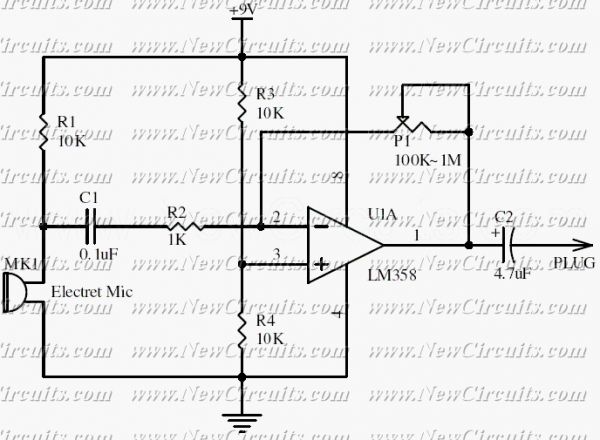
Tutto sto tranbusto, per poi realizzare un preamplificatore microfonico in grado di rilevare frequenze udibili (10Hz - 10kHz)
0
voti
Il circuito era questo:
(vedere post "Come progettare un circuito per audio frequenza")
(vedere post "Come progettare un circuito per audio frequenza")
0
voti
Allora nessuno mi può dare una mano ?
0
voti
Su questo forum chi e' in grado di intervenire lo fa solo quando ne ha il tempo e la voglia.
I solleciti (anche ripetuti) non sono graditi.
I solleciti (anche ripetuti) non sono graditi.
marco
8 messaggi
• Pagina 1 di 1
Torna a Elettronica e spettacolo
Chi c’è in linea
Visitano il forum: Nessuno e 7 ospiti

Elettrotecnica e non solo (admin)
Un gatto tra gli elettroni (IsidoroKZ)
Esperienza e simulazioni (g.schgor)
Moleskine di un idraulico (RenzoDF)
Il Blog di ElectroYou (webmaster)
Idee microcontrollate (TardoFreak)
PICcoli grandi PICMicro (Paolino)
Il blog elettrico di carloc (carloc)
DirtEYblooog (dirtydeeds)
Di tutto... un po' (jordan20)
AK47 (lillo)
Esperienze elettroniche (marco438)
Telecomunicazioni musicali (clavicordo)
Automazione ed Elettronica (gustavo)
Direttive per la sicurezza (ErnestoCappelletti)
EYnfo dall'Alaska (mir)
Apriamo il quadro! (attilio)
H7-25 (asdf)
Passione Elettrica (massimob)
Elettroni a spasso (guidob)
Bloguerra (guerra)


