strana configurazione di un Ampli di potenza
Moderatori:
carloc,
g.schgor,
BrunoValente,
IsidoroKZ
22 messaggi
• Pagina 1 di 3 • 1, 2, 3
0
voti
Buongiorno a tutti,
qualche giorno fa, parlando coi colleghi di circuiti realizzati in casa, mi è stato posto un quesito interessante:
un mio collega in possesso di un databook (storico!) della allora SGS Thomson aveva realizzato un amplificatore con un TDA2030 e, siccome la potenza non è mai troppa, aveva seguito lo schema per realizzare un ulteriore finale di potenza (come da immagine allegata).
Il circuito in questione però non ha mai funzionato a dovere. Il TDA2030 è sempre stato molto caldo, ed i BJT congelati!
Quando ho visto lo schema (che non è più stato riportato nei datasheet della attuale ST Microelectronics) sono rimasto perplesso.
Non riesco infatti a capire per quale motivo l'uscita del TDA sia stata connessa ai collettori dei BJT, e come esattamente questi vengano pilotati.
La mia unica ipotesi è che vengano pilotati dalla caduta di tensione sulle resistenze da 1,5 ohm, causata da un grosso assorbimento di corrente.
Qualcuno ha qualche idea?
Il progetto è stato abbandonato da tempo, ma vorremmo levarci il tarlo.
Grazie a tutti!
qualche giorno fa, parlando coi colleghi di circuiti realizzati in casa, mi è stato posto un quesito interessante:
un mio collega in possesso di un databook (storico!) della allora SGS Thomson aveva realizzato un amplificatore con un TDA2030 e, siccome la potenza non è mai troppa, aveva seguito lo schema per realizzare un ulteriore finale di potenza (come da immagine allegata).
Il circuito in questione però non ha mai funzionato a dovere. Il TDA2030 è sempre stato molto caldo, ed i BJT congelati!
Quando ho visto lo schema (che non è più stato riportato nei datasheet della attuale ST Microelectronics) sono rimasto perplesso.
Non riesco infatti a capire per quale motivo l'uscita del TDA sia stata connessa ai collettori dei BJT, e come esattamente questi vengano pilotati.
La mia unica ipotesi è che vengano pilotati dalla caduta di tensione sulle resistenze da 1,5 ohm, causata da un grosso assorbimento di corrente.
Qualcuno ha qualche idea?
Il progetto è stato abbandonato da tempo, ma vorremmo levarci il tarlo.
Grazie a tutti!
0
voti
StefDrums ha scritto:La mia unica ipotesi è che vengano pilotati dalla caduta di tensione sulle resistenze da 1,5 ohm, causata da un grosso assorbimento di corrente.
Proprio così, i BJT intervengono di rincalzo in soccorso all'integrato appena la soglia di corrente viene superata. Sospetterei una forte distorsione.
0
voti
Ne ho realizzati diversi esemplari ma alimentati con tensione duale.
L'unica differenza, a parte il partitore resistivo per dare polarizzazione al piedino non invertente, è che ho messo un condensatore in parallelo alla resistenza di contro reazione per limitare la banda passante ed evitare autoscillazioni.
L'unica differenza, a parte il partitore resistivo per dare polarizzazione al piedino non invertente, è che ho messo un condensatore in parallelo alla resistenza di contro reazione per limitare la banda passante ed evitare autoscillazioni.
Se quello che funziona basta non lo tocca' sennò te lassa!
5
voti
Sì, è un metodo ben conosciuto e che funziona.
La distorsione non è alta, di certo non è udibile se non si fa saturare, la controreazione aiuta molto.
Come ti hanno già detto funziona proprio come hai intuito: quando le cadute su R6 e R7 superano la soglia di inizio conduzione dei transistor, questi soccorrono il TDA2030.
Quindi, se il segnale è debole e la corrente al carico non supera un certo valore, allora il carico è alimentato dall'integrato come se i transistor non ci fossero, quando invece il segnale è ampio i transistor vanno in funzione.
Ovviamente se il carico è assente, i transistor non conducono neanche per segnali ampi.
Nel tuo caso i transistor intervengono per una corrente assorbita dall'integrato di circa 0.4A e quindi non dovrebbe scaldare, evidentemente i transistor non vanno in conduzione o sono rotti.
Se hai un oscilloscopio puoi verificare facilmente.
La distorsione non è alta, di certo non è udibile se non si fa saturare, la controreazione aiuta molto.
Come ti hanno già detto funziona proprio come hai intuito: quando le cadute su R6 e R7 superano la soglia di inizio conduzione dei transistor, questi soccorrono il TDA2030.
Quindi, se il segnale è debole e la corrente al carico non supera un certo valore, allora il carico è alimentato dall'integrato come se i transistor non ci fossero, quando invece il segnale è ampio i transistor vanno in funzione.
Ovviamente se il carico è assente, i transistor non conducono neanche per segnali ampi.
Nel tuo caso i transistor intervengono per una corrente assorbita dall'integrato di circa 0.4A e quindi non dovrebbe scaldare, evidentemente i transistor non vanno in conduzione o sono rotti.
Se hai un oscilloscopio puoi verificare facilmente.
-

BrunoValente
39,6k 7 11 13 - G.Master EY

- Messaggi: 7796
- Iscritto il: 8 mag 2007, 14:48
11
voti
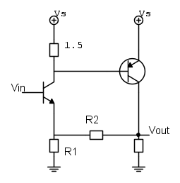
Questo e` il circuito equivalente in cui ho messo in evidenza i due transistori finali che sono dentro all'amplificatore integrato.
Il circuito che risulta, per la meta` di sopra, puo` essere ancora disegnato cosi` e la configurazione nel libro di Millman e` chiamata second collector to first emitter feedback. Al solito il primo transistor e` quello originale dentro all'integrato, il secondo e` quello aggiunto di fuori. La coppia di transistori e` in pratica un emitter follower con un guadagno di circa 1 (scarso!).
Se si guarda bene la configurazione dei due transistori, si vede che sono in configurazione Sziklai, oppure anche detta Darlington complementare o ancora CFP (Complementary Feedback Pair).
Un circuito come quello che ha proposto ST aumenta la corrente disponibile, ma non aumenta la massima tensione di uscita, dato che il guadagno di tensione e` minore di 1. Se si vuole recuperare ancora un po' di potenza facendo salire la tensione di uscita molto vicino alla tensione di alimentazione, si fanno guadagnare i transistori messi di fuori, per mezzo di una retroazione locale fatta da R2 ed R1
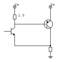
e questa modifica sul circuito equivalente diventa
Il guadagno asintotico di quei due transistori vale 1+R2/R1 e questo permette di recuperare un po' di dinamica facendo quasi saturare i transistori aggiunti e quindi facendo quasi raggiungere alla tensione di uscita il valore della tensione di alimentazione.
Il circuito che risulta, per la meta` di sopra, puo` essere ancora disegnato cosi` e la configurazione nel libro di Millman e` chiamata second collector to first emitter feedback. Al solito il primo transistor e` quello originale dentro all'integrato, il secondo e` quello aggiunto di fuori. La coppia di transistori e` in pratica un emitter follower con un guadagno di circa 1 (scarso!).
Se si guarda bene la configurazione dei due transistori, si vede che sono in configurazione Sziklai, oppure anche detta Darlington complementare o ancora CFP (Complementary Feedback Pair).
Un circuito come quello che ha proposto ST aumenta la corrente disponibile, ma non aumenta la massima tensione di uscita, dato che il guadagno di tensione e` minore di 1. Se si vuole recuperare ancora un po' di potenza facendo salire la tensione di uscita molto vicino alla tensione di alimentazione, si fanno guadagnare i transistori messi di fuori, per mezzo di una retroazione locale fatta da R2 ed R1
e questa modifica sul circuito equivalente diventa
Il guadagno asintotico di quei due transistori vale 1+R2/R1 e questo permette di recuperare un po' di dinamica facendo quasi saturare i transistori aggiunti e quindi facendo quasi raggiungere alla tensione di uscita il valore della tensione di alimentazione.
Per usare proficuamente un simulatore, bisogna sapere molta più elettronica di lui
Plug it in - it works better!
Il 555 sta all'elettronica come Arduino all'informatica! (entrambi loro malgrado)
Se volete risposte rispondete a tutte le mie domande
Plug it in - it works better!
Il 555 sta all'elettronica come Arduino all'informatica! (entrambi loro malgrado)
Se volete risposte rispondete a tutte le mie domande
8
voti
..della serie "l'appetito vien mangiando",
mi è venuto in mente questo coso con il quale mi pare si possa raggiungere facilmente qualsiasi potenza.
La tensione di alimentazione dei finali sarebbe più alta di quella dell'integrato di quanto si vuole, basta dimensionare il tutto correttamente.
La tensione di alimentazione dei finali sarebbe più alta di quella dell'integrato di quanto si vuole, basta dimensionare il tutto correttamente.
-

BrunoValente
39,6k 7 11 13 - G.Master EY

- Messaggi: 7796
- Iscritto il: 8 mag 2007, 14:48
4
voti
Con quella configurazione a cascode si puo` salire di parecchio con la tensione.
E` una soluzione nota e usata in qualche caso, specie nel passato quando gli oparazionali ad alta tensione non erano disponibili.
E` una soluzione nota e usata in qualche caso, specie nel passato quando gli oparazionali ad alta tensione non erano disponibili.
Per usare proficuamente un simulatore, bisogna sapere molta più elettronica di lui
Plug it in - it works better!
Il 555 sta all'elettronica come Arduino all'informatica! (entrambi loro malgrado)
Se volete risposte rispondete a tutte le mie domande
Plug it in - it works better!
Il 555 sta all'elettronica come Arduino all'informatica! (entrambi loro malgrado)
Se volete risposte rispondete a tutte le mie domande
2
voti
Azz.. credevo di aver fatto la più grande invenzione del secolo! 
Però non mi pare di averla vista sfruttata per gli amplificatori audio.
Però non mi pare di averla vista sfruttata per gli amplificatori audio.
-

BrunoValente
39,6k 7 11 13 - G.Master EY

- Messaggi: 7796
- Iscritto il: 8 mag 2007, 14:48
1
voti
Beh l'hai fatta! Siine felice. Sei solo nato troppo tardi
.
Per usare proficuamente un simulatore, bisogna sapere molta più elettronica di lui
Plug it in - it works better!
Il 555 sta all'elettronica come Arduino all'informatica! (entrambi loro malgrado)
Se volete risposte rispondete a tutte le mie domande
Plug it in - it works better!
Il 555 sta all'elettronica come Arduino all'informatica! (entrambi loro malgrado)
Se volete risposte rispondete a tutte le mie domande
22 messaggi
• Pagina 1 di 3 • 1, 2, 3
Chi c’è in linea
Visitano il forum: Nessuno e 81 ospiti

Elettrotecnica e non solo (admin)
Un gatto tra gli elettroni (IsidoroKZ)
Esperienza e simulazioni (g.schgor)
Moleskine di un idraulico (RenzoDF)
Il Blog di ElectroYou (webmaster)
Idee microcontrollate (TardoFreak)
PICcoli grandi PICMicro (Paolino)
Il blog elettrico di carloc (carloc)
DirtEYblooog (dirtydeeds)
Di tutto... un po' (jordan20)
AK47 (lillo)
Esperienze elettroniche (marco438)
Telecomunicazioni musicali (clavicordo)
Automazione ed Elettronica (gustavo)
Direttive per la sicurezza (ErnestoCappelletti)
EYnfo dall'Alaska (mir)
Apriamo il quadro! (attilio)
H7-25 (asdf)
Passione Elettrica (massimob)
Elettroni a spasso (guidob)
Bloguerra (guerra)












