Salve a tutti,dovrei realizzare questo "strano EQ"... Si tratta di un effettiera esterna per dj/chitarre,
in pratica tramite un solo potenziometro,mando in uscita o solo le frequenze basse o solo le frequenze alte,,,ma anche le intermedie...
Più semplicemente:
Potenziometro tutto a Sinistra = 20 Hz
Potenziometro a Centro = Manda in uscita tutte le frequenze
Potenziometro tutto a Destra = 22 kHz
Qualcuno potrebbe aiutarmi nella realizzazione del filtro? anche implementando un Op Amp...
Equalizzatore da 20 Hz e 22Khz
Moderatori:
carloc,
g.schgor,
BrunoValente,
IsidoroKZ
12 messaggi
• Pagina 1 di 2 • 1, 2
0
voti
praticamente al centro fa passare tutte le frequenza da 20Hz a 22kHz , nella porzione sinistra inserisce un filtro passa-basso con frequenza variabile a partire da 20Hz e nella porzione destra della corsa inserisce un filtro passa-alto che taglia i bassi fino a un massimo di 22kHz
Giusto?
Ora ci penso a come si può fare
Giusto?
Ora ci penso a come si può fare
-

SediciAmpere
4.187 5 5 8 - Master

- Messaggi: 4847
- Iscritto il: 31 ott 2013, 15:00
0
voti
SediciAmpere ha scritto:praticamente al centro fa passare tutte le frequenza da 20Hz a 22kHz , nella porzione sinistra inserisce un filtro passa-basso con frequenza variabile a partire da 20Hz e nella porzione destra della corsa inserisce un filtro passa-alto che taglia i bassi fino a un massimo di 22kHz
Giusto?
Oppure un passabanda sintonizzabile e a Q variabile?
In sostanza,
Ora ci penso a come si può fare
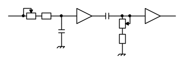
Io, nella mia bruttura digitale, digitalizzerei sia segnale che posizione del potenziometro e implementerei un FIR in una piccola FPGA. I coefficienti vengono caricati a dipendenza della posizione del potenziometro. All'uscita, ovviamente, un DAC. Mi rendo contro che in quanto a attrezzatura necessaria non è molto hobby-friendly.
In analogico (nel quale sono una bestia), proverei a fare un passa basso e un passa alto separati, la cui frequenza di taglio viene gestita da due sezioni di un potenziometro triplo. Le uscite dei due filtri vanno tramite due analog-switches ad un op-amp che ne fa la somma. La terza sezione del potenziometro serve a commutare, tramite un comparatore, gli analog-switches (potenziometro a sinistra -> solo passa basso attivo, dalle parti del centro -> ambedue attivi, a destra -> solo passa alto).
Sono ancora sotto l'influsso della birra prandiale domenicale, non è detto che funzioni
Boiler
Aggiunta: se la commutazione ad opera dei comparatori dovesse risultare sgradevole all'orecchio, si possono sostituire gli switches con due VGA.
0
voti
Ciao ragazzi,e grazie delle risposte...
SediciAmperesi giusto...
boiler Voglio ottenere la Variante A...in quanto la variante B nel caso il potenziometro si trovi tutto a destra otterrei un full range...
PS:come strumentazione di laboratorio ho oscilloscopio tester e alimentatore stabilizzato...
PS:come strumentazione di laboratorio ho oscilloscopio tester e alimentatore stabilizzato...
-

carlomusumeci
353 5 7 - Sostenitore

- Messaggi: 526
- Iscritto il: 8 apr 2011, 0:35
0
voti
l'arte di trasformare il suono in rumore 
potenziometro:
anche se si trovano facilmente pot. come questo
in cui il centro è 'bloccabile' ed ha resistenza 0
consiglio vivamente la versione 'a slitta'
e ancora meglio due slitte azionate da un unico cursore
potenziometro:
anche se si trovano facilmente pot. come questo
in cui il centro è 'bloccabile' ed ha resistenza 0
consiglio vivamente la versione 'a slitta'
e ancora meglio due slitte azionate da un unico cursore
E l’uomo si addormentò e nel sogno creò il mondo
0
voti
eAlucarD ha scritto:l'arte di trasformare il suono in rumore
potenziometro:
anche se si trovano facilmente pot. come questo
in cui il centro è 'bloccabile' ed ha resistenza 0
consiglio vivamente la versione 'a slitta'
Bellissima la prima frase
Ottima l'idea dello 0 al centro e "bloccabile lievemente"...credo di aver capito a quale potenziometro ti riferisci...
anche se...nella mia zona di difficile reperibilita...
-

carlomusumeci
353 5 7 - Sostenitore

- Messaggi: 526
- Iscritto il: 8 apr 2011, 0:35
0
voti
questa è l'unica cosa che mi è venuta in mente, ma non si può fare, ci vorrebbe un potenziometro "più logaritmico"
i potenziometri logaritmici a metà corsa hanno un valore del 15% della resistenza tra gli estremi, per fare quello che ti serve ci vorrebbe un potenziometro che a metà corsa fosse 1‰
i potenziometri logaritmici a metà corsa hanno un valore del 15% della resistenza tra gli estremi, per fare quello che ti serve ci vorrebbe un potenziometro che a metà corsa fosse 1‰
-

SediciAmpere
4.187 5 5 8 - Master

- Messaggi: 4847
- Iscritto il: 31 ott 2013, 15:00
0
voti
Grazie dell'interesse
SediciAmpere,esattamente proprio questo....e se si utilizzasse un potenziometro lineare? in modo che al centro si ha il 50 % della resistenza?
-

carlomusumeci
353 5 7 - Sostenitore

- Messaggi: 526
- Iscritto il: 8 apr 2011, 0:35
0
voti
P.s. Poi mi spiegherai cosa intendi con DJ e chitarre...
"Non farei mai parte di un club che accettasse la mia iscrizione" (G. Marx)
-

claudiocedrone
21,3k 4 7 9 - Master EY

- Messaggi: 15300
- Iscritto il: 18 gen 2012, 13:36
12 messaggi
• Pagina 1 di 2 • 1, 2
Chi c’è in linea
Visitano il forum: Nessuno e 77 ospiti

Elettrotecnica e non solo (admin)
Un gatto tra gli elettroni (IsidoroKZ)
Esperienza e simulazioni (g.schgor)
Moleskine di un idraulico (RenzoDF)
Il Blog di ElectroYou (webmaster)
Idee microcontrollate (TardoFreak)
PICcoli grandi PICMicro (Paolino)
Il blog elettrico di carloc (carloc)
DirtEYblooog (dirtydeeds)
Di tutto... un po' (jordan20)
AK47 (lillo)
Esperienze elettroniche (marco438)
Telecomunicazioni musicali (clavicordo)
Automazione ed Elettronica (gustavo)
Direttive per la sicurezza (ErnestoCappelletti)
EYnfo dall'Alaska (mir)
Apriamo il quadro! (attilio)
H7-25 (asdf)
Passione Elettrica (massimob)
Elettroni a spasso (guidob)
Bloguerra (guerra)






