Sto facendo delle simulazioni a computer di un circuito, tutto sembra funzionare a dovere, tranne una cosa.
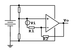
Ho un circuito fatto più o meno in questo modo:
dove in pratica, scegliendo un opportuno guadagno amplifico la tensione differenziale del ponte (come si è soliti fare), e la tensione di alimentazione dell'amplificatore è single supply 5V. Il problema è che quando l'uscita del ponte assume valori negativi l'amplificatore amplifica questi valori in maniera corretta (cioè del giusto guadagno), ottenendo in uscita valori positivi. Quando invece l'uscita del ponte assume valori positivi l'amplificatore non amplifica per niente, ottenendo comunque valori positivi in uscita all'amplificatore ma vicini allo zero (perché è single supply).
Com'è possibile un comportamento del genere? Io mi aspetterei che valori positivi in uscita del ponte vengano amplificati (in base al guadagno) ottenendo valori positivi in uscita all'amplificatore,e ciò non avviene (nessuna amplificazione), e che valori negativi in uscita al ponte fanno sì che l'uscita dell'amplificatore si mantenga il più possibile vicino allo zero, ma comunque rimanendo sempre sopra lo zero e non sotto!
La mia è una domanda di carattere generale... A cosa può esser dovuto un simile comportamento?

Elettrotecnica e non solo (admin)
Un gatto tra gli elettroni (IsidoroKZ)
Esperienza e simulazioni (g.schgor)
Moleskine di un idraulico (RenzoDF)
Il Blog di ElectroYou (webmaster)
Idee microcontrollate (TardoFreak)
PICcoli grandi PICMicro (Paolino)
Il blog elettrico di carloc (carloc)
DirtEYblooog (dirtydeeds)
Di tutto... un po' (jordan20)
AK47 (lillo)
Esperienze elettroniche (marco438)
Telecomunicazioni musicali (clavicordo)
Automazione ed Elettronica (gustavo)
Direttive per la sicurezza (ErnestoCappelletti)
EYnfo dall'Alaska (mir)
Apriamo il quadro! (attilio)
H7-25 (asdf)
Passione Elettrica (massimob)
Elettroni a spasso (guidob)
Bloguerra (guerra)




