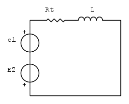
mi sto dannando con il seguente circuito:

Per la prima parte della soluzione (t<0) mi trovo, per t>= 0 manco per il cavolo.
L'esponente della e mi viene uguale a -80t, mentre il coefficiente 0,09 (lui 0,9). Qualcuno potrebbe controllare se sto sbagliando io o il libro? Grazie.
p.s.: vedo ora che l'immagine non viene visualizzata correttamente, premeteci su col tasto destro e fate "apri immagine in un'altra scheda".

Elettrotecnica e non solo (admin)
Un gatto tra gli elettroni (IsidoroKZ)
Esperienza e simulazioni (g.schgor)
Moleskine di un idraulico (RenzoDF)
Il Blog di ElectroYou (webmaster)
Idee microcontrollate (TardoFreak)
PICcoli grandi PICMicro (Paolino)
Il blog elettrico di carloc (carloc)
DirtEYblooog (dirtydeeds)
Di tutto... un po' (jordan20)
AK47 (lillo)
Esperienze elettroniche (marco438)
Telecomunicazioni musicali (clavicordo)
Automazione ed Elettronica (gustavo)
Direttive per la sicurezza (ErnestoCappelletti)
EYnfo dall'Alaska (mir)
Apriamo il quadro! (attilio)
H7-25 (asdf)
Passione Elettrica (massimob)
Elettroni a spasso (guidob)
Bloguerra (guerra)
, per cui utilizzando la soluzione del libro verrebbe



, e 

.
e
.
e fase
, come viene anche a te.
), la costante di tempo da considerare è
, il cui inverso è
. Per il coefficiente dell'esponeziale invece basta imporre
, ottenendo
. Per cui direi che il tuo risultato è quello corretto! 