
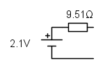
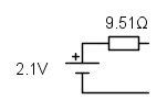
Utilizzando il modello a caduta di tensione costante, vedendo che i diodi sono in polarizzazione diretta, si calcola la corrente Id che scorre sul resistore da 1kOhm e quindi anche sulla serie dei tre diodi. Essa risulta 7.9mA.
La resistenza di piccolo segnale in corrispondenza di ogni singolo diodo della serie è calcolata come Vt/Id = 25/7.9 = 3.2Ohm. Quindi la resistenza totale da sostituire alla serie di tre diodi nel modello per piccolo segnale è, chiaramente, 3*(3.2Ohm) = 9.6Ohm.
Tutto questo senza considerare un carico collegato.
Nel momento in cui si collega il carico, varia la corrente sulla serie di diodi. Infatti la tensione sui diodi è sempre 2.1V secondo il modello a caduta di tensione costante. Questa tensione si presenta anche sul resistore di carico da 1kOhm su cui quindi si genera una corrente di 2.1mA. La corrente sul resistore da 1KOhm non varia, dato che il potenziale al nodo sottostante rimane 2.1V, mentre alla corrente sulla serie di diodi viene sottratta la corrente del resistore di carico.
A questo punto sorge il mio dubbio. Quando si collega il carico, varia la corrente sulla serie dei diodi (quindi su ogni diodo). Ma non varia anche la resistenza di piccolo segnale (Vt/Id), dato che varia la Id al denominatore?
Sul libro dice
"Conseguentemente la corrente sui diodi decresce di 2.1 mA portando ad una diminuzione della tensione ai capi della serie dei diodi data da:

Non capisco perché, in questa formula, viene considerata la resistenza calcolata con la corrente sui diodi SENZA IL CARICO, quando il carico FA VARIARE LA Id AL DENOMINATORE della formula per la resistenza di piccolo segnale!!
Sono mesi che ci sbatto la testa e nonostante ho ripetuto i diodi fino allo sfinimento, questo problema non sono ancora riuscito a capirlo!
(Il libro è il Sedra Smith, 4a ed. italiana, 6a inglese -> esempio 3.6 a pagina 178)

Elettrotecnica e non solo (admin)
Un gatto tra gli elettroni (IsidoroKZ)
Esperienza e simulazioni (g.schgor)
Moleskine di un idraulico (RenzoDF)
Il Blog di ElectroYou (webmaster)
Idee microcontrollate (TardoFreak)
PICcoli grandi PICMicro (Paolino)
Il blog elettrico di carloc (carloc)
DirtEYblooog (dirtydeeds)
Di tutto... un po' (jordan20)
AK47 (lillo)
Esperienze elettroniche (marco438)
Telecomunicazioni musicali (clavicordo)
Automazione ed Elettronica (gustavo)
Direttive per la sicurezza (ErnestoCappelletti)
EYnfo dall'Alaska (mir)
Apriamo il quadro! (attilio)
H7-25 (asdf)
Passione Elettrica (massimob)
Elettroni a spasso (guidob)
Bloguerra (guerra)


).

da cui si ottiene
. Ora che si ha il modello del diodo, di cerca l'equivalente Thevenin di tutto quello che c'e` fuori dai diodi, compresa la resistenza di carico, e si ha la parte sinistra di questo schema, cui si collegano i tre diodi (parte destra del disegno) che sono caratterizzati da un modello esponenziale con
e 

