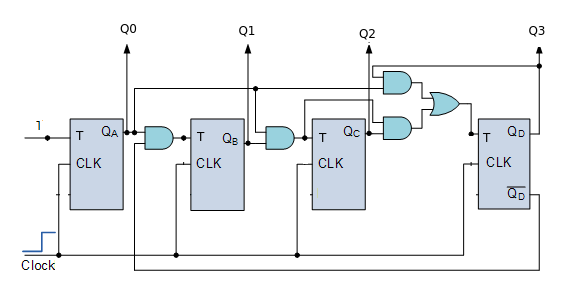
Il mio problema è che riesco a capire come funziona ma quando nella pratica osservo lo schema mi riesce difficile capire del perché utilizza in quel modo le porte . Per dire realizziamo un contatore sincrono modulo 10 , la parola sincrono significa che le uscite commutano contemporaneamente in risposta al segnale di clock. Decido di considerare un contatore modulo 16 e di modificarlo per farlo ripartire una volta arrivato alla configurazione 1001
Ci sarà un segnale enable(E) che una volta attivo mi abilità il conteggio , con E=1
q3 q2 q1 q0
0 0 0 0
0 0 0 1
0 0 1 0
0 0 1 1
0 1 0 0
0 1 0 1
0 1 1 0
0 1 1 1
1 0 0 0
1 0 0 1
- - - -
0 0 0 0
Dalla tabella noto che il bit q0 deve sempre commutare , q1 deve sempre commutare come
un modulo 16 tranne quando abbiamo 1001 che deve fermarsi. ( come si fa a fermarlo?) , q2 segue quella del modulo 16 , q3 anche tranne nella configurazione 1001 in cui deve commutare . Il mio problema si presenta adesso , so che potete prendermi per banale ma sono alle prime armi con questa materia e non capisco come far accadere quello che affermo sopra.
Vi allego il circuito e spero in una risposta , perché secondo me una volta capite le cose risulta
tutto molto piu semplice. Grazue a tutti!!
Contatore sincrono modulo 10
Moderatori:
carloc,
g.schgor,
BrunoValente,
IsidoroKZ
3 messaggi
• Pagina 1 di 1
1
voti
Lo schema riporta un generico T-FlipFlop. Se vuoi realizzarlo
consiglio di utilizzare integrati della serie CMOS 4000,
in particolare il 4027 (dual JK_FF)
Penso possa essere utile questo video:
consiglio di utilizzare integrati della serie CMOS 4000,
in particolare il 4027 (dual JK_FF)
Penso possa essere utile questo video:
0
voti
Giaco26 ha scritto: q1 deve sempre commutare come
un modulo 16 tranne quando abbiamo 1001 che deve fermarsi. ( come si fa a fermarlo?) ,
Per fermare un FF di tipo T, in modo che non commuti quando gli arriva il fronte di clock, bisogna mettere T=0. Se T e` alto il FF commuta a ogni colpo di clock. Se T e` a livello basso, il flip flop rimane fermo.
E ora le brutte notizie: i FF di tipo T non esistono, non li fabbricano come invece fanno con i D e i JK. Quindi se vuoi studiare un circuito e pensi di realizzarlo, meglio andare sui JK, come ti ha mostrato
I FF di tipo JK se li piloti con J=K si comportano come dei T. Se J=K=0 il FF sta fermo, se J=K=1 il FF commuta, proprio come un T. Pero` ci sono anche i comandi J=0, K=1 oppure J=1 e K=0 che rendono il JK piu` flessibile e piu` facile da usare in termini di numero di porte esterne.
Per usare proficuamente un simulatore, bisogna sapere molta più elettronica di lui
Plug it in - it works better!
Il 555 sta all'elettronica come Arduino all'informatica! (entrambi loro malgrado)
Se volete risposte rispondete a tutte le mie domande
Plug it in - it works better!
Il 555 sta all'elettronica come Arduino all'informatica! (entrambi loro malgrado)
Se volete risposte rispondete a tutte le mie domande
3 messaggi
• Pagina 1 di 1
Chi c’è in linea
Visitano il forum: Nessuno e 23 ospiti

Elettrotecnica e non solo (admin)
Un gatto tra gli elettroni (IsidoroKZ)
Esperienza e simulazioni (g.schgor)
Moleskine di un idraulico (RenzoDF)
Il Blog di ElectroYou (webmaster)
Idee microcontrollate (TardoFreak)
PICcoli grandi PICMicro (Paolino)
Il blog elettrico di carloc (carloc)
DirtEYblooog (dirtydeeds)
Di tutto... un po' (jordan20)
AK47 (lillo)
Esperienze elettroniche (marco438)
Telecomunicazioni musicali (clavicordo)
Automazione ed Elettronica (gustavo)
Direttive per la sicurezza (ErnestoCappelletti)
EYnfo dall'Alaska (mir)
Apriamo il quadro! (attilio)
H7-25 (asdf)
Passione Elettrica (massimob)
Elettroni a spasso (guidob)
Bloguerra (guerra)


