Salve a tutti spero di aver postato nella sezione giusta, vi spiego il mio problema...
Dovevo realizzare un collegamento tra un pacco batterie ad alta tensione ( min 280V ma 380 V ) e un sistema in bassa tensione uscita a 13.8 volt , con isolamento galvanico, 600w , 43.5 A.
On line ho acquistato un convertiore della Vicor che rispettasse tutti i requisiti, ora il punto è come collegare il tutto.
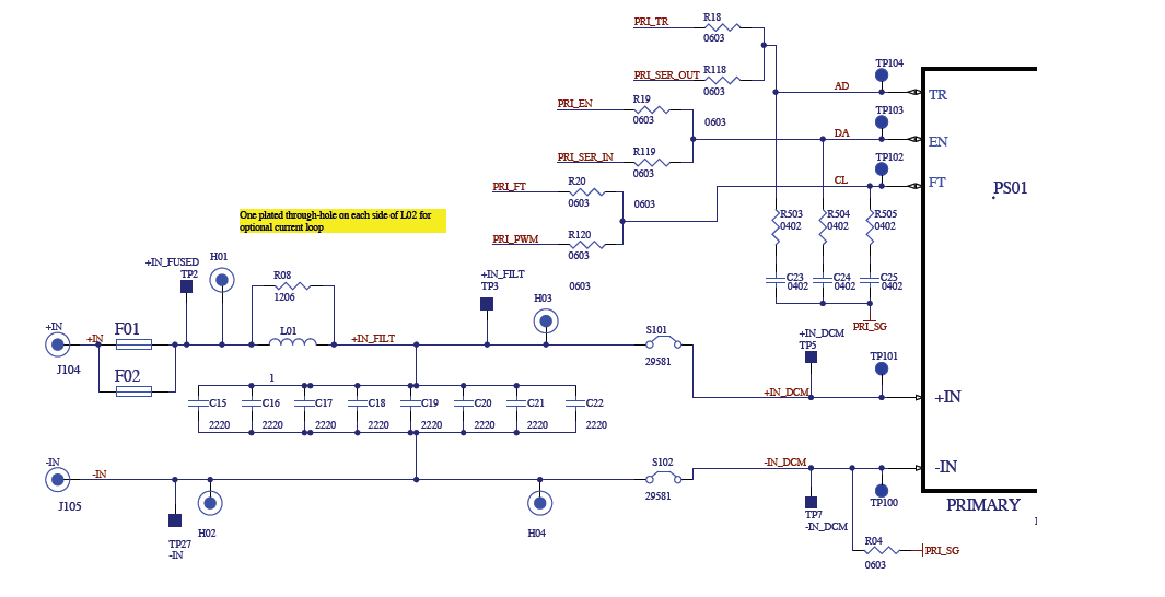
Ho trovato lo schema dell'evaluation board sul sito dell'azienda da cui ho preso il convertitore.
Il convertitore ha 3 pin (Enable,Fault,Trim) si andrà ad usare esclusivamente il pin Enable in modo tale da disattivare il convertitore quando non è in uso, ci sono altri 6 pin (-In,+In , 2 -Out, 2 +Out ) i pin in uscita andranno collegati in parallelo quindi il +Out lo andrò a collegare sulla linea del secondo +Out e lo stesso farò per il negativo.
Vorrei sapere come effettuare proprio il collegamento tra l'Enable e la pista del -In , dallo schema non riesco a capire molto.
Inoltre nell'evalutation board sono riportati tutti i valori dei vari componenti secondo voi li posso prendere come riferimento per andare poi a ricostruire il PCB?
Grazie a tutti per le risposte e per ogni consiglio!
A Breve aggiornerò il posto con lo schema in fidocadj ;)
convertitore dc dc su PCB da costruire
3 messaggi
• Pagina 1 di 1
0
voti
1
voti
baloobb ha scritto:Vorrei sapere come effettuare proprio il collegamento tra l'Enable e la pista del -In , dallo schema non riesco a capire molto.
Non capisco di che collegamento parli !
Se enable lo lasci aperto il DC-DC si accende se enable a gnd (0V) rimane spento.
baloobb ha scritto:Inoltre nell'evalutation board sono riportati tutti i valori dei vari componenti secondo voi li posso prendere come riferimento per andare poi a ricostruire il PCB?
Sicuramente si !
Ciao
Giorgio
-

giorgio25760
2.310 1 3 5 - G.Master EY

- Messaggi: 1700
- Iscritto il: 6 dic 2009, 17:02
- Località: Brescia
0
voti
grazie giorgio per la risposta ho risolto tutti i problemi ho collegato il led a massa con il primo circuito ed ho preso di riferimento i componeneti nel circuito dell'azienda!
3 messaggi
• Pagina 1 di 1
Torna a Costruzione, riparazione, riutilizzo
Chi c’è in linea
Visitano il forum: Nessuno e 58 ospiti

Elettrotecnica e non solo (admin)
Un gatto tra gli elettroni (IsidoroKZ)
Esperienza e simulazioni (g.schgor)
Moleskine di un idraulico (RenzoDF)
Il Blog di ElectroYou (webmaster)
Idee microcontrollate (TardoFreak)
PICcoli grandi PICMicro (Paolino)
Il blog elettrico di carloc (carloc)
DirtEYblooog (dirtydeeds)
Di tutto... un po' (jordan20)
AK47 (lillo)
Esperienze elettroniche (marco438)
Telecomunicazioni musicali (clavicordo)
Automazione ed Elettronica (gustavo)
Direttive per la sicurezza (ErnestoCappelletti)
EYnfo dall'Alaska (mir)
Apriamo il quadro! (attilio)
H7-25 (asdf)
Passione Elettrica (massimob)
Elettroni a spasso (guidob)
Bloguerra (guerra)