Cos'è ElectroYou | Login Iscriviti

ElectroYou - la comunità dei professionisti del mondo elettrico

Esercizio Trifase sbilanciato

Circuiti, campi elettromagnetici e teoria delle linee di trasmissione e distribuzione dell’energia elettrica

Moderatori: Foto Utenteg.schgor, Foto UtenteIsidoroKZ

0
voti

[1] Esercizio Trifase sbilanciato

Messaggioda Foto Utentelollone69 » 5 ago 2015, 12:47

Salve ragazzi :D

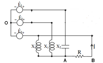
Mi ritrovo davanti a questo trifase sbilanciato che non ho idea di come affrontare. Ho provato diverse soluzioni ma nessuna mi ha portato al risultato corretto. Qualcuno ha idea di come svolgerlo? L'esercizio è in allegato.

Sono nuovo del forum quindi spero di non aver sbagliato qualcosa, nel caso correggo subito.

2015-08-04_190735.png
Calcolare la corrente I nel resistore


Grazie in anticipo :D
Avatar utente
Foto Utentelollone69
5 3
 
Messaggi: 6
Iscritto il: 4 ago 2015, 19:25

8
voti

[2] Re: Esercizio Trifase sbilanciato

Messaggioda Foto UtenteRenzoDF » 5 ago 2015, 15:39

Dopo aver semplificato la rete come segue, grazie alla presenza dei tre GIT che vanno a forzare le differenze di potenziale sui tre fili di linea,

2015-08-05_142404.png
2015-08-05_142404.png (14.54 KiB) Osservato 4504 volte


puoi (per esempio) usare Thevenin fra i morsetti A e B determinando la tensione a vuoto (per esempio) via Millman e l'impedenza equivalente dal parallelo delle tre reattanze.
"Il circuito ha sempre ragione" (Luigi Malesani)
Avatar utente
Foto UtenteRenzoDF
55,9k 8 12 13
G.Master EY
G.Master EY
 
Messaggi: 13189
Iscritto il: 4 ott 2008, 9:55

0
voti

[3] Re: Esercizio Trifase sbilanciato

Messaggioda Foto Utentelollone69 » 5 ago 2015, 19:12

Grazie mille per la risposta Renzo. In effetti quello che mi sfugge è proprio la semplificazione del circuito: come faccio a capire che le 3 impedenze non influenzano la corrente I cercata? O meglio, cosa intendi con forzare le differenze di potenziale sui tre fili?

Grazie :D
Avatar utente
Foto Utentelollone69
5 3
 
Messaggi: 6
Iscritto il: 4 ago 2015, 19:25

0
voti

[4] Re: Esercizio Trifase sbilanciato

Messaggioda Foto Utenteadert » 5 ago 2015, 20:19

RenzoDF ha scritto:Dopo aver semplificato la rete come segue, grazie alla presenza dei tre GIT che vanno a forzare le differenze di potenziale sui tre fili di linea,...

Spiega come sei arrivato alla semplificazione.
Penso sia:
a)le 3 Z° a triangolo , carico equilibrato ,non influenzano la corrente in R ,
b)Z° tra E1 e E2 non influenza la I in R
c)il generatore di corrente non influenza la I in R
Cosa sono i 3 GIT?
Ultima modifica di Foto Utenteadert il 5 ago 2015, 20:59, modificato 1 volta in totale.
Scopo principale della nostra vita , è dare prosieguo alla vita , come tutti gli esseri viventi fanno.
Avatar utente
Foto Utenteadert
295 2 8
Frequentatore
Frequentatore
 
Messaggi: 255
Iscritto il: 19 apr 2014, 16:57

5
voti

[5] Re: Esercizio Trifase sbilanciato

Messaggioda Foto UtenteRenzoDF » 5 ago 2015, 20:53

lollone69 ha scritto:... come faccio a capire che le 3 impedenze non influenzano la corrente I cercata? O meglio, cosa intendi con forzare le differenze di potenziale sui tre fili?

Le quattro impedenze Z come pure il generatore di corrente non possono influenzare la corrente cercata in quanto i tre generatori ideali di tensione (GIT) vanno a forzare (mantenere, fissare) le differenze di potenziale fra i morsetti 1,2,3 della sottorete inferiore (costituita dalle tre reattanze e dalla resistenza) ; sostanzialmente il circuito equivalente per la restante parte della rete, visto dai tre suddetti morsetti, può essere rappresentato (per esempio) da due GIT di tensione E1-E3 ed E1-E2 come il figura

"Il circuito ha sempre ragione" (Luigi Malesani)
Avatar utente
Foto UtenteRenzoDF
55,9k 8 12 13
G.Master EY
G.Master EY
 
Messaggi: 13189
Iscritto il: 4 ott 2008, 9:55

0
voti

[6] Re: Esercizio Trifase sbilanciato

Messaggioda Foto Utentelollone69 » 5 ago 2015, 21:55

RenzoDF ha scritto:Le quattro impedenze Z come pure il generatore di corrente non possono influenzare la corrente cercata in quanto i tre generatori ideali di tensione (GIT) vanno a forzare (mantenere, fissare) le differenze di potenziale fra i morsetti 1,2,3 della sottorete inferiore (costituita dalle tre reattanze e dalla resistenza)


Perfetto, sei stato chiarissimo. Grazie mille per le delucidazioni :D
Avatar utente
Foto Utentelollone69
5 3
 
Messaggi: 6
Iscritto il: 4 ago 2015, 19:25


Torna a Elettrotecnica generale

Chi c’è in linea

Visitano il forum: Nessuno e 68 ospiti