
Regolatore di corrente
Moderatori:
carloc,
g.schgor,
BrunoValente,
IsidoroKZ
44 messaggi
• Pagina 1 di 5 • 1, 2, 3, 4, 5
0
voti
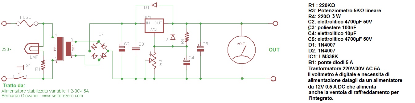
Salve, qualche mese fa ho costruito un regolatore di tensione, di cui vi allego lo schema elettrico, con un LM338K. L'integrato, come ben si evince dal datasheet, dovrebbe darmi in uscita 5 A per un massimo di 30 V in corrente continua. Utilizzando la configurazione descritta nella schema però, riesco ad ottenere 10 A per un massimo di 32 V sempre, ed ovviamente, in corrente continua. Vorrei sapere se esiste un modo, dunque, per poter regolare anche la corrente arricchendo, magari, lo schema che ho deciso di utilizzare. Vi ringrazio per il tempo dedicatomi, attendo vostri consigli. 

1
voti
Prima di pensare ad aggiungere un limitatore variabile di corrente ci sarebbero un po' di errori da correggere.
Il condensatore sull'uscita ha capacità eccessiva, metti un 47 μF. Eventualmente utilizza quel 4700 μF (C5) in parallelo all'altro di pari capacità (C2) all'ingresso.
Dacci notizie sul trasformatore (tensione e potenza/corrente sul secondario).
Se da 30 V, siamo al limite della tensione sopportabile dall'LM338. Raddrizzati e livellati danno, in continua, più di 40 V.
Per ora fermiamoci qui, ma, per ora, non far dare più di 5 A dall'alimentatore, qualcosa è probabile che ceda. Resto in attesa dei dati del trasformatore.
Il condensatore sull'uscita ha capacità eccessiva, metti un 47 μF. Eventualmente utilizza quel 4700 μF (C5) in parallelo all'altro di pari capacità (C2) all'ingresso.
Dacci notizie sul trasformatore (tensione e potenza/corrente sul secondario).
Se da 30 V, siamo al limite della tensione sopportabile dall'LM338. Raddrizzati e livellati danno, in continua, più di 40 V.
Per ora fermiamoci qui, ma, per ora, non far dare più di 5 A dall'alimentatore, qualcosa è probabile che ceda. Resto in attesa dei dati del trasformatore.
-

FedericoSibona
5.022 3 5 8 - Master

- Messaggi: 3951
- Iscritto il: 19 mar 2013, 11:43
0
voti
Il trasformatore l'ho recuperato da un vecchio apparecchio. Non ha dati di targa, ma da misurazioni da me effettuate da' 30V al secondario e 5A. La potenza dovrebbe, quindi, essere di circa 130 watt. In effetti inizialmente la resistenza da 220 ohm era da 1 watt. Dopo neanche un utilizzo è letteralmente scoppiata e l'ho sostituita con una da 3 watt. Come regolatore di tensione va che una meraviglia, nonostante quel condensatore troppo grande (che sostituirò al più presto). Grazie mille per le dritte. 

0
voti
Gino93 ha scritto:Utilizzando la configurazione descritta nella schema però, riesco ad ottenere 10 A per un massimo di 32 V sempre, ed ovviamente, in corrente continua.
Mi pare che qualche conto non torni.
Se come hai scritto il trasformatore ha un secondario 30V 130W, dovrebbe dare 4.33A che, dopo il ponte raddrizzatore si riducono a circa 2.5A; mi pare abbastanza strano che tu riesca quindi ad ottenere 10A, perche', se cosi' fosse, l'integrato andrebbe in protezione.
Meglio se chiarisci un po' i dati e magari ci spieghi le misure che hai fatto.
P.S. Anche se da 1/2 W , la resistenza da 220 ohm non dovrebbe bruciarsi; anche qui c'e qualcosa che non torna.
marco
0
voti
Si, in effetti vi avevo scritto anche per capire come fosse possibile una cosa simile. Le misurazioni le ho effettuate in fase di montaggio, collegandomi ai morsetti d'uscita del ponte raddrizzatore e utilizzando comuni lampade in corrente continua come carico. Giusto ora ho smontato il condensatore da 4700 uF in uscita e l'ho sostituito con uno da 47 uF come da consiglio. Appena avrò tempo vi scriverò i valori della tensione e della corrente massima che mi eroga con questa nuova configurazione. Io credo che quei valori un po' assurdi siano stati dovuti proprio all'errato valore del condensatore.
0
voti
Il condensatore non ha alcuna influenza sulla corrente erogata; probabilmente non stai effettuando correttamente la misura.
Magari, se ci spieghi come misuri la corrente, ti possiamo dare qualche dritta in merito.
Magari, se ci spieghi come misuri la corrente, ti possiamo dare qualche dritta in merito.
marco
0
voti
Certo. Collego l'uscita positiva del mio regolatore all'entrata del multimetro settato su corrente continua 10A. L'uscita dell'apparecchio la collego al carico, accendo il multimetro, accendo il regolatore di tensione, scelgo la mia tensione di lavoro e chiudo il circuito collegando il terminale vuoto del carico al negativo dell'alimentatore. La cosa strana è che subito mi da' 4,5A, ma il valore continua a crescere fino a raggiungere quasi i 10A. Anch'io non mi spiego com'è che l'integrato non vada in protezione, anche se perfettamente funzionante. Il trasformatore sicuramente non eroga più di 5A, poiché il ponte raddrizzatore ha quel valore e si brucerebbe in caso contrario.
La tensione la misuro semplicemente settando il multimetro sui 200V in continua e appoggiando le sonde sui contatti (ovviamente rispettando la polarità). Sicuramente rifarò le misure al più presto. Ci tengo a sistemare questo apparecchio e ad aggiungerci anche un regolatore di corrente. Colgo l'occasione per ringraziarvi tantissimo per il tempo che mi state dedicando.
La tensione la misuro semplicemente settando il multimetro sui 200V in continua e appoggiando le sonde sui contatti (ovviamente rispettando la polarità). Sicuramente rifarò le misure al più presto. Ci tengo a sistemare questo apparecchio e ad aggiungerci anche un regolatore di corrente. Colgo l'occasione per ringraziarvi tantissimo per il tempo che mi state dedicando.
0
voti
Magari potrebbe aiutare se potessimo vedere (foto) il circuito che hai realizzato, sia dal lato componenti che dal lato rame; il fatto che si sia bruciata quella resistenza, mi fa pensare ad un errato collegamento.
Visto che ci sei, puoi misurare che tensione rilevi ai capi della resistenza da 220 ohm?
P.S. Che cos'e' il carico, una lampada? Se si, che caratteristiche ha.
Visto che ci sei, puoi misurare che tensione rilevi ai capi della resistenza da 220 ohm?
P.S. Che cos'e' il carico, una lampada? Se si, che caratteristiche ha.
marco
0
voti
Oltre a quanto detto da Marco, lo shunt interno dei multimetri in genere è dimensionato per misurare forti correnti per un tempo limitato (in genere pochi secondi). Oltretutto in tanti multimetri la portata 10 A non è sotto fusibile (unfused). Stai correndo il pericolo di guastare il multimetro.
-

FedericoSibona
5.022 3 5 8 - Master

- Messaggi: 3951
- Iscritto il: 19 mar 2013, 11:43
44 messaggi
• Pagina 1 di 5 • 1, 2, 3, 4, 5
Chi c’è in linea
Visitano il forum: Nessuno e 91 ospiti

Elettrotecnica e non solo (admin)
Un gatto tra gli elettroni (IsidoroKZ)
Esperienza e simulazioni (g.schgor)
Moleskine di un idraulico (RenzoDF)
Il Blog di ElectroYou (webmaster)
Idee microcontrollate (TardoFreak)
PICcoli grandi PICMicro (Paolino)
Il blog elettrico di carloc (carloc)
DirtEYblooog (dirtydeeds)
Di tutto... un po' (jordan20)
AK47 (lillo)
Esperienze elettroniche (marco438)
Telecomunicazioni musicali (clavicordo)
Automazione ed Elettronica (gustavo)
Direttive per la sicurezza (ErnestoCappelletti)
EYnfo dall'Alaska (mir)
Apriamo il quadro! (attilio)
H7-25 (asdf)
Passione Elettrica (massimob)
Elettroni a spasso (guidob)
Bloguerra (guerra)


