Salve a tutti.
Sapete dirmi cosa rappresenta il simbolo allegato?
Grazie
Simbolo schema elettrico
Moderatori:
sebago,
MASSIMO-G,
lillo,
Mike
13 messaggi
• Pagina 1 di 2 • 1, 2
0
voti
(cerco di interpretare non è mio costume azzardare) di solito il simbolo quadrato con una linea in diagonale nella norma CEI 3-37 simboleggia un dispositivo che misura grandezze, nel tuo caso azzardo un misuratore di temperatura e pressione, ma ripeto è solo un'interpretazione
non ci sono problemi, ma solo soluzioni
2
voti
Poiché non mi sembra rientri fra i simboli normati, la domanda andrebbe rivolta a chi lo ha disegnato, che, se ha ben operato, avrà inserito nella legenda il significato che gli ha voluto attribuire.
Comunque, in generale, secondo le norme CEI il quadrato con una diagonale dovrebbe rappresentare un dispositivo convertitore.
Comunque, in generale, secondo le norme CEI il quadrato con una diagonale dovrebbe rappresentare un dispositivo convertitore.
0
voti
Ciao e grazie per le risposte.
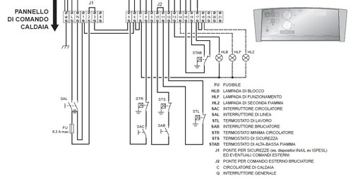
Il simbolo è tratto dal seguente schema.
I simboli SAL, FU, SAC, SAB, STL HLB sono a bordo del pannello di comando.
Non capisco se STR, STS, STL, STAB sono pressostati/termostati da installare o sono altri tipi di componenti.
Il simbolo è tratto dal seguente schema.
I simboli SAL, FU, SAC, SAB, STL HLB sono a bordo del pannello di comando.
Non capisco se STR, STS, STL, STAB sono pressostati/termostati da installare o sono altri tipi di componenti.
5
voti
C'è un ufficio di Poste e Telegrafi, ma è terra terra
Sebastiano
________________________________________________________________
"Eo bos issettaìa, avanzade e non timedas / sas ben'ennidas siedas, rundinas, a domo mia" (P. Mossa)
________________________________________________________________
"Eo bos issettaìa, avanzade e non timedas / sas ben'ennidas siedas, rundinas, a domo mia" (P. Mossa)
0
voti
Buongiorno.
Anche secondo me sono dei contatti legati a termostati/pressostati di sicurezza o lavoro interni alla caldaia.
paolo a m ha scritto:Con tutta evidenza quelli dovrebbero essere dispositivi interni alla caldaia.
Anche secondo me sono dei contatti legati a termostati/pressostati di sicurezza o lavoro interni alla caldaia.
13 messaggi
• Pagina 1 di 2 • 1, 2
Torna a Impianti, sicurezza e quadristica
Chi c’è in linea
Visitano il forum: Google [Bot] e 77 ospiti

Elettrotecnica e non solo (admin)
Un gatto tra gli elettroni (IsidoroKZ)
Esperienza e simulazioni (g.schgor)
Moleskine di un idraulico (RenzoDF)
Il Blog di ElectroYou (webmaster)
Idee microcontrollate (TardoFreak)
PICcoli grandi PICMicro (Paolino)
Il blog elettrico di carloc (carloc)
DirtEYblooog (dirtydeeds)
Di tutto... un po' (jordan20)
AK47 (lillo)
Esperienze elettroniche (marco438)
Telecomunicazioni musicali (clavicordo)
Automazione ed Elettronica (gustavo)
Direttive per la sicurezza (ErnestoCappelletti)
EYnfo dall'Alaska (mir)
Apriamo il quadro! (attilio)
H7-25 (asdf)
Passione Elettrica (massimob)
Elettroni a spasso (guidob)
Bloguerra (guerra)








