Buon giorno a tutti.
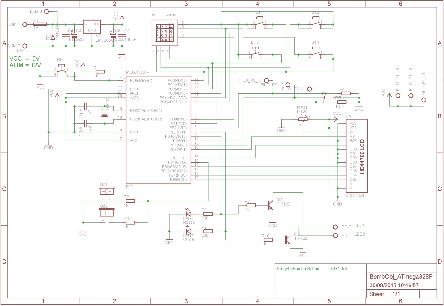
Ho un circuito elettrico che viene alimentato sia a 12v che a 5v. Richiede 70mA, utilizzo per lavorare in entrambi i campi un LM7805CV. Il problema e' che si scalda velocemente! ed un dissipatore non aiuta.
Sapete darmi un'alternativa ma mantenendo la stessa "forma"?
Grazie in anticipo.
Alternativa LM7805
Moderatori:
carloc,
g.schgor,
BrunoValente,
IsidoroKZ
31 messaggi
• Pagina 1 di 4 • 1, 2, 3, 4
4
voti
Se il 7805 scalda non dipende certo da lui, qualsiasi altro tipo con quella forma scalderebbe ugualmente.
Il calore generato dipende solo dalla potenza dissipata che a sua volta dipende solo dalle condizioni di utilizzo.
Nel tuo caso, con 12V in ingresso e 70mA al carico, dissipa circa 0.5W e, se scalda con una potenza così bassa, vuol dire che non hai montato alcun dissipatore oppure che il dissipatore non è adeguato o che è montato male.
Se vuoi ridurre la temperatura hai solo due strade: montare un dissipatore adeguato oppure ridurre la tensione in ingresso.
Il calore generato dipende solo dalla potenza dissipata che a sua volta dipende solo dalle condizioni di utilizzo.
Nel tuo caso, con 12V in ingresso e 70mA al carico, dissipa circa 0.5W e, se scalda con una potenza così bassa, vuol dire che non hai montato alcun dissipatore oppure che il dissipatore non è adeguato o che è montato male.
Se vuoi ridurre la temperatura hai solo due strade: montare un dissipatore adeguato oppure ridurre la tensione in ingresso.
-

BrunoValente
39,6k 7 11 13 - G.Master EY

- Messaggi: 7796
- Iscritto il: 8 mag 2007, 14:48
0
voti
Se trovi posto, puoi mettere una resistenza in serie al fusibile in modo da "dirottare" su di essa una parte del calore che deve essere comunque sviluppato.
Per fare cadere 4 volt sulla resistenza, con 70 mA viene un valore di 56 ohm, almeno mezzo watt nominale.
Per fare cadere 4 volt sulla resistenza, con 70 mA viene un valore di 56 ohm, almeno mezzo watt nominale.
0
voti
Il 7805 dovrebbe essere protetto per alta temperatura, e autolimitarsi riducendo la corrente erogata,
ma non è bello.
Potresti mettere un resistore in serie al posto del fusibile.
Ai capi del 7085 ora cadono 12-5 = 7 V.
Fai in modo che la caduta di tensione sul 7805 si riduca a 3,5V, creando una caduta di 3,5V
ai capi del resistore da 3,5 /0,07 = 50 ohm >> 47 ohm che inserirai
3,5 * 0,07 = 0,25 W un resistore da 1/2 watt andrebbe bene.
L'alimentazione del LED esterno non sarebbe più a 12 V ma a 8,5 V.
Monta il resistore un poco in alto sul CS in modo che dissipi e che eventualmente bruci come fusibile...12 volt/50 ohm = 0,24 ampere 12 * 0,24 = 3 watt ... è una toppa,.è tutto quello che dal punto di vista elettrico sono capace a suggerire
..

ma non è bello.
Potresti mettere un resistore in serie al posto del fusibile.
Ai capi del 7085 ora cadono 12-5 = 7 V.
Fai in modo che la caduta di tensione sul 7805 si riduca a 3,5V, creando una caduta di 3,5V
ai capi del resistore da 3,5 /0,07 = 50 ohm >> 47 ohm che inserirai
3,5 * 0,07 = 0,25 W un resistore da 1/2 watt andrebbe bene.
L'alimentazione del LED esterno non sarebbe più a 12 V ma a 8,5 V.
Monta il resistore un poco in alto sul CS in modo che dissipi e che eventualmente bruci come fusibile...12 volt/50 ohm = 0,24 ampere 12 * 0,24 = 3 watt ... è una toppa,.è tutto quello che dal punto di vista elettrico sono capace a suggerire

3
voti
..comunque, vista la bassa potenza in ballo, quella del dissipatore adeguato mi pare la soluzione più sensata.
-

BrunoValente
39,6k 7 11 13 - G.Master EY

- Messaggi: 7796
- Iscritto il: 8 mag 2007, 14:48
0
voti
l'alta dissipazione come gia' detto dipende dal fatto che il 7805 è un regolatore 'lineare' quindi per come lavora si scalda in proporzione al salto di tensione (12->5V)
In alternativa puoi passare a convertitori DC DC che lavorano in modalità switcing, ad esempio con l'LM2596
vedi qui un apparato gia' assemblato.
con questo puoi andare senza particolari surriscaldamenti da 12V 5V
Ti segnalo che tale alimentazione non sarebbe livellata perfettamente come fa il 7805, quindi, se vuoi fare il pignolo (io probabilmente me ne fregherei) puoi anche fargli fare un salto da 12V a 7/8V (tanto con la rotellina di regolazione fai quello che ti pare), e a quel punto metti il 7805 che si scalderà molto meno.
In alternativa puoi passare a convertitori DC DC che lavorano in modalità switcing, ad esempio con l'LM2596
vedi qui un apparato gia' assemblato.
con questo puoi andare senza particolari surriscaldamenti da 12V 5V
Ti segnalo che tale alimentazione non sarebbe livellata perfettamente come fa il 7805, quindi, se vuoi fare il pignolo (io probabilmente me ne fregherei) puoi anche fargli fare un salto da 12V a 7/8V (tanto con la rotellina di regolazione fai quello che ti pare), e a quel punto metti il 7805 che si scalderà molto meno.
0
voti
Inserisco un dibattito filosofico: a cosa serve il fusibile nel circuito, serve proprio?
Ovviamente a proteggere dai sovraccarichi interrompendosi.
Ma un cortocircuito nel circuito a valle del 7805 ne provoca il riscaldamento e la limitazione in corrente e credo non arrivi a fare intervenire il fusibile.
Protegge il circuito in caso di inversione della polarità della tensione di alimentazione (conduce il diodo in parallelo che provoca la bruciatura fusibile), ma l'inversione dela polarità può essere un caso che non si dovrebbe presentare dopo l'installazione.
Il fusibile dovrebbe venire messo vicino all'alimentatore, cosi protegge anche in caso di cortocircuito del cavo di alimentazione, ma è più costoso e scomodo.
Per facilitare la diagnosi, si mette un LED di segnalazione presenza tensione +5V sulla cartella,
ma un pochissimo costa.
Forse serve anche a proteggersi dall'alimentazione del LED esterno che può andare in cortocircuito.
Di solito lo si mette seguendo un criterio di progettazione cautelativa, senza indagare molto.
Ovviamente a proteggere dai sovraccarichi interrompendosi.
Ma un cortocircuito nel circuito a valle del 7805 ne provoca il riscaldamento e la limitazione in corrente e credo non arrivi a fare intervenire il fusibile.
Protegge il circuito in caso di inversione della polarità della tensione di alimentazione (conduce il diodo in parallelo che provoca la bruciatura fusibile), ma l'inversione dela polarità può essere un caso che non si dovrebbe presentare dopo l'installazione.
Il fusibile dovrebbe venire messo vicino all'alimentatore, cosi protegge anche in caso di cortocircuito del cavo di alimentazione, ma è più costoso e scomodo.
Per facilitare la diagnosi, si mette un LED di segnalazione presenza tensione +5V sulla cartella,
ma un pochissimo costa.
Forse serve anche a proteggersi dall'alimentazione del LED esterno che può andare in cortocircuito.
Di solito lo si mette seguendo un criterio di progettazione cautelativa, senza indagare molto.
0
voti
BrunoValente ha scritto:..comunque, vista la bassa potenza in ballo, quella del dissipatore adeguato mi pare la soluzione più sensata.
IPSE DIXIT
Ma poi "scalda" è molto vago, quanto scalda?
-

FedericoSibona
5.022 3 5 8 - Master

- Messaggi: 3951
- Iscritto il: 19 mar 2013, 11:43
1
voti
FedericoSibona ha scritto:..Ma poi "scalda" è molto vago, quanto scalda?
Quanto vuoi che scaldi un 7805 se la potenza in gioco è di solo 0.5W? Mi chiedo in quali altre applicazioni ne sarebbe consigliato l'uso, se fosse vero che già con 0.5W dà problemi?

-

BrunoValente
39,6k 7 11 13 - G.Master EY

- Messaggi: 7796
- Iscritto il: 8 mag 2007, 14:48
0
voti
Piuttosto che F1 e D2 in quel modo per proteggere il circuito dall'inversione di polarità, userei un MOS-P in serie al circuito così:
In questo modo non hai nemmeno il fusibile da cambiare
In questo modo non hai nemmeno il fusibile da cambiare

31 messaggi
• Pagina 1 di 4 • 1, 2, 3, 4
Chi c’è in linea
Visitano il forum: Nessuno e 35 ospiti

Elettrotecnica e non solo (admin)
Un gatto tra gli elettroni (IsidoroKZ)
Esperienza e simulazioni (g.schgor)
Moleskine di un idraulico (RenzoDF)
Il Blog di ElectroYou (webmaster)
Idee microcontrollate (TardoFreak)
PICcoli grandi PICMicro (Paolino)
Il blog elettrico di carloc (carloc)
DirtEYblooog (dirtydeeds)
Di tutto... un po' (jordan20)
AK47 (lillo)
Esperienze elettroniche (marco438)
Telecomunicazioni musicali (clavicordo)
Automazione ed Elettronica (gustavo)
Direttive per la sicurezza (ErnestoCappelletti)
EYnfo dall'Alaska (mir)
Apriamo il quadro! (attilio)
H7-25 (asdf)
Passione Elettrica (massimob)
Elettroni a spasso (guidob)
Bloguerra (guerra)






