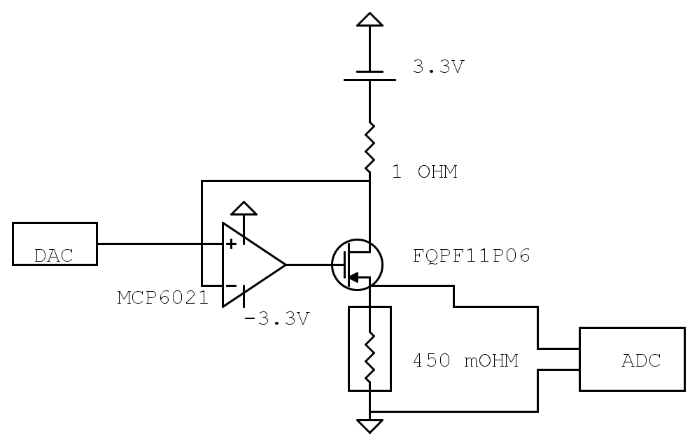
Salve a tutti, sto realizzando un progetto e per un riscaldatore per materiali biologici. Ho allegato una parte del circuito
dell'intero sistema, la resistena in basso circondata dal rettangolo è un riscaldatore che si riscalda se percorso da corrente,
l'op amp e il pmos servono x regolare la corrente che scorre su di esso. Praticamente con il dac fisso una tensione, l op amp
cerca di mantenere una tensione uguale ai suoi due ingressi e quindi manda in uscita una tensione negativa tale da "accendere"
p-mos e permettere un passaggio di corrente sulla resistenza da 1 ohm tale da avere sul pin - dell op amp una tensione uguale
al pin +. La mia domanda è: per utilizzare il pmos ho bisogno una uscita del op amp che vada da zero a -3.3 nel mio caso?
Se si, come faccio ad ottenere una uscita negativa dall'op amp non avendo una alimentazione negativa? per alimentare il tutto
utilizzo una scheda (freescale mkl25z) e ha solo alimentazione positiva.. Grazie
Switch con pmos
Moderatori:
carloc,
g.schgor,
BrunoValente,
IsidoroKZ
43 messaggi
• Pagina 1 di 5 • 1, 2, 3, 4, 5
0
voti
Forse mi sono reso conto della stupidaggine che ho chiesto. Utilizzare il pmos basta una alimentazione da 0 a 3.3, la Vgs negativa si verificherà sempre finche non passano 3.3A nella resistenza in alto da 1 ohm. Giusto?
3
voti
Direi che ci siano alcune cose che non vanno.
Come prima cosa le specifiche.
Che tensione/tensioni di alimentazione hai a disposizione? Quanta corrente possono fornire?
Qual e` la corrente massima che deve passare attraverso il riscaldatore?
Qual e` il range di tensione all'uscita del DAC?
Il riscaldatore deve essere connesso a ground oppure puo` essere spostato sul postitivo?
Comincia a rispondere accuratamente a queste domande, poi vediamo.
Nel tuo schema il MOS e` girato a rovescio, la resistenza di sense non mi pare abbia molto senso (scalderebbe piu` del doppio della resistenza del riscaldantore), la scelta del MOS (e del circuito) e` opinabile...
Infine la fretta e` una cattiva consigliera: posti la domanda alle 11, dicendo "switch" nel titolo mentre poi e` un regolatore lineare, non dai delle specifiche, e alle 15 cerchi gia` una risposta su un ragionamento che non ho capito bene. Ma nella city andate tutti cosi` di corsa?
Come prima cosa le specifiche.
Che tensione/tensioni di alimentazione hai a disposizione? Quanta corrente possono fornire?
Qual e` la corrente massima che deve passare attraverso il riscaldatore?
Qual e` il range di tensione all'uscita del DAC?
Il riscaldatore deve essere connesso a ground oppure puo` essere spostato sul postitivo?
Comincia a rispondere accuratamente a queste domande, poi vediamo.
Nel tuo schema il MOS e` girato a rovescio, la resistenza di sense non mi pare abbia molto senso (scalderebbe piu` del doppio della resistenza del riscaldantore), la scelta del MOS (e del circuito) e` opinabile...
Infine la fretta e` una cattiva consigliera: posti la domanda alle 11, dicendo "switch" nel titolo mentre poi e` un regolatore lineare, non dai delle specifiche, e alle 15 cerchi gia` una risposta su un ragionamento che non ho capito bene. Ma nella city andate tutti cosi` di corsa?
Per usare proficuamente un simulatore, bisogna sapere molta più elettronica di lui
Plug it in - it works better!
Il 555 sta all'elettronica come Arduino all'informatica! (entrambi loro malgrado)
Se volete risposte rispondete a tutte le mie domande
Plug it in - it works better!
Il 555 sta all'elettronica come Arduino all'informatica! (entrambi loro malgrado)
Se volete risposte rispondete a tutte le mie domande
0
voti
La tensione di alimentazione è 3.3 V. Usero un power supply esterno e la corrente massima sul riscaldatore è 1.5 A. Range di tensione all uscita del dac 0V-3.3V. Il riscaldatore vorrei che fosse connesso a ground perche poi devo misuarr la tensione ai suoi capo cn l adc e preferirei misurare un valore rispetto al ground. L alimentazione dell op amp andrà tra i 0 e i 3.3 V e nn cm.la.figura.Per quanto riguarda il pmos e la resistenza di sense nn me ne ero accorto...come potrei fare? Grazie
0
voti
Alimentare il riscaldatore a 3,3V non è una buona idea. Se usi un MOS ti manca la tensione per pilotarlo, se usassi un transistor bipolare saresti quasi al limite con la Vce, visto che vuoi mettere anche una resistenza di misura.
0
voti
purtroppo ho delle specifiche da rispettare. Potrei anche cambiare e usare 5 volt ma a questo punto avrei bisogno di due alimentazioni e vorrei evitare. comunque il riscaldatore è una traccia di rame su un PCB, non è una vera e propria resistenza e devo usarla cosi cm è.
0
voti
L'alimentatore che chiami "esterno" e` lo stesso che alimenta anche il micro e il dac o e` separato?
Se e` separato, ha in comune con l'alimentatore del dac il positivo o il negativo? Ma tanto comunque sia ci sono sempre problemi.
Perche' vuoi misurare la tensione ai capi del riscaldatore? Non ti basta la corrente?
Come vuoi misurare la tensione sul riscaldatore? Con che tipo di componente?
Che cosa hai studiato di elettronica?
Se e` separato, ha in comune con l'alimentatore del dac il positivo o il negativo? Ma tanto comunque sia ci sono sempre problemi.
Perche' vuoi misurare la tensione ai capi del riscaldatore? Non ti basta la corrente?
Come vuoi misurare la tensione sul riscaldatore? Con che tipo di componente?
Che cosa hai studiato di elettronica?
Per usare proficuamente un simulatore, bisogna sapere molta più elettronica di lui
Plug it in - it works better!
Il 555 sta all'elettronica come Arduino all'informatica! (entrambi loro malgrado)
Se volete risposte rispondete a tutte le mie domande
Plug it in - it works better!
Il 555 sta all'elettronica come Arduino all'informatica! (entrambi loro malgrado)
Se volete risposte rispondete a tutte le mie domande
0
voti
[10] Re: Switch con pmos
Per ora è separato, mirco e dac sono alimentati insieme e riscaldatore a parte,in comune ho il negativo. La tensione mi serve per misurare la temperatura, nel senso che il riscaldatore ha una resistenza iniziale x, una volta riscaldato aumentare di una certa quantita, misurando la variazione di tensione dovuta alla varizione di resistenza posso calcolare la corrente.La tensione sul riscaldatore la misuro con l adc della scheda mkl25z
43 messaggi
• Pagina 1 di 5 • 1, 2, 3, 4, 5
Chi c’è in linea
Visitano il forum: Nessuno e 80 ospiti

Elettrotecnica e non solo (admin)
Un gatto tra gli elettroni (IsidoroKZ)
Esperienza e simulazioni (g.schgor)
Moleskine di un idraulico (RenzoDF)
Il Blog di ElectroYou (webmaster)
Idee microcontrollate (TardoFreak)
PICcoli grandi PICMicro (Paolino)
Il blog elettrico di carloc (carloc)
DirtEYblooog (dirtydeeds)
Di tutto... un po' (jordan20)
AK47 (lillo)
Esperienze elettroniche (marco438)
Telecomunicazioni musicali (clavicordo)
Automazione ed Elettronica (gustavo)
Direttive per la sicurezza (ErnestoCappelletti)
EYnfo dall'Alaska (mir)
Apriamo il quadro! (attilio)
H7-25 (asdf)
Passione Elettrica (massimob)
Elettroni a spasso (guidob)
Bloguerra (guerra)






