TV Lcd Philips 22", morto dopo circa 3 anni di vita, non si accende neanche la luce di stand-by, niente audio, nessun segno di vita.
L'unica anomalia data prima di morire è stata con il tv in stand by, ogni tanto il led rosso lampeggiava da solo.
Premetto la mia poca conoscenza di elettronica e la mia tanta voglia di spendere il meno possibile per ripararlo.
Ho quindi aperto il TV, misurato la presenza dei 220 ca in entrata, ho misurato le tensioni in uscita dalla scheda di alimentazione ma non sono sicuro di aver misurato nei pin giusti.
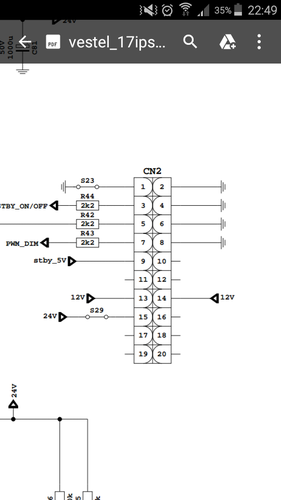
Vi posto una foto dello schema del connettore che alimenta la scheda madre.
Io ho misurato in CC ipotizzando il meno sul pin del connettore numero 1 misurando quindi tra i morsetti 1-9, 1-13, 1-15 per cercare i 5, 12 e 24 V.
Non ho rilevato niente, con scheda madre attaccata e staccata, provando a spingere il pulsante di accensione del tv.
Ho sbagliato qualcosa nelle misure o il guasto è sulla scheda di alimentazione?
Se è sulla scheda cos'altro posso controllare prima di dover spendere 50€ per comprarne una su internet (se la trovo...)
Sulla scheda non ho trovato niente di carbonizzato o dissaldato, ne condensatori gonfi.
Vi allego una foto anche di questa.
Il TV è un Philips 22PFL2807H/12, la scheda di alimentazione è una Vestel 17IPS61-2 23074660.
Grazie in anticipo.
Ciao Max
TV Led Philips da resuscitare
Moderatore:
jordan20
8 messaggi
• Pagina 1 di 1
0
voti
Grazie Dave, si ai capi dei due condensatori da 27 micro F (quelli con il barcode attaccato sopra) ci sono i 320V, di condensatori gonfi non ne ho visti, cos'altro posso controllare?
-

MaximilianII
25 4 - Messaggi: 48
- Iscritto il: 19 gen 2012, 17:41
0
voti
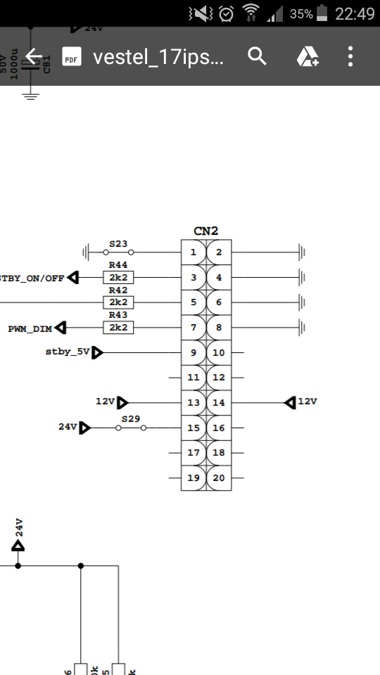
Vi allego lo schema, ho provato a fare qualche altra misura, non all'ingresso scheda di alimentazione ma in quella parte che io penso sia l'uscita:
- sulla linea da 12V non c'è nessun tensione (misurato ai capi dei condensatori C42 C43 C78 C79 C45 C82)
- sulla linea da 24 V, (ai capi dei condensatori C44 C47 C48 C80 C81) la lancetta del mio tester analogico ICE oscilla tra 2 e 5 volt con una frequenza di circa un secondo....
- sulla linea da 12V non c'è nessun tensione (misurato ai capi dei condensatori C42 C43 C78 C79 C45 C82)
- sulla linea da 24 V, (ai capi dei condensatori C44 C47 C48 C80 C81) la lancetta del mio tester analogico ICE oscilla tra 2 e 5 volt con una frequenza di circa un secondo....
- Allegati
-
vestel_17ips61-2_sch.pdf- (337.15 KiB) Scaricato 401 volte
-

MaximilianII
25 4 - Messaggi: 48
- Iscritto il: 19 gen 2012, 17:41
0
voti
Fatto altre misure, sulle due coppie di pin del primario del trasformatore ci sono circa 600V, sul secondario non ho rilevato niente, che sia il trasformatore il problema a questo punto?
-

MaximilianII
25 4 - Messaggi: 48
- Iscritto il: 19 gen 2012, 17:41
0
voti

"Non farei mai parte di un club che accettasse la mia iscrizione" (G. Marx)
-

claudiocedrone
21,3k 4 7 9 - Master EY

- Messaggi: 15300
- Iscritto il: 18 gen 2012, 13:36
0
voti
Ok scusate, faccio un passo indietro, sui condensatori in uscita dal ponte raddrizzatore misuro 320V in cc e 640 in ca.... è normale?
Sul trasformatore avevo invertito i pin nella misura
Sul primario:
su N1 tra 1 e 14 la tensione è 0
su N3 tra 2 e 13 la tensione è 0
Dite che è meglio controllare anche le tensioni del transistor di pilotaggio U2 o non ha senso?
Sul trasformatore avevo invertito i pin nella misura
Sul primario:
su N1 tra 1 e 14 la tensione è 0
su N3 tra 2 e 13 la tensione è 0
Dite che è meglio controllare anche le tensioni del transistor di pilotaggio U2 o non ha senso?
-

MaximilianII
25 4 - Messaggi: 48
- Iscritto il: 19 gen 2012, 17:41
0
voti
In realtà ho rimisurato male, sul primario del trasformatore arrivano i 320 V, mentre facevo altre misure ho però fatto fumare la scheda... A questo punto mi rimetto alla ricerca della scheda di alimentazione anche se su internet sembra introvabile.Grazie comunque a tutti
-

MaximilianII
25 4 - Messaggi: 48
- Iscritto il: 19 gen 2012, 17:41
8 messaggi
• Pagina 1 di 1
Chi c’è in linea
Visitano il forum: Nessuno e 12 ospiti

Elettrotecnica e non solo (admin)
Un gatto tra gli elettroni (IsidoroKZ)
Esperienza e simulazioni (g.schgor)
Moleskine di un idraulico (RenzoDF)
Il Blog di ElectroYou (webmaster)
Idee microcontrollate (TardoFreak)
PICcoli grandi PICMicro (Paolino)
Il blog elettrico di carloc (carloc)
DirtEYblooog (dirtydeeds)
Di tutto... un po' (jordan20)
AK47 (lillo)
Esperienze elettroniche (marco438)
Telecomunicazioni musicali (clavicordo)
Automazione ed Elettronica (gustavo)
Direttive per la sicurezza (ErnestoCappelletti)
EYnfo dall'Alaska (mir)
Apriamo il quadro! (attilio)
H7-25 (asdf)
Passione Elettrica (massimob)
Elettroni a spasso (guidob)
Bloguerra (guerra)
