Elettronica lineare e digitale: didattica ed applicazioni
Moderatori:
carloc,
g.schgor,
BrunoValente,
IsidoroKZ
da
giovannigelato » 8 nov 2015, 16:26
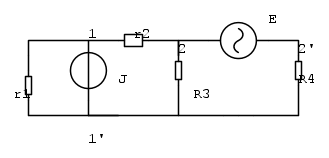
salve,devo calcolarmi la matrice H del seguente dopppio bipolo..
come dati ho:
E=50 J=20 r1=1 r2=5 r3=r4=10;per calcolare H11
so che H11 = i1\v1 con i2=0; i1 = J dato che i2 =0 e quindi H11=J\(r1*J)..tuttavia il risultato non corrisponde..è giusto come ragionamento?? scusate il disturbo

Ultima modifica di
Sjuanez il 8 nov 2015, 16:52, modificato 2 volte in totale.
Motivazione: titolo in minuscolo (sta meglio)
-

giovannigelato
5 3
-
- Messaggi: 33
- Iscritto il: 18 ott 2015, 12:32
da
g.schgor » 8 nov 2015, 17:10
Segnalo
questo articolosulle procedure di calcolo delle matrici in questione.
Una domanda : perché il simbolo di generatore in alternate per E
ed il simbolo di generatore di tensione per J?
-

g.schgor
57,8k
9
12
13
- G.Master EY

-
- Messaggi: 16971
- Iscritto il: 25 ott 2005, 9:58
- Località: MILANO
-
Torna a Elettronica generale
Chi c’è in linea
Visitano il forum: Nessuno e 138 ospiti