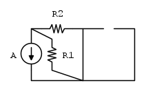
Quello in rosso è il circuito da risolvere accompagnato dai dati e in alto a destra sono presenti le richieste:
download/file.php?mode=view&id=38058
I risultati proposti non coincidono con i miei.
Commento la risoluzione dell'esercizio al fine di renderlo più chiaro.
Per ricavare la corrente ho deciso di utilizzare la sovrapposizione delle forze.
1 - tengo acceso solo il generatore di corrente e considero omega pari a 0 di conseguenza l'induttore diventa cortocircuito e capacità circuito aperto. Ottengo il piccolo circuito quadrato e uso il partitore di corrente per ricavarmi la mia corrente 1. Successivamente la moltiplico per radice di due e la ottengo nel tempo.
2- tengo acceso il generatore di tensione ed effettuo anche qui il passaggio fasoriale ottenendo i valori scritti per condesatore e induttore. La mia intenzione è quella di calcolare la corrente del generatore di tensione per poi utilizzare il partitore di corrente. Quindi trovo la resistenza equivalente , faccio il parallelo tra cortocircuito e R1 = cortocircuito, parallelo ora tra R2 e induttore (Z3) e infine ho la serie e tra Z3 e capacità trovadomi Zeq. A questo punto trovo la corrente facendo tensione diviso Zeq e poi partitore per trovare la corrente 2. Successivamente converto nel dominio del tempo e sommo ottenendo 4.71+44.76*cos(50t-0.582). Allora dato che non ho ben capito come risolvere i primi due punti provo con il terzo dato per confrontare con il risultato propostomi che è 1.928, a me però esce 20.2. Dato che sono un disastro in elettrotecnica potreste gentilmente dirmi dove ho sbagliato? Grazie
Esercizio elettrotecnica regime PAS
Moderatori:
g.schgor,
IsidoroKZ
8 messaggi
• Pagina 1 di 1
4
voti
Cominciamo col dire che un "elaborato" del genere è inaccettabile.
Non pretendo che tutte le richieste vengano fatte con le rigide regole del Forum,
ma almeno con un minimo di ordine e di chiarezza.
Detto questo, appare evidente l'errore di trasformazione al punto 2 cerchiato:
un generatore di corrente "spento" equivale ad un circuito aperto (resistenza infinita).
Non pretendo che tutte le richieste vengano fatte con le rigide regole del Forum,
ma almeno con un minimo di ordine e di chiarezza.
Detto questo, appare evidente l'errore di trasformazione al punto 2 cerchiato:
un generatore di corrente "spento" equivale ad un circuito aperto (resistenza infinita).
1
voti
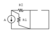
Mi scuso pensavo che l'allegato fosse abbastanza chiaro con l'aggiunta dei commenti. In ogni caso questo è il circuito:
dove:
e(t) = 50*cos(50*t-1.047)
A = 10 A
R1 = 0.25 ohm
R2 = 0.5 ohm
C = 0.02 F
L = 0.01 H
T = 2 s
Richieste:
1- calcolare il valore massimo della corrente passante nel ramo dove è presente l'induttore
2- calcolare il valore minimo, sempre della stessa corrente
3- calcolare il valore della solita corrente al tempo T.
R = [ 56.667; -63.333; 1.928 ]
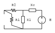
Ecco come ho provato ha risolvere il circuito.
Chiamo reattanza dell'induttore Xl e quella della capacità Xc. Inoltre indico con Il la corrente richiesta nell'ambito fasoriale,i(t) nell'ambito del tempo.
Utilizzo la SOVRAPPOSIZIONE DEGLI EFFETTI
1) tengo acceso il generatore di corrente ( omega = 0, Xl = 0j , Xc = -inf*j )
Fig.1
ottengo un corto circuito al posto dell'induttore e un circuito aperto al posto della capacità. A questo punto faccio un partitore di corrente e ricavo la Il' = 3.33. Portando tale valore nel dominio del tempo trovo che i(t)' = 4.71 ( ho moltiplicato per radice di 2)
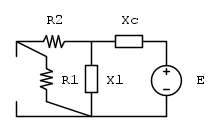
2) tengo acceso il generatore di tensione( omega = 50, Xl = j*0.5 , Xc = -j, E = 35.355*e^(-1.047) (l'ho convertita nel fasore)
Fig.2
A questo calcolo l'impedenza equivalente nel seguente modo:
metto in serie R1+R2 -> faccio il parallelo tra (R1+R2)//Xl -> infine metto in serie [(R1+R2)//Xl ] + Xc. Il risultato è 0.231-j.0655 = 0.695*e^(-j1.232).
Procedo con il calcolo della corrente passare per il ramo del generatore di tensione facendo il rapporto tra tensione e l'impedenza appena calcolata trovandomi Ie = 50.87*e^(0.185).
Dal circuito in Fig.2 faccio il partitore di corrente per calcolarmi la Il'' che esce 42.22*e^(-0.405) che nel dominio del tempo corrisponde a i(t)''=59.71*cos(50t-0.405).
In conclusione eseguo la somma tra i(t)'+i(t)'' = i(t) = 4.71+59.71*cos(50t-0.405).
Per t = 2 ho i(t) = 18.35.
Mi è stato riferito che le soluzioni potrebbero essere sbagliato. In questo caso non so se è giusto il mio risultato. In ogni caso volevo anche chiedere come risolvere i punti 1 e 2 dei quali non ho nessuna idea di come si debbano fare.
Spero che sia stato più chiaro. Grazie delle eventuali risposte.
dove:
e(t) = 50*cos(50*t-1.047)
A = 10 A
R1 = 0.25 ohm
R2 = 0.5 ohm
C = 0.02 F
L = 0.01 H
T = 2 s
Richieste:
1- calcolare il valore massimo della corrente passante nel ramo dove è presente l'induttore
2- calcolare il valore minimo, sempre della stessa corrente
3- calcolare il valore della solita corrente al tempo T.
R = [ 56.667; -63.333; 1.928 ]
Ecco come ho provato ha risolvere il circuito.
Chiamo reattanza dell'induttore Xl e quella della capacità Xc. Inoltre indico con Il la corrente richiesta nell'ambito fasoriale,i(t) nell'ambito del tempo.
Utilizzo la SOVRAPPOSIZIONE DEGLI EFFETTI
1) tengo acceso il generatore di corrente ( omega = 0, Xl = 0j , Xc = -inf*j )
Fig.1
ottengo un corto circuito al posto dell'induttore e un circuito aperto al posto della capacità. A questo punto faccio un partitore di corrente e ricavo la Il' = 3.33. Portando tale valore nel dominio del tempo trovo che i(t)' = 4.71 ( ho moltiplicato per radice di 2)
2) tengo acceso il generatore di tensione( omega = 50, Xl = j*0.5 , Xc = -j, E = 35.355*e^(-1.047) (l'ho convertita nel fasore)
Fig.2
A questo calcolo l'impedenza equivalente nel seguente modo:
metto in serie R1+R2 -> faccio il parallelo tra (R1+R2)//Xl -> infine metto in serie [(R1+R2)//Xl ] + Xc. Il risultato è 0.231-j.0655 = 0.695*e^(-j1.232).
Procedo con il calcolo della corrente passare per il ramo del generatore di tensione facendo il rapporto tra tensione e l'impedenza appena calcolata trovandomi Ie = 50.87*e^(0.185).
Dal circuito in Fig.2 faccio il partitore di corrente per calcolarmi la Il'' che esce 42.22*e^(-0.405) che nel dominio del tempo corrisponde a i(t)''=59.71*cos(50t-0.405).
In conclusione eseguo la somma tra i(t)'+i(t)'' = i(t) = 4.71+59.71*cos(50t-0.405).
Per t = 2 ho i(t) = 18.35.
Mi è stato riferito che le soluzioni potrebbero essere sbagliato. In questo caso non so se è giusto il mio risultato. In ogni caso volevo anche chiedere come risolvere i punti 1 e 2 dei quali non ho nessuna idea di come si debbano fare.
Spero che sia stato più chiaro. Grazie delle eventuali risposte.
2
voti
Mi congratulo per la nuova presentazione
e passo ai commenti.
1)
Perché? E' una corrente continua che si instaura nell'induttore
alla fine del transitorio, quindi rimane 3.33A.
2)OK per l'impedenza totale col solo generatore di tensione,
ma non capisco perché poi consideri il valore efficace
della tensione. Se devi trovare valori massimi e minimi
e al tempo T, devi usare il valore di picco (50V).
Con questo dovresti arrivare a ricavare il modulo della
corrente cercata (=60A), che con l'aggiunta della continua
(attento a considerare i versi) ti permette di ricavare
i 2 primi valori del risultato.
3)Il terzo valore non mi torna. A me dal calcolo risulta 32.3A
(confermato anche dalla simulazione =32.2A).
Prova anche tu, poi ci risentiamo.
e passo ai commenti.
1)
ezio1400 ha scritto: ricavo la Il' = 3.33. Portando tale valore nel dominio del tempo trovo che i(t)' = 4.71 ( ho moltiplicato per radice di 2)
Perché? E' una corrente continua che si instaura nell'induttore
alla fine del transitorio, quindi rimane 3.33A.
2)OK per l'impedenza totale col solo generatore di tensione,
ma non capisco perché poi consideri il valore efficace
della tensione. Se devi trovare valori massimi e minimi
e al tempo T, devi usare il valore di picco (50V).
Con questo dovresti arrivare a ricavare il modulo della
corrente cercata (=60A), che con l'aggiunta della continua
(attento a considerare i versi) ti permette di ricavare
i 2 primi valori del risultato.
3)Il terzo valore non mi torna. A me dal calcolo risulta 32.3A
(confermato anche dalla simulazione =32.2A).
Prova anche tu, poi ci risentiamo.
0
voti
Ah ecco perché non mi uscivano. La i(t)' nel dominio del tempo è -3.33. Se al posto di usare nei calcoli il valore di picco della tensione ovvero 50V mi portassi nella rappresentazione fasoriale con 
effettuando i calcoli ottengo che
. 59.71 dovrebbe essere il valore massimo della corrente i(t)'' (cioè considero il coseno di 0. Quindi il valore massimo della corrente è
che lasciando da parte approssimazioni eventuali dovrebbe essere giusto e coincidere con il risultato. Per calcolare la i(t)min invece considero il coseno di 180 gradi e quindi
anche questo a meno di approssimazioni dovrebbe essere giusto.
Lei spero mi confermerà l'esattezza di ciò.
Ora come ben può vedere la mia formula finale è
che al valore di t = 2 (con la correzione effettuata grazie a lei non risulta più 18.35 ma 10.31 che purtroppo non coincide con il risultato da lei trovato. Dato che i valori massimi e minimi della corrente dovrebbero essere esatti, l'unico errore che potrei aver commesso è nel calcolo della fase che come si vede è -0.405 rad.
Dato che lei mi ha confermato che l'impedenza totale è esatta la sua fase è -1.23. La fase del generatore è -1.047 dai dati(non viene specificata l'unità di misura ma presuppongo essere in radianti). La fase della corrente Ie dopo il rapporto tra tensione e impedenza risulta
. Nel partitore di corrente che ho utilizzato per calcolare la It'' ( nel fasoriale ) ho ottenuto la seguente formula 
.
ho trovato che ha fase -0.59. Quindi la fase finale è
.
In questo caso non penso che la differenza tra il mio risultato e il suo sia da imputare a qualche approssimazione. Rifacendo i calcoli una seconda volta però mi è uscita comunque la stessa fase.

effettuando i calcoli ottengo che
. 59.71 dovrebbe essere il valore massimo della corrente i(t)'' (cioè considero il coseno di 0. Quindi il valore massimo della corrente è
che lasciando da parte approssimazioni eventuali dovrebbe essere giusto e coincidere con il risultato. Per calcolare la i(t)min invece considero il coseno di 180 gradi e quindi
anche questo a meno di approssimazioni dovrebbe essere giusto.Lei spero mi confermerà l'esattezza di ciò.
Ora come ben può vedere la mia formula finale è

che al valore di t = 2 (con la correzione effettuata grazie a lei non risulta più 18.35 ma 10.31 che purtroppo non coincide con il risultato da lei trovato. Dato che i valori massimi e minimi della corrente dovrebbero essere esatti, l'unico errore che potrei aver commesso è nel calcolo della fase che come si vede è -0.405 rad.
Dato che lei mi ha confermato che l'impedenza totale è esatta la sua fase è -1.23. La fase del generatore è -1.047 dai dati(non viene specificata l'unità di misura ma presuppongo essere in radianti). La fase della corrente Ie dopo il rapporto tra tensione e impedenza risulta
. Nel partitore di corrente che ho utilizzato per calcolare la It'' ( nel fasoriale ) ho ottenuto la seguente formula 
.
ho trovato che ha fase -0.59. Quindi la fase finale è
.In questo caso non penso che la differenza tra il mio risultato e il suo sia da imputare a qualche approssimazione. Rifacendo i calcoli una seconda volta però mi è uscita comunque la stessa fase.
1
voti
Non capisco perché usi il valore efficace
per il modulo di E.
Facendo direttamente i calcolo con 50V
ottengo il modulo di i(t)'' esattamente uguale a 60A,
con una fase di -0.403 (in rad, praticamente uguale
alla tua).
Comunque anche con le approssimazioni di calcolo,
come risultato a 2s con i tuoi valori ottengo 32.1A.
Come mai a te risulta 10.31A?
per il modulo di E.
Facendo direttamente i calcolo con 50V
ottengo il modulo di i(t)'' esattamente uguale a 60A,
con una fase di -0.403 (in rad, praticamente uguale
alla tua).
Comunque anche con le approssimazioni di calcolo,
come risultato a 2s con i tuoi valori ottengo 32.1A.
Come mai a te risulta 10.31A?
0
voti
Confermo anche a me esce 32,1 A. In ogni caso preferisco usare questa strada perché mi è più famigliare anche se capisco che comunque è più laboriosa rispetto a quella che usa direttamente il valore di picco di 50 V. Va bene ti ringrazio infinitamente per l'aiuto 
8 messaggi
• Pagina 1 di 1
Torna a Elettrotecnica generale
Chi c’è in linea
Visitano il forum: Nessuno e 122 ospiti

Elettrotecnica e non solo (admin)
Un gatto tra gli elettroni (IsidoroKZ)
Esperienza e simulazioni (g.schgor)
Moleskine di un idraulico (RenzoDF)
Il Blog di ElectroYou (webmaster)
Idee microcontrollate (TardoFreak)
PICcoli grandi PICMicro (Paolino)
Il blog elettrico di carloc (carloc)
DirtEYblooog (dirtydeeds)
Di tutto... un po' (jordan20)
AK47 (lillo)
Esperienze elettroniche (marco438)
Telecomunicazioni musicali (clavicordo)
Automazione ed Elettronica (gustavo)
Direttive per la sicurezza (ErnestoCappelletti)
EYnfo dall'Alaska (mir)
Apriamo il quadro! (attilio)
H7-25 (asdf)
Passione Elettrica (massimob)
Elettroni a spasso (guidob)
Bloguerra (guerra)





