Se collego i poli di un motore DC tutti e due allo stesso morsetto, + e + oppure - e - della stessa fonte di alimentazione, chiaramente non funziona, ma può subire danni il motore stesso o la batteria?
Ciao
Collegamento motore in c.c.
Moderatori:
SandroCalligaro,
mario_maggi,
fpalone
14 messaggi
• Pagina 1 di 2 • 1, 2
0
voti
Dipende dalle condizioni iniziali in cui si trova il motore.
Se è già fermo, collegare i suoi poli al medesimo potenziale non sortisce effetti di alcun tipo.
Se invece parti che hai un motore già in rotazione, magari alla massima velocità e, improvvisamente ne colleghi entrambi i poli al medesimo potenziale, ovvero entrambi allo stesso polo, ottieni il "freno motore" in pratica un arresto violento che rischia di danneggiare il motore.
In genere tanto più è grande il motore tanto maggiori sono i danni che è in grado di fare questo collegamento, sempre in caso di motore già in funzione prima del collegamento.
Se è già fermo, collegare i suoi poli al medesimo potenziale non sortisce effetti di alcun tipo.
Se invece parti che hai un motore già in rotazione, magari alla massima velocità e, improvvisamente ne colleghi entrambi i poli al medesimo potenziale, ovvero entrambi allo stesso polo, ottieni il "freno motore" in pratica un arresto violento che rischia di danneggiare il motore.
In genere tanto più è grande il motore tanto maggiori sono i danni che è in grado di fare questo collegamento, sempre in caso di motore già in funzione prima del collegamento.
-

harpefalcata
326 1 3 6 - Stabilizzato

- Messaggi: 422
- Iscritto il: 28 lug 2015, 21:03
0
voti
Sembra di capire che la batteria sia rimasta aperta, mentre il motore è stato messo in corto circuito. Se è a magneti permanenti, o ad eccitazione indipendente, e questa era attiva, applicando una coppia motrice al motore, questo come generatore in corto, può danneggiarsi e parecchio.
Non è chiaro lo scopo della tua domanda: situazione teorica o reale?
Non è chiaro lo scopo della tua domanda: situazione teorica o reale?
-

Candy
32,5k 7 10 13 - CRU - Account cancellato su Richiesta utente
- Messaggi: 10123
- Iscritto il: 14 giu 2010, 22:54
0
voti
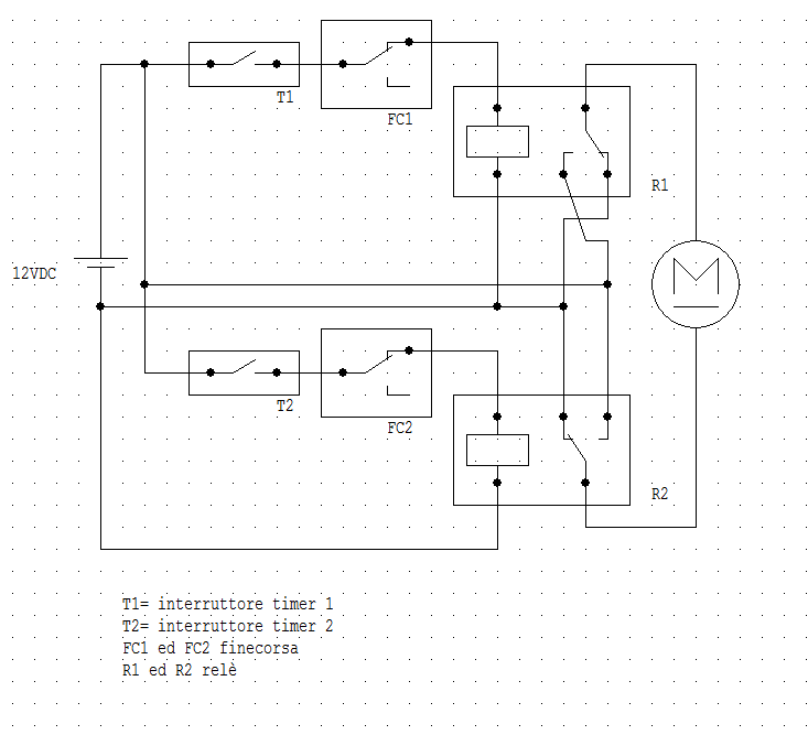
E' una situazione reale, allego uno schema T1 e T2 chiaramente si attivano a due orari differenti.
Il motore in questione non so di che tipo sia, ne ho diversi, ma sono quelli di piccole dimensioni, sono tutti di recupero e so solo che si alimentano a 12VDC non conosco altre specifiche sui motori.
Ciao
Il motore in questione non so di che tipo sia, ne ho diversi, ma sono quelli di piccole dimensioni, sono tutti di recupero e so solo che si alimentano a 12VDC non conosco altre specifiche sui motori.
Ciao
0
voti
Cosa azionano? Serre? Finestre? Od altri oggetti? Ti crea fatica spiegare in funzione dell'intervento precedente?
Se sono piccolini sono quasi certamente a magneti permanenti. Se il riduttore meccanico non è presente o è reversibile, motori e relè possono vedere correnti esagerate e danneggiare tutto.
Lo schema che hai inserito andrebbe unicamente bene solo se è scongiurato il pericolo che il carico applicato al motore possa gravare sul medesimo facendolo girare. Ipotizza che non sia così, perché altrimenti il motore servirebbe frenato, quindi, è probabile che a motore fermo il carico non gravi su questo. Ma devi diro tu. Se la cosa è confermata, non vi è un rischio danno, il motore funzionerebbe solo in due quadranti.
Al limite puoi mettere qualche snubber per salvaguardare i contatti dei relè.
Se sono piccolini sono quasi certamente a magneti permanenti. Se il riduttore meccanico non è presente o è reversibile, motori e relè possono vedere correnti esagerate e danneggiare tutto.
Lo schema che hai inserito andrebbe unicamente bene solo se è scongiurato il pericolo che il carico applicato al motore possa gravare sul medesimo facendolo girare. Ipotizza che non sia così, perché altrimenti il motore servirebbe frenato, quindi, è probabile che a motore fermo il carico non gravi su questo. Ma devi diro tu. Se la cosa è confermata, non vi è un rischio danno, il motore funzionerebbe solo in due quadranti.
Al limite puoi mettere qualche snubber per salvaguardare i contatti dei relè.
-

Candy
32,5k 7 10 13 - CRU - Account cancellato su Richiesta utente
- Messaggi: 10123
- Iscritto il: 14 giu 2010, 22:54
0
voti
harpefalcata ha scritto:Se invece parti che hai un motore già in rotazione, magari alla massima velocità e, improvvisamente ne colleghi entrambi i poli al medesimo potenziale, ovvero entrambi allo stesso polo, ottieni il "freno motore" in pratica un arresto violento che rischia di danneggiare il motore.
ma sei sicuro? se metti entrambi i poli allo stesso potenziale, non ottieni un freno motore, quello lo ottieni se dai una corrente tale da creare una coppia che si oppone alla rotazione del carico.
con due poli alla stessa tensione non ottieni coppia, dato che non circola corrente.
Almeno l'itagliano sallo...
0
voti
Nei motori a magenti permanenti o ad eccitazione indipendente, si genera corrente eccome, e funge da freno eccome. Il motore si porta a lavorare in un quadrante con coppia di direzione opposta, generando corrente.
-

Candy
32,5k 7 10 13 - CRU - Account cancellato su Richiesta utente
- Messaggi: 10123
- Iscritto il: 14 giu 2010, 22:54
0
voti
Un tale, non ricordo più bene chi, aveva detto che se fai girare una spira all'interno di un campo magnetico, la d.d.p. ai capi di questa si crea.
Roba vecchia però, che si diceva e scriveva su libri che non stampano più...
Roba vecchia però, che si diceva e scriveva su libri che non stampano più...
-

Candy
32,5k 7 10 13 - CRU - Account cancellato su Richiesta utente
- Messaggi: 10123
- Iscritto il: 14 giu 2010, 22:54
14 messaggi
• Pagina 1 di 2 • 1, 2
Chi c’è in linea
Visitano il forum: Nessuno e 16 ospiti

Elettrotecnica e non solo (admin)
Un gatto tra gli elettroni (IsidoroKZ)
Esperienza e simulazioni (g.schgor)
Moleskine di un idraulico (RenzoDF)
Il Blog di ElectroYou (webmaster)
Idee microcontrollate (TardoFreak)
PICcoli grandi PICMicro (Paolino)
Il blog elettrico di carloc (carloc)
DirtEYblooog (dirtydeeds)
Di tutto... un po' (jordan20)
AK47 (lillo)
Esperienze elettroniche (marco438)
Telecomunicazioni musicali (clavicordo)
Automazione ed Elettronica (gustavo)
Direttive per la sicurezza (ErnestoCappelletti)
EYnfo dall'Alaska (mir)
Apriamo il quadro! (attilio)
H7-25 (asdf)
Passione Elettrica (massimob)
Elettroni a spasso (guidob)
Bloguerra (guerra)




