Sono nuovo qui sul forum, ma vi seguo ormai da alcuni anni. Mi chiamo Giorgio, sono uno studente di Ingegneria Informatica e ho frequentato il corso di Elettrotecnica.
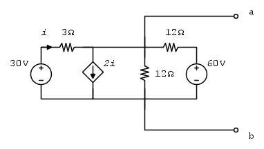
Ho trovato un esercizio riguardo l'applicazione del Teorema di Thevenin. Riesco a risolverlo utilizzando alcuni metodi risolutivi, come il metodo dei nodi, ma vorrei chiedervi il metodo assolutamente più veloce. Ho visto e ammiro il Teorema di RenzoDF, utilizzo e conosco il Teorema di Millman (è possibile utilizzare anche Millman per trovare la tensione di Thevenin). Chiedo quindi come procedereste per risolvere in maniera veloce ed efficiente questo circuito:
Vi illustro come ho proceduto per il calcolo della tensione di Thevenin:
Ho applicato Millman, sostituendo però prima il generatore indipendente di tensione da 30V (su cui scorre la corrente i) con un generatore di corrente da 30/3=10A.
Volendo, per comodità, è possibile sostituire anche il generatore di tensione a destra da 60V con un generatore di corrente di valore 60/12=5A, stando però attenti al verso della corrente. Utilizzando la convenzione degli utilizzatori (corrente entrante sul terminale positivo), il generatore di corrente da 5A avrà verso concorde con il generatore pilotato. Applicando velocemente Millman ho visto che la tensione di Thevenin risulta essere appunto 30V.
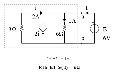
Per il calcolo della tensione a vuoto, invece, vorrei riuscire a farlo in maniera veloce. Non capisco bene inoltre quel segno negativo, diciamo che mi sono "autoconvinto" che sia una resistenza negativa ma non ho capito bene il perché.
Cito


Elettrotecnica e non solo (admin)
Un gatto tra gli elettroni (IsidoroKZ)
Esperienza e simulazioni (g.schgor)
Moleskine di un idraulico (RenzoDF)
Il Blog di ElectroYou (webmaster)
Idee microcontrollate (TardoFreak)
PICcoli grandi PICMicro (Paolino)
Il blog elettrico di carloc (carloc)
DirtEYblooog (dirtydeeds)
Di tutto... un po' (jordan20)
AK47 (lillo)
Esperienze elettroniche (marco438)
Telecomunicazioni musicali (clavicordo)
Automazione ed Elettronica (gustavo)
Direttive per la sicurezza (ErnestoCappelletti)
EYnfo dall'Alaska (mir)
Apriamo il quadro! (attilio)
H7-25 (asdf)
Passione Elettrica (massimob)
Elettroni a spasso (guidob)
Bloguerra (guerra)








e la resistenza equivalente e` di
. Fino a questo punto nessuna equazione da risolvere o da scrivere, sono conti che si fanno step by step.
ma
e per valutare la seconda espressione si scrive (almeno con una calcolatrice semplice), R1, reciproco, piu`, R2 reciproco, uguale, reciproco.


