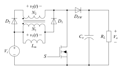
mi viene chiesto se il seguente convertitore DC-DC abbia o meno uno zero a parte reale positiva:
Il problema non è capire come funziona il circuito, quello mi è chiaro, ma come determinare se ci sia o no lo zero a parte reale positiva.
Deve esserci un modo per rispondere che eviti di ricavare il modello a piccolo segnale del circuito, ma non so da dove cominciare.
Grazie mille


Elettrotecnica e non solo (admin)
Un gatto tra gli elettroni (IsidoroKZ)
Esperienza e simulazioni (g.schgor)
Moleskine di un idraulico (RenzoDF)
Il Blog di ElectroYou (webmaster)
Idee microcontrollate (TardoFreak)
PICcoli grandi PICMicro (Paolino)
Il blog elettrico di carloc (carloc)
DirtEYblooog (dirtydeeds)
Di tutto... un po' (jordan20)
AK47 (lillo)
Esperienze elettroniche (marco438)
Telecomunicazioni musicali (clavicordo)
Automazione ed Elettronica (gustavo)
Direttive per la sicurezza (ErnestoCappelletti)
EYnfo dall'Alaska (mir)
Apriamo il quadro! (attilio)
H7-25 (asdf)
Passione Elettrica (massimob)
Elettroni a spasso (guidob)
Bloguerra (guerra)