Collegamento vimar plana 14050
Moderatori:
sebago,
MASSIMO-G,
lillo,
Mike
8 messaggi
• Pagina 1 di 1
0
voti
Devo cambiare 2 campanelli, e vogliamo mettere il pulsante Vimar Plana 14050 ma non riesco a collegarlo come si deve.
Ho 2 cavi che sono a 220 V per far suonare il campanello. Io devo collegarli al pulsante e contemporaneamente voglio che resti accesa la lampadina che c''è (ovviamente è a 220 V).
Ho provato a collegare 1 e L ai due cavi che ho e fare ponte 1-4 e L-3 per dare corrente anche alla lampadina, ma se lo faccio sul campanello (sempre vimar) sento rumori.
Come va collegato? Non ho una linea separate per la luce. Ho solo questi due cavi.
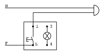
Qua lo schema del campanello
http://download.vimar.com/irj/go/km/doc ... .10062.png
Ho 2 cavi che sono a 220 V per far suonare il campanello. Io devo collegarli al pulsante e contemporaneamente voglio che resti accesa la lampadina che c''è (ovviamente è a 220 V).
Ho provato a collegare 1 e L ai due cavi che ho e fare ponte 1-4 e L-3 per dare corrente anche alla lampadina, ma se lo faccio sul campanello (sempre vimar) sento rumori.
Come va collegato? Non ho una linea separate per la luce. Ho solo questi due cavi.
Qua lo schema del campanello
http://download.vimar.com/irj/go/km/doc ... .10062.png
1
voti
Se hai solo i due fili del pulsante non hai alternativa devi aggiungere un filo.
Saluti
Saluti
Il problema dell'umanità è che gli stupidi sono strasicuri,mentre gli intelligenti sono pieni di dubbi
0
voti
No, il ponte che ho fatto è giusto. Mi hanno dato la lampadina sbagliata. Me l'hanno data da 3W a incandescenza e dava problemi. Me le sono fatte cambiare con quelle da 1W led. Anche perché quella a incandescenza mi cuoce il pulsante restando accesa 24/7
L'unica cosa che per essere una lampadina led da 1W fa una luce che fa veramente schifo...Molto leggera. Non sembra neanche da 1W
L'unica cosa che per essere una lampadina led da 1W fa una luce che fa veramente schifo...Molto leggera. Non sembra neanche da 1W
1
voti
Intanto: in quel pulsante, puoi mettere al massimo una lampada da 1W (come da indicazioni Vimar)
non certo 3W
poi, come ti ha già detto
soltec, ti serve anche il neutro se vuoi illuminare la targa.
Quindi, no, non è giusto il ponte che hai fatto.
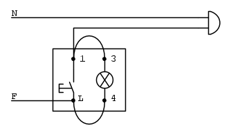
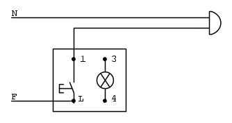
Senza lampada sei in questa situazione:
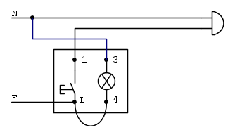
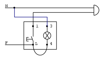
Se realizzi il ponte tra 1-3 e L-4 ti porti in questa:
Come puoi vedere chiaramente dallo schema sopra, la lampada si richiude sul neutro ATTRAVERSO il carico (la suoneria). Ecco perché senti il rumore, perché la corrente che circola nella lampada, circola anche nella suoneria. Tra l'altro, avendo la lampada in serie alla suoneria, è normale che la lampada si illumini meno di quello che ti aspetti.
Questo tipo di collegamento (lampada del pulsante in parallelo con i contatti NA del pulsante) "funziona" quando il carico è un relé, ad esempio quelli a ritenuta (passo-passo) per comandare delle lampade. In quel caso, la bobina del relè permette il passaggio della corrente necessaria per illuminare i pulsanti.
Questa corrente però non influisce nel funzionamento del relè (questo in realtà è vero fino ad un certo numero di lampade)
Funziona tanto che, ad esempio, i pulsanti Vimar illuminabili, sono dotati di un connettore che permette di inserire "a spina" la lampada che farà da illuminazione, che risulta essatamente in parallelo al contatto.
Nel caso di suonerie (magari elettroniche), come hai visto, non è la stessa cosa.
Ecco perché, come detto, ti serve anche il neutro. Per chiudere il circuito senza passare per il carico.
Il famoso "filo" in più insomma
.
non certo 3W
poi, come ti ha già detto
Quindi, no, non è giusto il ponte che hai fatto.
Senza lampada sei in questa situazione:
Se realizzi il ponte tra 1-3 e L-4 ti porti in questa:
Come puoi vedere chiaramente dallo schema sopra, la lampada si richiude sul neutro ATTRAVERSO il carico (la suoneria). Ecco perché senti il rumore, perché la corrente che circola nella lampada, circola anche nella suoneria. Tra l'altro, avendo la lampada in serie alla suoneria, è normale che la lampada si illumini meno di quello che ti aspetti.
Questo tipo di collegamento (lampada del pulsante in parallelo con i contatti NA del pulsante) "funziona" quando il carico è un relé, ad esempio quelli a ritenuta (passo-passo) per comandare delle lampade. In quel caso, la bobina del relè permette il passaggio della corrente necessaria per illuminare i pulsanti.
Questa corrente però non influisce nel funzionamento del relè (questo in realtà è vero fino ad un certo numero di lampade)
Funziona tanto che, ad esempio, i pulsanti Vimar illuminabili, sono dotati di un connettore che permette di inserire "a spina" la lampada che farà da illuminazione, che risulta essatamente in parallelo al contatto.
Nel caso di suonerie (magari elettroniche), come hai visto, non è la stessa cosa.
Ecco perché, come detto, ti serve anche il neutro. Per chiudere il circuito senza passare per il carico.
Il famoso "filo" in più insomma
in /dev/null no one can hear you scream
0
voti
E da dove lo prendo se i cavi dentro la guaina sono 2?
Comunque con la lampada da 1W di rumore non ne sento (ci scorre poca corrente perché?).
Oltre tutto ho una lampada a 220 V, mentre le altre le devo mettere a 12V perché c'è ancora il vecchio impianto che ha il trasformatore sulla scala per fare 220-12V.
Io in entrambi i casi ho sempre e solo 2 cavi dentro le scatole. Oltre tutto l'impianto è fatto "accazzi" dato che i colori dei fili sono entrambi blu (fili che sono tipo i cavetti del cavo ethernet, con l'isolante e un solo cavo dentro)

mentre quello del mio appartamento a cui abbiamo rifatto l'impianto, la corrente la prende da casa e non dalla scala quindi c'è la 220, ma sempre 2 cavi ci sono (soliti da 220).
Comunque con la lampada da 1W di rumore non ne sento (ci scorre poca corrente perché?).
Oltre tutto ho una lampada a 220 V, mentre le altre le devo mettere a 12V perché c'è ancora il vecchio impianto che ha il trasformatore sulla scala per fare 220-12V.
Io in entrambi i casi ho sempre e solo 2 cavi dentro le scatole. Oltre tutto l'impianto è fatto "accazzi" dato che i colori dei fili sono entrambi blu (fili che sono tipo i cavetti del cavo ethernet, con l'isolante e un solo cavo dentro)

mentre quello del mio appartamento a cui abbiamo rifatto l'impianto, la corrente la prende da casa e non dalla scala quindi c'è la 220, ma sempre 2 cavi ci sono (soliti da 220).
0
voti
Ora che ho anche le lampadine da 12V riesco a fare il confronto.
Quella a 220 V fa una luce molto fioca, mentre quelle da 12V fanno una luce come si deve.
Sulla lampada da 220 ho fatto come avete detto, e la cosa non cambia. I ponti li ho proprio tolti e ci ho fatto arrivare altri 2 cavi, quindi su una linea separata. In quello da 12 ho lasciato i ponti perché volevo vedere la differenza: fa il doppio della luce rispetto a quella da 220 V. Sulla lampadina da 220 V c'è scritto che è da 1W, mentre quella da 12V non c'è scritto niente. Le ho fatte arrivare apposta e mi hanno detto che è l'unica che fanno, originale. Quindi direi che è anche quella da 12V.
Com'è possibile che una fa una luce, e l'altra ne fa la metà se sono entrambe da 1W? Che siano a 220 o a 12V non cambia, no? Se entrambe sono da 1W, una succhia più corrente dell'altra dato che la potenza è sempre V*I (RMS)
Quella a 220 V fa una luce molto fioca, mentre quelle da 12V fanno una luce come si deve.
Sulla lampada da 220 ho fatto come avete detto, e la cosa non cambia. I ponti li ho proprio tolti e ci ho fatto arrivare altri 2 cavi, quindi su una linea separata. In quello da 12 ho lasciato i ponti perché volevo vedere la differenza: fa il doppio della luce rispetto a quella da 220 V. Sulla lampadina da 220 V c'è scritto che è da 1W, mentre quella da 12V non c'è scritto niente. Le ho fatte arrivare apposta e mi hanno detto che è l'unica che fanno, originale. Quindi direi che è anche quella da 12V.
Com'è possibile che una fa una luce, e l'altra ne fa la metà se sono entrambe da 1W? Che siano a 220 o a 12V non cambia, no? Se entrambe sono da 1W, una succhia più corrente dell'altra dato che la potenza è sempre V*I (RMS)
0
voti
Salve,
visto larticolo vorrei inserirmi chiedendo se è possibile fargli una modifica all lampadina, dal momento che di tanto in tanto le lampadine saltano è possibile sostituire le lampadine con un led? tipo con un circuito del genere?
visto larticolo vorrei inserirmi chiedendo se è possibile fargli una modifica all lampadina, dal momento che di tanto in tanto le lampadine saltano è possibile sostituire le lampadine con un led? tipo con un circuito del genere?
0
voti
Buon Giorno,
per non aprire un altro post mi allego a questo.
Vi contatto per chiedere se possibile collegare un led al campanello Vimar, allego lo "schizzo" con i collegamenti effettivi
In entrata ci sono circa 16V AC.
Ho provato collegare il led con un diodo e un resistore ma quando suono non si accende il led.
Come potrebbe essere il cablaggio del led sempre se possibile realizzarlo
per non aprire un altro post mi allego a questo.
Vi contatto per chiedere se possibile collegare un led al campanello Vimar, allego lo "schizzo" con i collegamenti effettivi
In entrata ci sono circa 16V AC.
Ho provato collegare il led con un diodo e un resistore ma quando suono non si accende il led.
Come potrebbe essere il cablaggio del led sempre se possibile realizzarlo
8 messaggi
• Pagina 1 di 1
Torna a Impianti, sicurezza e quadristica
Chi c’è in linea
Visitano il forum: Nessuno e 158 ospiti

Elettrotecnica e non solo (admin)
Un gatto tra gli elettroni (IsidoroKZ)
Esperienza e simulazioni (g.schgor)
Moleskine di un idraulico (RenzoDF)
Il Blog di ElectroYou (webmaster)
Idee microcontrollate (TardoFreak)
PICcoli grandi PICMicro (Paolino)
Il blog elettrico di carloc (carloc)
DirtEYblooog (dirtydeeds)
Di tutto... un po' (jordan20)
AK47 (lillo)
Esperienze elettroniche (marco438)
Telecomunicazioni musicali (clavicordo)
Automazione ed Elettronica (gustavo)
Direttive per la sicurezza (ErnestoCappelletti)
EYnfo dall'Alaska (mir)
Apriamo il quadro! (attilio)
H7-25 (asdf)
Passione Elettrica (massimob)
Elettroni a spasso (guidob)
Bloguerra (guerra)











