sto avendo problemi con una centralina di moto , una kawasaki ER5 del 2004 . vorrei testarla al banco , ma sto avendo qualche difficolta , visto che non son bravissimo a capirne il disegno dell'impianto elettrico .
in pratica , vorrei darle la 12 volt ai giusti piedini , per poter leggere qualcosa col tester alle uscite verso le bobine delle candele ... chi puo' aiutarmi ?
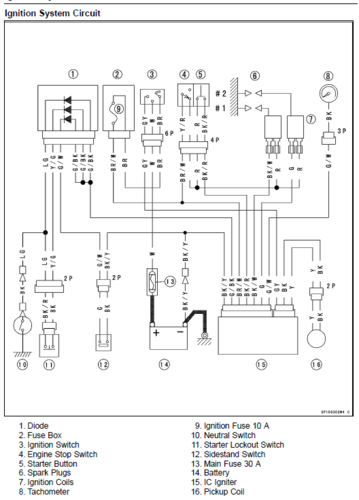
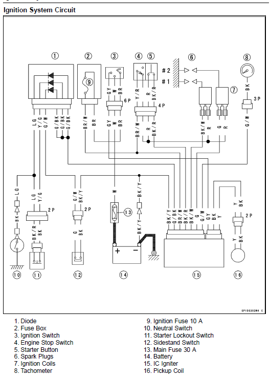
sto provando ad allegare lo schema elettrico dei collegamenti .. un grazie in anticipo a chi vorra' dargli un'occhiata.
... stavo pensando di sostituirla con una scheda tipo arduino ... che ne dite ? sarebbe fattibile la cosa ? d'altronde , non riceve che il segnale dal pick-up ... una serie di consensi elettrici ... e infine lo invia alle bobine con il giusto tempo ( non so' se in ritardo di qualche decimo o altro )
centralina moto del 2000
Moderatori:
carloc,
g.schgor,
BrunoValente,
IsidoroKZ
16 messaggi
• Pagina 1 di 2 • 1, 2
1
voti
non sono molto esperto di centraline.
giudicando un po dallo schema sembrerebbe che tu abbia ragione, con un po di segnali in ingresso dovresti avere il controllo delle bobine.
il segnale del pick-up, mi pare il 16, deve essere fornito con generatore di segnale un po preciso, o arduino oppure astabile, necessario per una corretta valutazione dell'uscita.
valutando però il funzionamento con un tester penso che sia inutile, gia capire se funziona potrebbe essere problematico, figuriamoci valutare quali siano i tempi ed i ritardi.....è indispensabile un oscilloscopio.
saluti.
giudicando un po dallo schema sembrerebbe che tu abbia ragione, con un po di segnali in ingresso dovresti avere il controllo delle bobine.
il segnale del pick-up, mi pare il 16, deve essere fornito con generatore di segnale un po preciso, o arduino oppure astabile, necessario per una corretta valutazione dell'uscita.
valutando però il funzionamento con un tester penso che sia inutile, gia capire se funziona potrebbe essere problematico, figuriamoci valutare quali siano i tempi ed i ritardi.....è indispensabile un oscilloscopio.
saluti.
-

lelerelele
4.899 3 7 9 - Master

- Messaggi: 5505
- Iscritto il: 8 giu 2011, 8:57
- Località: Reggio Emilia
1
voti
francomar ha scritto:... e infine lo invia alle bobine con il giusto tempo ( non so' se in ritardo di qualche decimo o altro )
Non è così banale....
Non credo la si possa testare in modo statico col multimetro, come minimo dovresti fare un circuitello per simulare il segnale del pick-up
Alberto
La vita è come una bicicletta, devi sempre pedalare per rimanere in equilibrio
Annuncio sempre valido: http://www.electroyou.it/forum/viewtopic.php?f=10&t=62668
La vita è come una bicicletta, devi sempre pedalare per rimanere in equilibrio
Annuncio sempre valido: http://www.electroyou.it/forum/viewtopic.php?f=10&t=62668
-

AlbertoBianchi
2.009 3 5 - Master

- Messaggi: 836
- Iscritto il: 4 dic 2014, 18:30
- Località: Lastra a Signa (FI)
0
voti
AlbertoBianchi ha scritto:...con una curva di relazione (mappatura) specifica per ogni motore...
Quest'omino ha ragione!
Se quello che funziona basta non lo tocca' sennò te lassa!
0
voti
Il vero problema è la mancanza dell'oscilloscopio. Senza non credo sarei riuscito a farla.
La centralina della mia moto l'ho realizzata con una cpld e varia la fase riducendo il ritardo al salire dei giri. "Curva di relazione" realizzata molto semplicemente in modo empirico.
Mi è anche capitato di aggiustarne una di una minicar, realizzata con PIC e ho verificato che lo sfasamento varia in modo lineare all'aumentare dei giri, più o meno come la mia.
La centralina della mia moto l'ho realizzata con una cpld e varia la fase riducendo il ritardo al salire dei giri. "Curva di relazione" realizzata molto semplicemente in modo empirico.
Mi è anche capitato di aggiustarne una di una minicar, realizzata con PIC e ho verificato che lo sfasamento varia in modo lineare all'aumentare dei giri, più o meno come la mia.
-

Utdis1
466 1 3 6 - CRU - Account cancellato su Richiesta utente
- Messaggi: 587
- Iscritto il: 16 mar 2009, 19:04
0
voti
Io ho avuto a che fare con una centalina Piaggio, anch'essa con PIC, non so quale modello perché a me avevano dato solo quella per realizzare il programmatore per il firmware e per le curve da memorizzare in eeprom.
Le mappe delle curve che avevo, probabilmente per vari motori, erano abbastanza lineari in basso ma salendo con i giri la pendenza si accentuava sempre più, mi sembra nel senso di un anticipo maggiore (sarebbe logico) ma vado a memoria, son passati più di dieci anni, mi potrei sbagliare...
Le mappe delle curve che avevo, probabilmente per vari motori, erano abbastanza lineari in basso ma salendo con i giri la pendenza si accentuava sempre più, mi sembra nel senso di un anticipo maggiore (sarebbe logico) ma vado a memoria, son passati più di dieci anni, mi potrei sbagliare...
Alberto
La vita è come una bicicletta, devi sempre pedalare per rimanere in equilibrio
Annuncio sempre valido: http://www.electroyou.it/forum/viewtopic.php?f=10&t=62668
La vita è come una bicicletta, devi sempre pedalare per rimanere in equilibrio
Annuncio sempre valido: http://www.electroyou.it/forum/viewtopic.php?f=10&t=62668
-

AlbertoBianchi
2.009 3 5 - Master

- Messaggi: 836
- Iscritto il: 4 dic 2014, 18:30
- Località: Lastra a Signa (FI)
0
voti
Di solito i diagrammi di accensione dei motori quattro tempi standard sono simili a questo:
Su motori racing la cosa puo variare leggermente, ma solitamente ad un certo regime l' anticipo si stabilizza su un valore fisso.
Su motori racing la cosa puo variare leggermente, ma solitamente ad un certo regime l' anticipo si stabilizza su un valore fisso.

0
voti
AlbertoBianchi ha scritto:Io ho avuto a che fare con una centalina Piaggio, anch'essa con PIC...
Era un due o quattro tempi?
Sui due tempi (spece su quelli ad alte prestazioni) le cose oltre un certo regime cambiano parecchio, nel senso che solitamente dopo i 9/10 mila RPM l' anticipo torna a diminuire, perche le turbolenze in camera di scoppio accelerano notevolmente la combustione.
Anche se spesso le accensioni di serie dei motori standard seguono curve simili a quelle dei 4 tempi.
0
voti
il problem del pick-up avevo gia' capito che sarebbe stato un VERO problema .. allora :
ho montato il rotore che lo eccita su un motorino elettrico e nelle vicinanze ho montato il pick-up .-- risultato : ho un vero segnale a disposizione .. son tutti gli altri che mi fregano , e non son riuscito a ricavarne un segnale , da questa centralina ! ! !
P.S. centralina NIPPONDENSO 21119 di una kawasaki , 500 cm3 , bicilindrica ,4 tmpi , tre valvole per cilindro ... con cui non ho superato mai i 7'000 giri ...ne' credo che lo faro' mai , visto l'uso prevalentemente casa - lavoro e turistico che ne faccio ...
ho montato il rotore che lo eccita su un motorino elettrico e nelle vicinanze ho montato il pick-up .-- risultato : ho un vero segnale a disposizione .. son tutti gli altri che mi fregano , e non son riuscito a ricavarne un segnale , da questa centralina ! ! !
P.S. centralina NIPPONDENSO 21119 di una kawasaki , 500 cm3 , bicilindrica ,4 tmpi , tre valvole per cilindro ... con cui non ho superato mai i 7'000 giri ...ne' credo che lo faro' mai , visto l'uso prevalentemente casa - lavoro e turistico che ne faccio ...
Ultima modifica di
francomar il 17 mar 2016, 13:08, modificato 1 volta in totale.
0
voti
Era sicuramente per un due tempi di piccola cilindrata.
Può essere benissimo che ad alti giri l'anticipo si stabilizzasse, ricordo l'andamento della curva che piegava ma purtroppo non ho più i dati di allora e vado a memoria visiva...
Può essere benissimo che ad alti giri l'anticipo si stabilizzasse, ricordo l'andamento della curva che piegava ma purtroppo non ho più i dati di allora e vado a memoria visiva...
Alberto
La vita è come una bicicletta, devi sempre pedalare per rimanere in equilibrio
Annuncio sempre valido: http://www.electroyou.it/forum/viewtopic.php?f=10&t=62668
La vita è come una bicicletta, devi sempre pedalare per rimanere in equilibrio
Annuncio sempre valido: http://www.electroyou.it/forum/viewtopic.php?f=10&t=62668
-

AlbertoBianchi
2.009 3 5 - Master

- Messaggi: 836
- Iscritto il: 4 dic 2014, 18:30
- Località: Lastra a Signa (FI)
16 messaggi
• Pagina 1 di 2 • 1, 2
Chi c’è in linea
Visitano il forum: Nessuno e 51 ospiti

Elettrotecnica e non solo (admin)
Un gatto tra gli elettroni (IsidoroKZ)
Esperienza e simulazioni (g.schgor)
Moleskine di un idraulico (RenzoDF)
Il Blog di ElectroYou (webmaster)
Idee microcontrollate (TardoFreak)
PICcoli grandi PICMicro (Paolino)
Il blog elettrico di carloc (carloc)
DirtEYblooog (dirtydeeds)
Di tutto... un po' (jordan20)
AK47 (lillo)
Esperienze elettroniche (marco438)
Telecomunicazioni musicali (clavicordo)
Automazione ed Elettronica (gustavo)
Direttive per la sicurezza (ErnestoCappelletti)
EYnfo dall'Alaska (mir)
Apriamo il quadro! (attilio)
H7-25 (asdf)
Passione Elettrica (massimob)
Elettroni a spasso (guidob)
Bloguerra (guerra)


