bobina interruttore automatico
Moderatori:
sebago,
MASSIMO-G,
lillo,
Mike
7 messaggi
• Pagina 1 di 1
0
voti
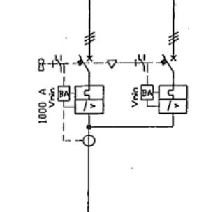
Ciao a tutti, quale significato ha secondo voi la sigla "Vmin" vicino al simbolo della bobina di apertura su questo interruttore?
- Allegati
-
- automatico.JPG (15.89 KiB) Osservato 4024 volte
0
voti
Grazie andrea, é da intendersi che alla.mancanza della tensione a monte l'interruttore apre? Il simbolo é di uno schema di un quadro di distribuzione a vallen di una cabina di trasformazione mt-bt, le linee in partenza sono protette tutte da interruttori sigla Vmin. Per quale motivo si usano?
0
voti
pollon ha scritto:é da intendersi che alla mancanza della tensione a monte l'interruttore apre?
Sì
pollon ha scritto: Per quale motivo si usano?
A volte si usano per aprire un interruttore da distante, ad esempio con un pulsante di sgancio, oppure possono essere usati nello scambio rete – gruppo elettrogeno, cioè in mancanza di tensione dalla rete l’interruttore si apre e si inserisce il gruppo.
Ciao
-

andreandrea
1.572 1 5 6 - Expert EY

- Messaggi: 790
- Iscritto il: 21 apr 2008, 13:26
- Località: Genova
1
voti
é da intendersi che alla.mancanza della tensione a monte l'interruttore apre?
Da non confondere la bobina di minima con un relè di controllo.
Nel tuo caso hai una bobina di minima che appena manca tensione ai sui morsetti , questa apre l'interruttore .
Quindi quando la tensione è presente ai capi della bobina ,questa è allo stato di "riposo".
Appena la tensione manca ai capi della bobina , la parte mecanica si muove e aggisce sul interrutorre che lo fa scattare.
In sostanza faciamo scattare l'interruttore quando lo vogliamo noi ,in base a una logica precisa .
Come ?
Togliamo alimentazione alla bobina .
Come togliamo alimentazione .??
Manualmente tramite un pulsante o interruttore NC .
Collegando la bobina a un rele di controllo (temperatura , tensione , sovracorrente ,ricalzo , teledisctaco, ecc.. ecc.. )
-

sankagiuliano
89 2 - New entry

- Messaggi: 89
- Iscritto il: 20 feb 2012, 20:23
1
voti
A dire il vero se è una classica bobina di minima tensione montata sui due interruttori interbloccati è rappresentata da cani, ma veramente da cani. Io credo di avere una certa esperienza di schemi e accessoriamento degli interruttori, mi sembra davvero rappresentata male , di solito le sigle usate ricalcano quelle dei vari costruttori (<U / YU / MN ect....)
7 messaggi
• Pagina 1 di 1
Torna a Impianti, sicurezza e quadristica
Chi c’è in linea
Visitano il forum: Nessuno e 57 ospiti

Elettrotecnica e non solo (admin)
Un gatto tra gli elettroni (IsidoroKZ)
Esperienza e simulazioni (g.schgor)
Moleskine di un idraulico (RenzoDF)
Il Blog di ElectroYou (webmaster)
Idee microcontrollate (TardoFreak)
PICcoli grandi PICMicro (Paolino)
Il blog elettrico di carloc (carloc)
DirtEYblooog (dirtydeeds)
Di tutto... un po' (jordan20)
AK47 (lillo)
Esperienze elettroniche (marco438)
Telecomunicazioni musicali (clavicordo)
Automazione ed Elettronica (gustavo)
Direttive per la sicurezza (ErnestoCappelletti)
EYnfo dall'Alaska (mir)
Apriamo il quadro! (attilio)
H7-25 (asdf)
Passione Elettrica (massimob)
Elettroni a spasso (guidob)
Bloguerra (guerra)

