Salve a tutti del forum. Volevo chiedervi cosa ne pensate di questo semplice schema di regolazione di tensione variabile.
Io ho un trasformatore da 16 volt, devo cambiare il valore di della resistenza o potenziometro? o apportare qualche modifica allo schema.
Inoltre ho questo voltmetro, come posso inserirlo nel circuito?
Grazie
Regolatore tensione variabile
39 messaggi
• Pagina 1 di 4 • 1, 2, 3, 4
0
voti
Inoltre da questo power supply ho ricavato un transistor TIP121, può sostituire LM317 dello schema?
- Allegati
-
- alan_hiq_dc_regulated_power_supply_1778678.jpg (24.7 KiB) Osservato 3405 volte
1
voti
Il TIP121, come tu hai detto, e' un transistor e non un regolatore di tensione quindi, nel caso, non puo' esere usato.
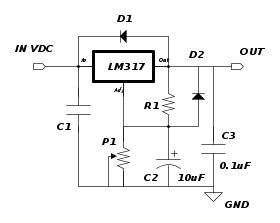
Allo schema che hai postato, sarebbe bene aggiungere un paio di diodi di protezione e qualche condensatore:
Per i diodi, possono andare bene del 1N4001/7; i condensatori sono plastici o poliestere da 0.1uF (C1/C3) e 10uF per C2 elettrolitco.
Mettendo come R1 una resistenza da 220 ohm, il potenziometro P1,sara' da 2.2k.
P.S. Per i collegamenti del voltmetro, puoi vedere qui
Allo schema che hai postato, sarebbe bene aggiungere un paio di diodi di protezione e qualche condensatore:
Per i diodi, possono andare bene del 1N4001/7; i condensatori sono plastici o poliestere da 0.1uF (C1/C3) e 10uF per C2 elettrolitco.
Mettendo come R1 una resistenza da 220 ohm, il potenziometro P1,sara' da 2.2k.
P.S. Per i collegamenti del voltmetro, puoi vedere qui
marco
0
voti
ho un LM317T ed un potenziometro da 470k, vanno bene comunque? devo modificare qualcosa?
0
voti
quindi devo acquistare potenziometro da 2.2k con una resistenza da 220 ohm
0
voti
ma il potenziometro deve essere collegato con il il piedino centrale con Adj dell'Lm317 e il 1° piedino all'uscita all'uscita del condensatore?
0
voti
ho riprodotto lo schema su una breadboard e noto che all'uscita ottengo una tensione massima di 16 volt e una minima di 0.04 volt ma il tutto non avviene di modo graduale ruotando il potenziometro. Va tipo da 0.04 e con una piccolissima rotazione (quasi impercettibile) va a 8 volt e poi subito a 16 volt senza neanche essere arrivato a metà rotazione del potenziometro.
che problema può essere?
che problema può essere?
0
voti
Non sono un esperto ma non è che hai preso un potenziometro logaritimico? Prova a misurare la resistenza del potenziometro con il tester mentre lo giri, a circuito spento ovviamente. Ti sembra lineare?


Più so e più mi accorgo di non sapere.
Qualsiasi cosa abbia scritto, tieni presente che sono ancora al mio primo rocchetto di stagno.
Qualsiasi cosa abbia scritto, tieni presente che sono ancora al mio primo rocchetto di stagno.
39 messaggi
• Pagina 1 di 4 • 1, 2, 3, 4
Torna a Costruzione, riparazione, riutilizzo
Chi c’è in linea
Visitano il forum: Nessuno e 5 ospiti

Elettrotecnica e non solo (admin)
Un gatto tra gli elettroni (IsidoroKZ)
Esperienza e simulazioni (g.schgor)
Moleskine di un idraulico (RenzoDF)
Il Blog di ElectroYou (webmaster)
Idee microcontrollate (TardoFreak)
PICcoli grandi PICMicro (Paolino)
Il blog elettrico di carloc (carloc)
DirtEYblooog (dirtydeeds)
Di tutto... un po' (jordan20)
AK47 (lillo)
Esperienze elettroniche (marco438)
Telecomunicazioni musicali (clavicordo)
Automazione ed Elettronica (gustavo)
Direttive per la sicurezza (ErnestoCappelletti)
EYnfo dall'Alaska (mir)
Apriamo il quadro! (attilio)
H7-25 (asdf)
Passione Elettrica (massimob)
Elettroni a spasso (guidob)
Bloguerra (guerra)




