Cos'è ElectroYou | Login Iscriviti

ElectroYou - la comunità dei professionisti del mondo elettrico

Esercizio sul generatore equivalente di Thévenin

Circuiti, campi elettromagnetici e teoria delle linee di trasmissione e distribuzione dell’energia elettrica

Moderatori: Foto Utenteg.schgor, Foto UtenteIsidoroKZ

0
voti

[1] Esercizio sul generatore equivalente di Thévenin

Messaggioda Foto UtenteDLz » 6 mag 2016, 14:23

Salve a tutti!
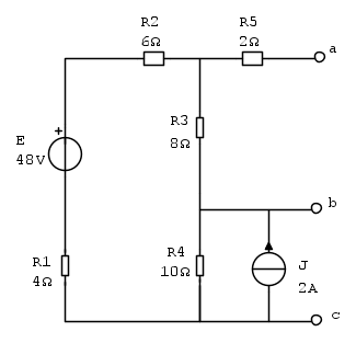
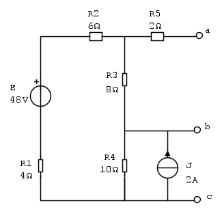
Come da titolo, ho il seguente circuito:


Il testo (nel quale c'è anche la risoluzione) mi chiede di trovare il suo equivalente di Thévenin (quindi i parametri Eeq e Req, ossia tensione e resistenza equivalente) tra i morsetti a e b.
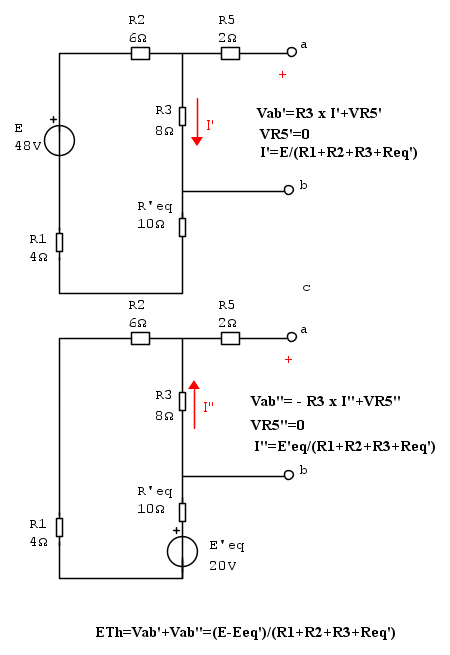
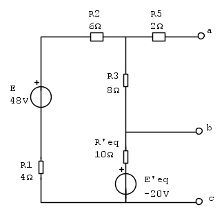
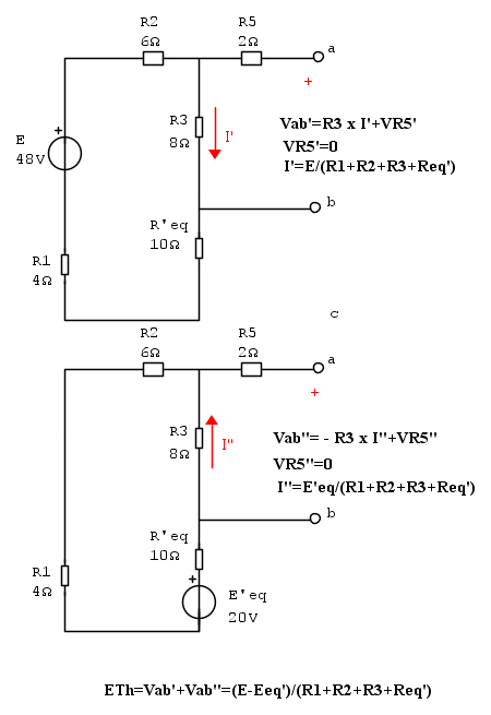
Fino al calcolo di Req "vista" dai morsetti, tutto bene, poi, per semplificare i calcoli, al gruppo R4-J sostituisco il loro equivalente di Thévenin, con R'eq pari a 10 Ω e E'eq pari a -20V e anche fino a qui, tutto bene (il teso trova E'eq= 20 V ma è perché abbiamo preso versi diversi).
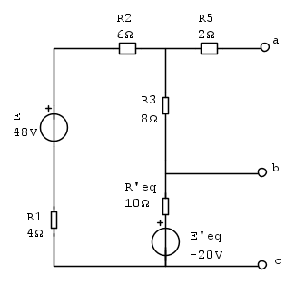
A questo punto però, non so come trovare la Eeq richiesta. Il circuito è diventato questo:



Il testo dice che la solzuine è:
Eeq=(E-E'eq) \frac{R3}{R3+R1+R2+R'eq} = 8 V

Ma non ho capito come ci arriva. Ho provato col metodo dei potenziali di nodo, ma niente e nemmeno applicando le semplici LKT (legge Kirchhoff per le tensioni) e LKC (legge di Kirchhoff per le correnti) trovo quel risultato (ma nemmeno vicino).
Qualucno potrebbe aiutarmi?
Grazie :)
Avatar utente
Foto UtenteDLz
60 5
New entry
New entry
 
Messaggi: 81
Iscritto il: 7 ago 2013, 17:06

2
voti

[2] Re: Aiuto su esercizio sul generatore equivalente di Théveni

Messaggioda Foto Utenteg.schgor » 6 mag 2016, 14:49

Se applichi Kirchhoff all'unica maglia, trovi la corrente che circola in R3,
quindi la tensione a-b.
Avatar utente
Foto Utenteg.schgor
57,8k 9 12 13
G.Master EY
G.Master EY
 
Messaggi: 16971
Iscritto il: 25 ott 2005, 9:58
Località: MILANO

2
voti

[3] Re: Aiuto su esercizio sul generatore equivalente di Théveni

Messaggioda Foto Utenteadmin » 6 mag 2016, 15:06



PS: mi sono sovrapposto a Giovanni.
Tieni presente che nel tuo schema devi considerare Eeq'=+20 V e non -20V
Avatar utente
Foto Utenteadmin
196,6k 9 12 17
Manager
Manager
 
Messaggi: 11950
Iscritto il: 6 ago 2004, 13:14

0
voti

[4] Re: Aiuto su esercizio sul generatore equivalente di Théveni

Messaggioda Foto UtenteDLz » 6 mag 2016, 16:09

Grazie mille per l'aiuto. Prima di procedere nei calcoli, vorrei sapere perché la tensione su R5 (e quindi, presumo, la corrente i5) è stata posta uguale a zero. Il ramo contenente R5, è collegato ad un circuito aperto e quindi l'intensità di corrente è nulla sul morsetto a, ma nel nodo che collega R2, R3 ed R5, non ho anche una i5 oltre ad una i2 ed i3 ?
Questa è la legge di Kirchhoff che applico all'unica maglia (tensioni in senso orario positive) :

i2R2 + i3R3 + i'eqR'eq + E'eq - i1R1 - E = 0

A questa devo abinare le equazioni ai nodi che sono (correnti uscenti dal nodo positive) :

i2 + i1 = 0
i3 - i2 = 0 (non so a questo punto se i5 è nulla, se lo è spiegatemi perché per favore)
i'eq - i3 = 0
-i'eq - i1= 0

Sono corrette?
Ponendo I5 = 0 risulta tutto (ecco qual era il mio problema), ma ora vorrei capire perhcé sul ramo contenente R5, non ho una i5 sul nodo che collega le tre resistenze.

EDIT ho capito perché: la corrente arrivata al nodo che collega i tre resistori, vero è che può percorrere 3 strade, ma solo due le permettono di circolare, la terza, quella con R5, no. Quindi lì la corrente è nulla.
Che errore banale che ho commesso! :(

Grazie mille per l'aiuto! :D
Ultima modifica di Foto UtenteDLz il 6 mag 2016, 16:53, modificato 2 volte in totale.
Avatar utente
Foto UtenteDLz
60 5
New entry
New entry
 
Messaggi: 81
Iscritto il: 7 ago 2013, 17:06

1
voti

[5] Re: Aiuto su esercizio sul generatore equivalente di Théveni

Messaggioda Foto Utenteadmin » 6 mag 2016, 16:50

Non si può dire se ciò che scrivi è corretto come segno se non indichi i versi delle correnti nello schema.
I5=0 poiché il ramo è aperto
Avatar utente
Foto Utenteadmin
196,6k 9 12 17
Manager
Manager
 
Messaggi: 11950
Iscritto il: 6 ago 2004, 13:14

0
voti

[6] Re: Aiuto su esercizio sul generatore equivalente di Théveni

Messaggioda Foto UtenteDLz » 6 mag 2016, 16:53

Tutto risolto, ho editato il post poco prima che rispondessi!
Grazie mille ancora! :ok:
Ultima modifica di Foto Utenteadmin il 11 mag 2016, 0:33, modificato 1 volta in totale.
Motivazione: eliminata citazione integrale del messaggio che precede. Usare "rispondi" non "cita". "Cita va usato con criterio.
Avatar utente
Foto UtenteDLz
60 5
New entry
New entry
 
Messaggi: 81
Iscritto il: 7 ago 2013, 17:06

0
voti

[7] Re: Aiuto su esercizio sul generatore equivalente di Théveni

Messaggioda Foto UtenteMerilu87 » 11 mag 2016, 11:10

Ma si può applicare l'equivalente di thevenin ad una parte del circuito?Una domanda non pertinente all esercizio ma all'argomento.grazie
Avatar utente
Foto UtenteMerilu87
10 3
 
Messaggi: 30
Iscritto il: 6 mag 2016, 17:25

1
voti

[8] Re: Aiuto su esercizio sul generatore equivalente di Théveni

Messaggioda Foto UtenteDLz » 11 mag 2016, 15:51

Si, per quello che so, se il circuito presenta solo elementi lineari e generatori ideali, Thévenin-Norton si possono applicare ad una qualunque parte del circuito!
Avatar utente
Foto UtenteDLz
60 5
New entry
New entry
 
Messaggi: 81
Iscritto il: 7 ago 2013, 17:06

0
voti

[9] Re: Aiuto su esercizio sul generatore equivalente di Théveni

Messaggioda Foto UtenteMerilu87 » 11 mag 2016, 16:12

Grazie mille.
Avatar utente
Foto UtenteMerilu87
10 3
 
Messaggi: 30
Iscritto il: 6 mag 2016, 17:25

0
voti

[10] Re: Aiuto su esercizio sul generatore equivalente di Théveni

Messaggioda Foto UtenteMerilu87 » 12 mag 2016, 16:29

Si può applicare Milman se in un ramo abbiamo sia generatore di tensione e sia generatore di corrente?
Avatar utente
Foto UtenteMerilu87
10 3
 
Messaggi: 30
Iscritto il: 6 mag 2016, 17:25

Prossimo

Torna a Elettrotecnica generale

Chi c’è in linea

Visitano il forum: Nessuno e 15 ospiti