Ciao,
devo realizzare una cosa abbastanza banale, ma non saprei come fare. In pratica ho una alimentazione 12V, due interruttori (Int1 e Int2), una piccola pompa a 12V/2W e un potenzionetro per regolarla. Vorrei che pompa si attivi SOLO se prima si preme Int1 e DOPO Int2. Se Int2 viene premuto prima di Int1 la pompa non deve avviarsi.
Come posso fare?
Piccolo circuito per attivare pompa
Moderatori:
carloc,
g.schgor,
BrunoValente,
IsidoroKZ
0
voti
Scusa ma sono due interruttori o due pulsanti?
Nel caso siano due semplici interruttori (a leva o a molla di ritenzione) basta collegarli in serie.
Nel caso di due pulsanti, potresti risolvere con una logica AND.
Nel caso siano due semplici interruttori (a leva o a molla di ritenzione) basta collegarli in serie.
Nel caso di due pulsanti, potresti risolvere con una logica AND.
0
voti
Allora, devo montare una doccia nel mio VW T5. Funziona con una pompa ad immersione in un serbatoio....e non vorrei rischiare che si accenda per errore (umano) e mi allaghi il veicolo. Come primo interruttore metterei un microswitch (Int1) sullo sportello che bisogna aprire per prendere la doccietta. Il secondo interruttore (Int2) è per accendere la pompa.
Se per errore dovessi accenderela pompa con la doccietta al suo posto....lago.
Questa era l'idea.
Se per errore dovessi accenderela pompa con la doccietta al suo posto....lago.
Questa era l'idea.
0
voti
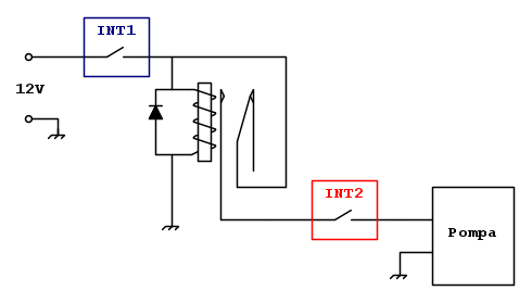
Mi viene in mente un Rele'.
La chiusura di INT1 abilita la possibile chiusura di INT2.
La chiusura di INT1 abilita la possibile chiusura di INT2.
1
voti
A cosa serve il relè?
Non basta metterli in serie? O mi sfugge qualcosa?

Non basta metterli in serie? O mi sfugge qualcosa?

http://millefori.altervista.org
Tool gratuito per chi sviluppa su millefori.
Tutti sanno che una cosa è impossibile da realizzare, finché arriva uno sprovveduto che non lo sa e la inventa. (A. Einstein)
Se non c'e` un 555 non e` un buon progetto (IsidoroKZ)
Strumento per formule
Tool gratuito per chi sviluppa su millefori.
Tutti sanno che una cosa è impossibile da realizzare, finché arriva uno sprovveduto che non lo sa e la inventa. (A. Einstein)
Se non c'e` un 555 non e` un buon progetto (IsidoroKZ)
Strumento per formule
-

posta10100
5.550 4 10 13 - Master EY

- Messaggi: 4832
- Iscritto il: 5 nov 2006, 0:09
Chi c’è in linea
Visitano il forum: Nessuno e 96 ospiti

Elettrotecnica e non solo (admin)
Un gatto tra gli elettroni (IsidoroKZ)
Esperienza e simulazioni (g.schgor)
Moleskine di un idraulico (RenzoDF)
Il Blog di ElectroYou (webmaster)
Idee microcontrollate (TardoFreak)
PICcoli grandi PICMicro (Paolino)
Il blog elettrico di carloc (carloc)
DirtEYblooog (dirtydeeds)
Di tutto... un po' (jordan20)
AK47 (lillo)
Esperienze elettroniche (marco438)
Telecomunicazioni musicali (clavicordo)
Automazione ed Elettronica (gustavo)
Direttive per la sicurezza (ErnestoCappelletti)
EYnfo dall'Alaska (mir)
Apriamo il quadro! (attilio)
H7-25 (asdf)
Passione Elettrica (massimob)
Elettroni a spasso (guidob)
Bloguerra (guerra)





