Trasformare 5 v 500 mA in 3v
Moderatori:
carloc,
g.schgor,
BrunoValente,
IsidoroKZ
23 messaggi
• Pagina 1 di 3 • 1, 2, 3
0
voti
Un caloroso saluto a Tutti. Premetto che non conosco l'elettronica, per questo pongo a Voi un problema banale: devo alimentare dei telecomandi tipo televisori/condizionatori alimentati con 2 batterie ministilo (AAA) e altro da 1 batteria a bottone 3 volt CR 2025. Il tutto dovrebbe essere alimentato con l'uscita di una porta USB 2.0 del computer. La domanda è questa: è sufficiente una resistenza per abbassare i 5 volt 550 mAh della USB a 3 volt? In rete ho trovato qualcosa dalla semplice resistenza a piccoli impianti con integrati. Voi cosa proponete come soluzione semplice. Vi state chiedendo perché di questa scelta. Il prestito di telecomandi e batterie crea dissapori a causa dei furbi, il resto è intuibile. Grazie
0
voti
Se il consumo è pressochè costante, sarà costante anche la cdt sulla resistenza e quindi la soluzione va bene.
Ma suppongo che in un telecomando, tra lo stand by e la pressione di un tasto il consumo sia ben diverso.
Per cui eviterei resistenze e userei un ldo genere LP2950C-3.0
http://www.onsemi.com/pub_link/Collateral/LP2950-D.PDF
se i telecomandi non assorbono più di 100mA.
Ma suppongo che in un telecomando, tra lo stand by e la pressione di un tasto il consumo sia ben diverso.
Per cui eviterei resistenze e userei un ldo genere LP2950C-3.0
http://www.onsemi.com/pub_link/Collateral/LP2950-D.PDF
se i telecomandi non assorbono più di 100mA.
-

Brianz
5.828 5 10 - CRU - Account cancellato su Richiesta utente
- Messaggi: 858
- Iscritto il: 24 mar 2016, 11:27
0
voti
In alternativa puoi usare uno step down sul genere di questo.
Non so quanta corrente ti serva ma tieni presente che la porta USB da 500mA solo se gli vengono richiesti mediante i cavi dati; in mancanza di segnale puoi contare su 150/200mA.
Non so quanta corrente ti serva ma tieni presente che la porta USB da 500mA solo se gli vengono richiesti mediante i cavi dati; in mancanza di segnale puoi contare su 150/200mA.
marco
0
voti
Prova a guardare qui: http://www.adrirobot.it/alimentatori/al ... imentatore
Variando il valore di R2, magari mettendo un trimmer, puoi ottenere in uscita 3 V esatti.
Il dropout dell'integrato non dovrebbe essere un problema con le correnti (basse) che richiedi, specie con uscita a 3,0 V anzichè 3,3 V.
-----------------------------------------------------------
Comunque l'oggetto indicato da
marco438 è meglio, più economico e già montato 
-----------------------------------------------------------
La corrente si misura in amper (A) o milliamper (mA), non in Ah o mAh, quella è l'unità di misura della capacità delle batterie. Ho corretto il titolo
Variando il valore di R2, magari mettendo un trimmer, puoi ottenere in uscita 3 V esatti.
Il dropout dell'integrato non dovrebbe essere un problema con le correnti (basse) che richiedi, specie con uscita a 3,0 V anzichè 3,3 V.
-----------------------------------------------------------
Comunque l'oggetto indicato da
-----------------------------------------------------------
La corrente si misura in amper (A) o milliamper (mA), non in Ah o mAh, quella è l'unità di misura della capacità delle batterie. Ho corretto il titolo
-

FedericoSibona
5.022 3 5 8 - Master

- Messaggi: 3951
- Iscritto il: 19 mar 2013, 11:43
0
voti
Lo dicevo che siete dei grandi! Anche io lo penso, ma la soluzione di marco438 dove lo compro, in Cina? Non è disponibile nei negozi di componentistica?
0
voti
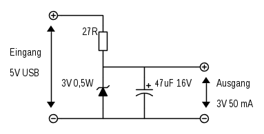
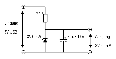
Visto che devi sostituire delle batteria, non e` importante la tensione di uscita: grossomodo da 3,2 V, fino a 2,8 V va tutto bene. Se fosse almeno possibile stabilire la corrente di questi telecomandi, si potrebbe fare un progettino semplicissimo. Immagino abbiano una logica ed un LED. Non hai qualche indicazione su modello, ecc? Ma comunque penso che ipotizzare una corrente massima di 50 mA sia largamente sufficiente.
Vediamo cosa mi viene in mente.
Vediamo cosa mi viene in mente.
-

Candy
32,5k 7 10 13 - CRU - Account cancellato su Richiesta utente
- Messaggi: 10123
- Iscritto il: 14 giu 2010, 22:54
0
voti

"Non farei mai parte di un club che accettasse la mia iscrizione" (G. Marx)
-

claudiocedrone
21,3k 4 7 9 - Master EY

- Messaggi: 15302
- Iscritto il: 18 gen 2012, 13:36
23 messaggi
• Pagina 1 di 3 • 1, 2, 3
Chi c’è in linea
Visitano il forum: Nessuno e 68 ospiti

Elettrotecnica e non solo (admin)
Un gatto tra gli elettroni (IsidoroKZ)
Esperienza e simulazioni (g.schgor)
Moleskine di un idraulico (RenzoDF)
Il Blog di ElectroYou (webmaster)
Idee microcontrollate (TardoFreak)
PICcoli grandi PICMicro (Paolino)
Il blog elettrico di carloc (carloc)
DirtEYblooog (dirtydeeds)
Di tutto... un po' (jordan20)
AK47 (lillo)
Esperienze elettroniche (marco438)
Telecomunicazioni musicali (clavicordo)
Automazione ed Elettronica (gustavo)
Direttive per la sicurezza (ErnestoCappelletti)
EYnfo dall'Alaska (mir)
Apriamo il quadro! (attilio)
H7-25 (asdf)
Passione Elettrica (massimob)
Elettroni a spasso (guidob)
Bloguerra (guerra)


