Buongiorno a tutti,
Avrei un quesito da porre:
Esistono metodi generali per la risoluzione di circuiti con generatori pilotati? Oppure, esistono metodi generali per il calcolo delle grandezze pilota?
Sempre più spesso ultimamente trovo difficoltà nel risolvere circuiti con i suddetti, forse perché non uso il metodo giusto (quindi la risoluzione e il risultato mi risultano diversi dal libro che utilizzo) o forse perché uso inavvertitamente qualche passaggio illecito.. non capisco.
Allego di seguito due esercizi dei quali conosco solo la soluzione , ma non il metodo applicato, e che non risco a risolvere:
Esercizio 1:
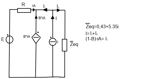
Considerando il circuito a regime , determinare la potenza attiva e reattiva erogata dal generatore I
Esercizio 2:
Considerando il circuito a regime, Determinare la potenza attiva erogata dal generatore di corrente I
Attendo vostre risposte.
Vi ringrazio in anticipo.
Metodi generali per circuiti con generatori dipendenti?
Moderatori:
g.schgor,
IsidoroKZ
23 messaggi
• Pagina 1 di 3 • 1, 2, 3
0
voti
Sempre uguale, o maglie o nodi.
Io preferisco i nodi, personalmente.
In ogni caso, se proprio ti da fastidio vedere i generatori controllati, usa Thévenin o Norton staccando immediatamente dopo di essi.
Io preferisco i nodi, personalmente.
In ogni caso, se proprio ti da fastidio vedere i generatori controllati, usa Thévenin o Norton staccando immediatamente dopo di essi.
2
voti
Il metodo generale è quello di scrivere per la rete le due leggi di Kirchhoff nella loro forma originaria o seguendo i principali metodi da esse derivati (potenziali di nodo, o correnti di maglia) come se i generatori fossero indipendenti, aggiungendovi però le equazioni che definiscono il generatore dipendente.
1
voti
Un problema alla volta, per favore.
Direi che Il metodo generale è sempre Kirchhoff. salvo possibili
casi di semplificazione utilizzando Thevenin o Norton.
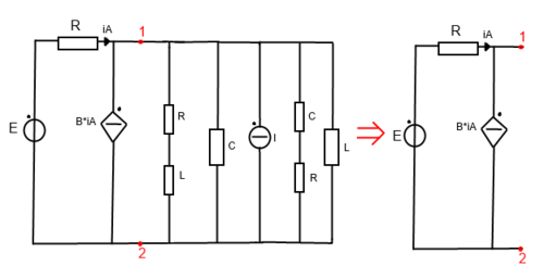
Nel primo problema conviene cominciare raggruppando
tutte le impedenze in parallelo fra loro.
Rimana una semplice equazione in IA.
Puoi farlo?
Direi che Il metodo generale è sempre Kirchhoff. salvo possibili
casi di semplificazione utilizzando Thevenin o Norton.
Nel primo problema conviene cominciare raggruppando
tutte le impedenze in parallelo fra loro.
Rimana una semplice equazione in IA.
Puoi farlo?
0
voti
admin ha scritto:Il metodo generale è quello di scrivere per la rete le due leggi di Kirchhoff nella loro forma originaria o seguendo i principali metodi da esse derivati (potenziali di nodo, o correnti di maglia) come se i generatori fossero indipendenti, aggiungendovi però le equazioni che definiscono il generatore dipendente.
Ci avevo pensato, ma ho un dubbio sul primo esercizio , sul ramo che comprende il generatore di tensione E, la resistenza R e la corrente incognita iA. Il metodo più conveniente da utilizzare e quello delle tensioni di nodo, dato che mi produce una equazione , ma il generatore reale di tensione e la corrente incognita mi fanno fare due passi indietro.. Come dovrei comportarmi in questo caso?
g.schgor ha scritto:Nel primo problema conviene cominciare raggruppando
tutte le impedenze in parallelo fra loro.
Rimana una semplice equazione in IA.
Puoi farlo?
Si. Secondo i miei calcoli:
0
voti
Ianero ha scritto:Sempre uguale, o maglie o nodi.
Io preferisco i nodi, personalmente.
In ogni caso, se proprio ti da fastidio vedere i generatori controllati, usa Thévenin o Norton staccando immediatamente dopo di essi.
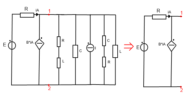
Se stacco la parte di circuito che mi da fastidio , come in figura ai nodi 1 e 2 , in questo caso ho che la corrente incognita iA è nella parte staccata che sto semplificando. Ma la corrente iA non è in funzione di tutto il circuito? Non conoscendo la corrente iA posso comunque semplificarmi la parte di circuito tra i nodi 1 e 2?
1
voti
NicolaTM ha scritto: Come dovrei comportarmi in questo caso?
Applichi Millman come se il generatore pilotato fosse di valore noto

Ricavi


Sostituisci nella precedente equazione e ricavi

23 messaggi
• Pagina 1 di 3 • 1, 2, 3
Torna a Elettrotecnica generale
Chi c’è in linea
Visitano il forum: Nessuno e 28 ospiti

Elettrotecnica e non solo (admin)
Un gatto tra gli elettroni (IsidoroKZ)
Esperienza e simulazioni (g.schgor)
Moleskine di un idraulico (RenzoDF)
Il Blog di ElectroYou (webmaster)
Idee microcontrollate (TardoFreak)
PICcoli grandi PICMicro (Paolino)
Il blog elettrico di carloc (carloc)
DirtEYblooog (dirtydeeds)
Di tutto... un po' (jordan20)
AK47 (lillo)
Esperienze elettroniche (marco438)
Telecomunicazioni musicali (clavicordo)
Automazione ed Elettronica (gustavo)
Direttive per la sicurezza (ErnestoCappelletti)
EYnfo dall'Alaska (mir)
Apriamo il quadro! (attilio)
H7-25 (asdf)
Passione Elettrica (massimob)
Elettroni a spasso (guidob)
Bloguerra (guerra)






