
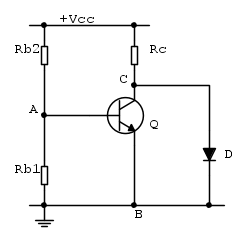
Semplifico il circuito applicando Thevenin rispetto ai terminali A e B:


ottengo il seguente circuito:
Punto A
Alla maglia di ingresso valela KVL

se Q è in regione attiva:

Confermo Q in regione attiva

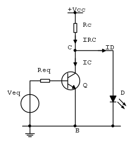
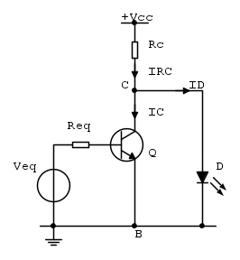
Ora, Vc è anche la tensione Vd ai capi del diodo. Per calcolare la corrente che scorre nel diodo, pensavo di applicare ancora thevenin ai nodi C e B. La Veq è sempre Vc, ma per la Req il BJT come lo devo considerare?

Elettrotecnica e non solo (admin)
Un gatto tra gli elettroni (IsidoroKZ)
Esperienza e simulazioni (g.schgor)
Moleskine di un idraulico (RenzoDF)
Il Blog di ElectroYou (webmaster)
Idee microcontrollate (TardoFreak)
PICcoli grandi PICMicro (Paolino)
Il blog elettrico di carloc (carloc)
DirtEYblooog (dirtydeeds)
Di tutto... un po' (jordan20)
AK47 (lillo)
Esperienze elettroniche (marco438)
Telecomunicazioni musicali (clavicordo)
Automazione ed Elettronica (gustavo)
Direttive per la sicurezza (ErnestoCappelletti)
EYnfo dall'Alaska (mir)
Apriamo il quadro! (attilio)
H7-25 (asdf)
Passione Elettrica (massimob)
Elettroni a spasso (guidob)
Bloguerra (guerra)



e vedere se la corrente scorre "nel verso giusto" nel diodo?


come hai fatto. Dopodiché puoi scrivere:
ho chiamato la corrente che scorre nel LED.
.






e
?
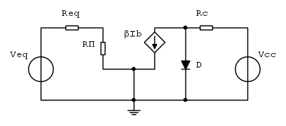
non è attraversata da
ma da 




attraversata da