Salve a tutti.
Vorrei fare un circuito per controllare due led con una sola uscita. In sostanza uno dei due dovrebbe essere normalmente acceso (quando l'uscita è bassa) e l'altro spento. Viceversa, quando l'uscita è alta il primo dovrebbe spegnersi e il secondo accendersi.
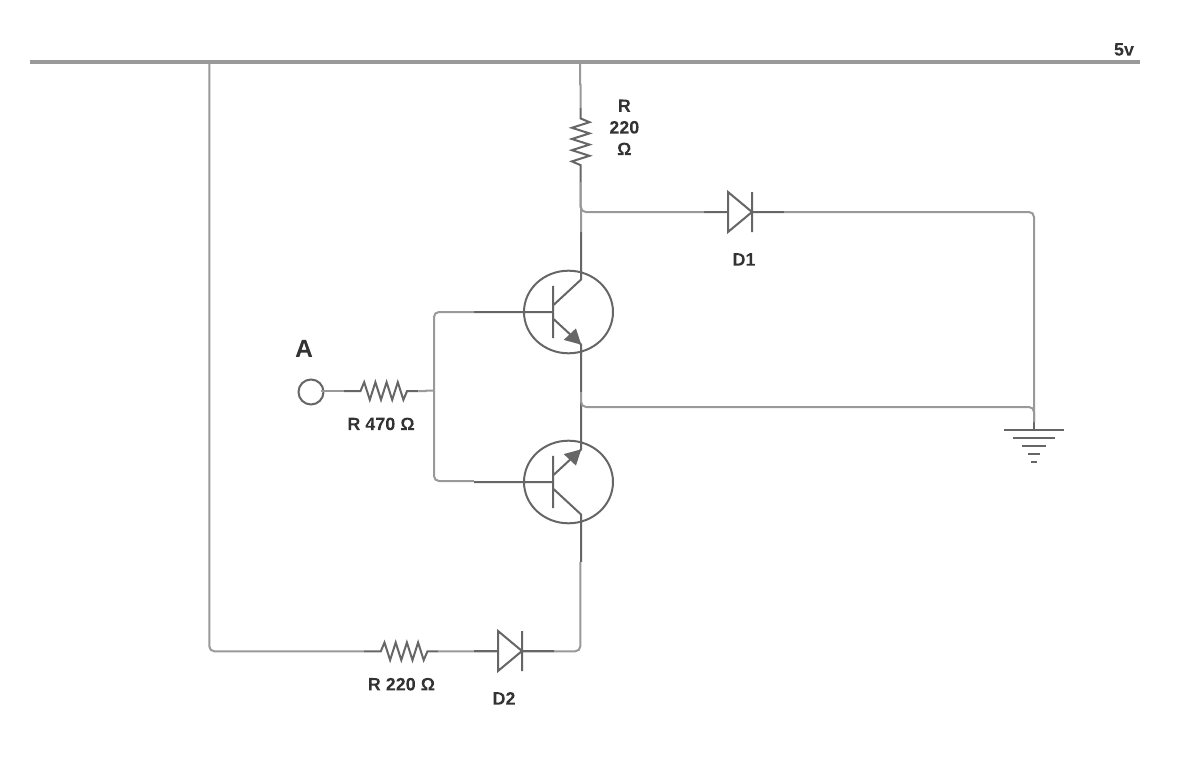
Ho disegnato (allegato) un circuito con due transistor ma chiaramente non funziona. Mi sarei aspettato che quando A è basso D1 è acceso e D2 spento (è così è) e quando A è alto D1 è spento e D2 acceso (ma così non è).
Qualche idea sul perché non funziona e su come potrei correggerlo ?
Grazie
Nico
Circuito per controllare due led
4 messaggi
• Pagina 1 di 1
1
voti
Nico99 ha scritto:. Mi sarei aspettato che quando A è basso D1 è acceso e D2 spento (è così è) e quando A è alto D1 è spento e D2 acceso (ma così non è).
Hai messo le basi in parallelo, (cioè hai parallelato due diodi, pertanto il funzionamento è imprevedibile quando vanno in tensione);
devi mettere due resistenze a partire da A.
4 messaggi
• Pagina 1 di 1
Chi c’è in linea
Visitano il forum: Nessuno e 5 ospiti

Elettrotecnica e non solo (admin)
Un gatto tra gli elettroni (IsidoroKZ)
Esperienza e simulazioni (g.schgor)
Moleskine di un idraulico (RenzoDF)
Il Blog di ElectroYou (webmaster)
Idee microcontrollate (TardoFreak)
PICcoli grandi PICMicro (Paolino)
Il blog elettrico di carloc (carloc)
DirtEYblooog (dirtydeeds)
Di tutto... un po' (jordan20)
AK47 (lillo)
Esperienze elettroniche (marco438)
Telecomunicazioni musicali (clavicordo)
Automazione ed Elettronica (gustavo)
Direttive per la sicurezza (ErnestoCappelletti)
EYnfo dall'Alaska (mir)
Apriamo il quadro! (attilio)
H7-25 (asdf)
Passione Elettrica (massimob)
Elettroni a spasso (guidob)
Bloguerra (guerra)



