Ciao a tutti,
vorrei chiedere un aiuto per un problema di pilotaggio di un elettromagnete (o comunque di un solenoide). Ho guardato nel forum e ho trovato qualche traccia molto utile, però avrei bisogno di qualcuno che confermasse quanto sono riuscito a capire, dato che l'elettronica analogica non è proprio il mio forte.
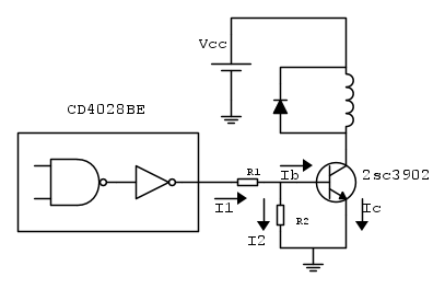
Ho bisogno di pilotare un elettromagnete con l'uscita di una porta logica, nella fatti specie con le uscite del decoder CD4028 (ognuna delle uscite, quando a livello alto, deve attivare l'elettromagnete corrispondente).
Il circuito classico dovrebbbe essere questo:
Gli elettromagneti sono alimentati a 12V e hanno una potenza di 3,8W. Il che mi porta ad una resistenza stimata di circa 40 Ohm.
Quando il transistor è in conduzione risulta quindi Ic = 12/40 = 0,3A.
La parte spinosa per me è la scelta del transistor, dato che non ho familiarità con tali componenti. Utilizzando il motore di ricerca di uno dei maggiori rivenditori online (non so se posso fare il nome qui), con questi parametri decido per il 2SC3902 (bipolare, NPN) che ha una Vbe(sat) = 0,85V e un hFEmin = 90.
Se ho ben capito, per la saturazione, dovrei avere una Ib>Ic/hFEmin=0,33mA.
Scelgo allora Ib = 3mA.
Per R2 ho visto che si scelgono dei valori indicativi di qualche kohm e ho impostato R2 = 4,7kOhm
Segue I2 = Vbe(sat)/R2 = 0,18mA, I1 = Ib + I2 = 3,18mA.
La tensione di uscita a livello alto del CD4028BE è tipicamente 5V quindi: R1= (VoH-Vbe)/I1 = 1,3kOhm.
Completerei poi il circuito con dei diodi 1N4148 a protezione degli elettromagneti.
Chiedo a voi se quanto scritto è corretto oppure ho preso delle cantonate di cui non mi rendo conto (ad esempio nella scelta del transistor ma magari anche nella procedura per il dimensionamento dei componenti).
Grazie,
Gianni
Circuito di pilotaggio di un elettromagnete
Moderatori:
carloc,
g.schgor,
BrunoValente,
IsidoroKZ
10 messaggi
• Pagina 1 di 1
3
voti
piccolobush ha scritto:Se ho ben capito, per la saturazione, dovrei avere una Ib>Ic/hFEmin=0,33mA.
Scelgo allora Ib = 3mA.
A me sembra Ib>Ic/hFEmin= 0.3 / 90 = 3 mA
sceglierei Ib >= 10 mA
piccolobush ha scritto:La tensione di uscita a livello alto del CD4028BE è tipicamente 5 V
5 V @ Iout = 0
La corrente di uscita e' << 1 mA (vedi data sheet)
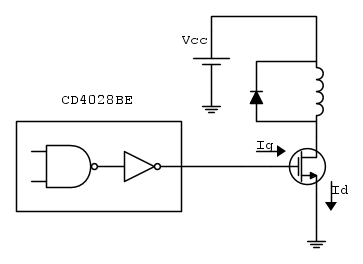
Invece che un transistor potresti usare un "power mosfet logic level" (cerca con Google)
http://www.digikey.com/product-search/e ... vendor=448
Per il diodo sceglierei 1N400X (deve "reggere" i 300 mA di ricircolo dell'elettromagnete - anche se impulsivi)
0
voti
elfo ha scritto:piccolobush ha scritto:Se ho ben capito, per la saturazione, dovrei avere una Ib>Ic/hFEmin=0,33mA.
Scelgo allora Ib = 3mA.
A me sembra Ib>Ic/hFEmin= 0.3 / 90 = 3 mA
sceglierei Ib >= 10 mA
Mi preoccupavo tanto del procedimento e invece l'errore scappa su un banale calcolo
Ovviamente hai ragione, mi sono perso un fattore 10 per strada
piccolobush ha scritto:La tensione di uscita a livello alto del CD4028BE è tipicamente 5 V
5 V @ Iout = 0
La corrente di uscita e' << 1 mA (vedi data sheet)
E questo vorrebbe dire che non ce la fa a pilotare il transistor? Scusa l'ignoranza....
Invece che un transistor potresti usare un "power mosfet logic level" (cerca con Google)
http://www.digikey.com/product-search/e ... vendor=448
Rischierei di ficcarmi in un casino più grosso, di mosfet so meno che di BJT. Preferirei ovviare con qualcosa di più semplice per me
Per il diodo sceglierei 1N400X (deve "reggere" i 300 mA di ricircolo dell'elettromagnete - anche se impulsivi)
Ottimo, grazie!
-

piccolobush
10 2 - Messaggi: 5
- Iscritto il: 10 giu 2014, 11:32
1
voti
piccolobush ha scritto:elfo ha scritto:piccolobush ha scritto:La tensione di uscita a livello alto del CD4028BE è tipicamente 5 V
5 V @ Iout = 0
La corrente di uscita e' << 1 mA (vedi data sheet)
E questo vorrebbe dire che non ce la fa a pilotare il transistor? Scusa l'ignoranza....
no, 'un gna fa
dal data sheet: 0.32 mA tipici (0.16 mA minimi) @ 4.6V una uscita per volta
elfo ha scritto:Invece che un transistor potresti usare un "power mosfet logic level" (cerca con Google)
http://www.digikey.com/product-search/e ... vendor=448piccolobush ha scritto:Rischierei di ficcarmi in un casino più grosso, di mosfet so meno che di BJT. Preferirei ovviare con qualcosa di più semplice per me![]()
I mosfet indicati sono fatti per interfacciarsi *direttamente* con la logica.
Drain = Collettore
Source = Emettitore
Gate = Base
Il gate va collegato *direttamente* all'uscita della logica di controllo (nessun conto da fare
P.S. quanti ne devi costruire 1 o 10000? perche' in funzione del numero il progetto va ponderato differentemente
P.P.S le indicazioni di cui sopra valgono per 1
2
voti

"Non farei mai parte di un club che accettasse la mia iscrizione" (G. Marx)
-

claudiocedrone
21,3k 4 7 9 - Master EY

- Messaggi: 15302
- Iscritto il: 18 gen 2012, 13:36
2
voti
Volendo puoi anche togliere R2, tanto la tensione tra base ed emettitore in saturazione la conosci, e per fissare la corrente di base ti basta R1.
Per quanto riguarda i diodi da utilizzare, fai attenzione, perché le commutazioni possono essere molto veloci, e quindi sul collettore del transistor si possono avere picchi di tensione non indifferenti. Con che criterio lo hai scelto? Devi considerare il tempo di commutazione della porta, ed il valore dell'induttanza, solo che non hai specificato questi valori e quindi non ci sono elementi per dirti se l'1N4148 vada bene. Se l'induttanza è grande, ed il tempo di commutazione piccolo, potresti avere necessità di un diodo un po' più grande (anche se questo regge anche 4A in determinate condizioni).
Per quanto riguarda i diodi da utilizzare, fai attenzione, perché le commutazioni possono essere molto veloci, e quindi sul collettore del transistor si possono avere picchi di tensione non indifferenti. Con che criterio lo hai scelto? Devi considerare il tempo di commutazione della porta, ed il valore dell'induttanza, solo che non hai specificato questi valori e quindi non ci sono elementi per dirti se l'1N4148 vada bene. Se l'induttanza è grande, ed il tempo di commutazione piccolo, potresti avere necessità di un diodo un po' più grande (anche se questo regge anche 4A in determinate condizioni).
1
voti
elfo ha scritto:I mosfet indicati sono fatti per interfacciarsi *direttamente* con la logica.
Drain = Collettore
Source = Emettitore
Gate = Base
Il gate va collegato *direttamente* all'uscita della logica di controllo (nessun conto da fare)
Cioè basterebbe una cosa del genere e tutto funziona (a patto di mettere il MOSFET corretto)?
Caspita la tentazione è forte
Potrei provare con uno di quelli che mi hai suggerrito prima.
P.S. quanti ne devi costruire 1 o 10000? perche' in funzione del numero il progetto va ponderato differentemente
P.P.S le indicazioni di cui sopra valgono per 1
Il circuito completo prevede 10 elettromagneti "indipendenti", ognuno comandato da una delle 10 uscite del decoder. Ovviamente solo un elettromagnete per volta potrà essere attivo, in base alla combinazione in ingresso del decoder
claudiocedrone ha scritto::-) Solo un appunto; i diodi di ricircolo non servono a proteggere i solenoidi ma i transistor che li pilotano![]()
Giusto, avevo confuso i due
Flamber ha scritto:Devi considerare il tempo di commutazione della porta, ed il valore dell'induttanza, solo che non hai specificato questi valori e quindi non ci sono elementi per dirti se l'1N4148 vada bene. Se l'induttanza è grande, ed il tempo di commutazione piccolo, potresti avere necessità di un diodo un po' più grande (anche se questo regge anche 4A in determinate condizioni).
Ti riferisci all'induttanza del magnete? Purtroppo non la conosco e anche il produttore non mi è di aiuto. I dati disponibili sono questi (i miei sono quelli a 12V)
-

piccolobush
10 2 - Messaggi: 5
- Iscritto il: 10 giu 2014, 11:32
2
voti
piccolobush ha scritto:Cioè basterebbe una cosa del genere e tutto funziona (a patto di mettere il MOSFET corretto)?
Caspita la tentazione è forte
Potrei provare con uno di quelli che mi hai suggerrito prima.
Permettimi, prima di risponderti, di "rubare" la firma di
"Nel data sheet si trova tutto. Anche gli errori."
Ci tornera' buono successivamente
A noi!
Il circuito funziona al 95% (non mi chiedere del 5% perche' la sfig. ci vede benissimo
Perche' usare un mosfet ed un diodo - replicato 10 volte - quando posso usare un circuito integrato che ti offre 7 o 8 canali con relativi diodi integrati?
Prendi 2 IC (per avere 10 canali) e vai!
ULN2003
http://www.st.com/content/ccc/resource/technical/document/datasheet/f3/6e/c8/64/4d/b3/4e/38/CD00001244.pdf/files/CD00001244.pdf/jcr:content/translations/en.CD00001244.pdf
oppure
ULN2803A
http://www.ti.com/lit/ds/symlink/uln2803a.pdf
A poposito di errori nei data sheet guarda l'unica figura a pag 6 del data sheet dell' ULN2803A.
Il grafico riporta la corrente di collettore in funzione della corrente di ingresso.
L'unita' di misura della corrente in ingresso riportata nel grafico (mA) e' totalmente sbagliata.
Quella giusta e' uA (microampere)!!!
0
voti
elfo ha scritto:Permettimi, prima di risponderti, di "rubare" la firma diTardoFreak
"Nel data sheet si trova tutto. Anche gli errori."
Ci tornera' buono successivamente
Ahimè, sono più informatico che elettronico (si sarà intuito immagino), ma ho presente il concetto, che si può declinare in mille altri settori
A noi!
Il circuito funziona al 95% (non mi chiedere del 5% perche' la sfig. ci vede benissimo) e questo e' accettabile per farne 10, ma...
Perche' usare un mosfet ed un diodo - replicato 10 volte - quando posso usare un circuito integrato che ti offre 7 o 8 canali con relativi diodi integrati?
Prendi 2 IC (per avere 10 canali) e vai!
perché forse, fino ad adesso,, ne ignoravo l'esistenza?
Mille grazie per i consigli e per gli "errata corrige", mi prendo qualche giorno per studiarmi questi circuiti integrati e cercare di capire se il tutto è alla mia portata. In caso ripiegherò sul tuo primo suggerimento con MOSFET, magari poco elegante ma, ad occhio, più praticabile per uno poco esperto.
Comunque vi aggiornerò
Per il momento grazie di cuore!
-

piccolobush
10 2 - Messaggi: 5
- Iscritto il: 10 giu 2014, 11:32
0
voti
Per completezza, ho deciso di utilizzare l'ULN2003 suggeritomi da elfo, basandomi sullo schema di collegamento trovato nel datasheet. Incrocio le dita 

-

piccolobush
10 2 - Messaggi: 5
- Iscritto il: 10 giu 2014, 11:32
10 messaggi
• Pagina 1 di 1
Chi c’è in linea
Visitano il forum: Nessuno e 120 ospiti

Elettrotecnica e non solo (admin)
Un gatto tra gli elettroni (IsidoroKZ)
Esperienza e simulazioni (g.schgor)
Moleskine di un idraulico (RenzoDF)
Il Blog di ElectroYou (webmaster)
Idee microcontrollate (TardoFreak)
PICcoli grandi PICMicro (Paolino)
Il blog elettrico di carloc (carloc)
DirtEYblooog (dirtydeeds)
Di tutto... un po' (jordan20)
AK47 (lillo)
Esperienze elettroniche (marco438)
Telecomunicazioni musicali (clavicordo)
Automazione ed Elettronica (gustavo)
Direttive per la sicurezza (ErnestoCappelletti)
EYnfo dall'Alaska (mir)
Apriamo il quadro! (attilio)
H7-25 (asdf)
Passione Elettrica (massimob)
Elettroni a spasso (guidob)
Bloguerra (guerra)




