Ciao a tutti
Vorrei realizzare un piccolo circuito per eliminare quel persistente rumore "hum" a 50hz presente su un impianto audio nel momento in cui attacco come sorgente di riproduzione il PC portatile alimentato da rete.
Dopo aver appurato che il problema è dovuto alla connessione in entrambi i dispositivi della massa a terra, quindi di un anello chiuso tra gli schermi di segnale e il conduttore di protezione dell'impianto elettrico.
Pur disponendo di limitate conoscenze di progettazione in elettronica analogica, pensavo di utilizzare una configurazione basata su amplificatore differenziale per rompere l'anello chiuso di cui sopra.
A vostro parere è fattibile come cosa?
Ground Loop isolator con Op-amp
Moderatore:
IsidoroKZ
13 messaggi
• Pagina 1 di 2 • 1, 2
0
voti
Ciao
Se stacco l'alimentazione del PC il ronzio scompare.
Anche un trasformatore di segnale porterebbe lo stesso giovamento, ma trattandosi qualche volta di utilizzo per la visione di film o riproduzione di musica in teatro la perdita di banda passante non sarebbe accettabile.
Esistono anche dei trasformatori nati per applicazioni audio, per esempio quelli costruiti da Neutrik, ma hanno dei prezzi decisamente alti.
Per questo punterei alla realizzazione con op-amp.
Se stacco l'alimentazione del PC il ronzio scompare.
Anche un trasformatore di segnale porterebbe lo stesso giovamento, ma trattandosi qualche volta di utilizzo per la visione di film o riproduzione di musica in teatro la perdita di banda passante non sarebbe accettabile.
Esistono anche dei trasformatori nati per applicazioni audio, per esempio quelli costruiti da Neutrik, ma hanno dei prezzi decisamente alti.
Per questo punterei alla realizzazione con op-amp.
1
voti
Hai ragione ! E il mio messaggio è scomparso !! 
Aggiunta delle 16.05
Ho recuperato il mio messagio in bacheca:
Hai verificato che usando l'alimentazione a batteria il ronzio scompare ? E' quindi è dovuto al loop di massa ?
E' fattibile usare un amplificatore differenziale, ma vedrei più semplice adoperare un trasformatore. Recupererei un trasformatore di isolamento dalla linea telefonica di un vecchio modem telefonico, dovrebbe essere presente anche sulle schede modem infilate nei vecchi PC desk top. Ha un rapporto primario / secondario 1 a 1., forse la banda passante è solo 200 Hz - 5 kHz, forse con l'operazionale ottieni una banda maggiore.

Aggiunta delle 16.05
Ho recuperato il mio messagio in bacheca:
Hai verificato che usando l'alimentazione a batteria il ronzio scompare ? E' quindi è dovuto al loop di massa ?
E' fattibile usare un amplificatore differenziale, ma vedrei più semplice adoperare un trasformatore. Recupererei un trasformatore di isolamento dalla linea telefonica di un vecchio modem telefonico, dovrebbe essere presente anche sulle schede modem infilate nei vecchi PC desk top. Ha un rapporto primario / secondario 1 a 1., forse la banda passante è solo 200 Hz - 5 kHz, forse con l'operazionale ottieni una banda maggiore.

0
voti
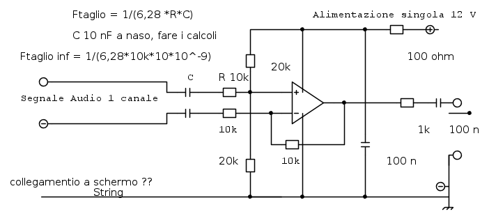
Questa sarebbe la mia idea di schema. Anche se non saprei come calcolare il valore delle capacità di ingresso. Probabilmente sarebbe il caso di disaccoppiare dalle componenti DC anche l'uscita?
L'amplificatore operazionale che vorrei utilizzare è l'LM324N, il cui slew-rate di 0.5 V/us dovrebbe essere bastevole pensando alla banda passante con limite a circa 20khz.
E' necessario prendere provvedimenti perché non auto-oscilli?
1
voti
Abbozzerei lo schema come sopra.
Non ho verificato la stabilità dell'operazionale (forse è compensato internamente e va bene così, ma avrà una frequenza di taglio superiore bassa). Per un esperimento può andare, ma progettare il meglio richiede tempo.
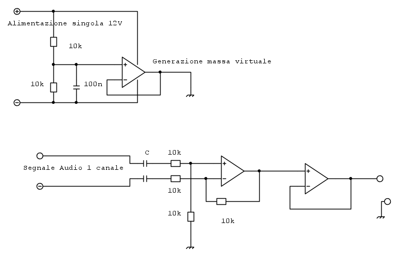
Con il partitore da due R 20k realizzi una tensione intermedia di Valim/2 che è equivalente ma più semplice della massa virtuale.
Io metteri il trasformatore 1:1 di isolamento.

1
voti
La frequenza di taglio del filtro è veramente alta, circa 1.6khz non sarebbe meglio mettere un condensatore da un microfarad ed ottenere circa 16 Hz?
Lo schermo del cavo di ingresso lo collego al morsetto meno dell' operazionale, quello del cavo di uscita si al piano di massa.
Avevo trovato questa interessante pubblicazione di TI al riguardo.
https://courses.cit.cornell.edu/bionb44 ... Supply.pdf
Lo schermo del cavo di ingresso lo collego al morsetto meno dell' operazionale, quello del cavo di uscita si al piano di massa.
Avevo trovato questa interessante pubblicazione di TI al riguardo.
https://courses.cit.cornell.edu/bionb44 ... Supply.pdf
1
voti
propongo C = 0,22 uF abbiamo 80 Hz,si attenua un poco l'eventuale 50 Hz rimasta.
Forse mettere un C = 100 pF in parallelo agli ingressi per attenuare le eventuali frequenze > 100 kHz disturbi radio frequenza degli eventuali alimentatori switching indotti? (potrebbero saturare il primo stadio dell'operazionale e farlo funzionare male).
ho scorso la pubblicazione Texas sui circuiti analogici: classica ma sempre interessante e utile.
Forse mettere un C = 100 pF in parallelo agli ingressi per attenuare le eventuali frequenze > 100 kHz disturbi radio frequenza degli eventuali alimentatori switching indotti? (potrebbero saturare il primo stadio dell'operazionale e farlo funzionare male).
ho scorso la pubblicazione Texas sui circuiti analogici: classica ma sempre interessante e utile.
0
voti
Giustissime le tue osservazioni; la frequenza di taglio ad 80hz è perfetta abbastanza alta da ridurre i 50hz; senza penalizzare troppo la banda.
Il riferimento a vcc/2 con il solo partitore mi crea qualche perplessità, quella configurazione non è in grado di assorbire corrente senza 'sbilanciarsi'.
D'altro canto anche utilizzando un Op-Amp per la generazione di massa ho visto in vari forum che non sempre funziona... Quando ho un attimo di tempo provo a realizzarlo su bread-board, sono proprio curioso di vedere.
Per quale motivo rinunceresti al buffer di uscita? già che l' LM324 è quadruplo non mi costerebbe nulla ed avrei a mio parere una minor impedenza di uscita. D'altro canto avere una catena più lunga per il segnale implica maggior rumore. Tu cosa consigli? Il fatto è che ho paura possa attraverso la resistenza di retroazione vanificarsi l'effetto di separazione voluto.
Il riferimento a vcc/2 con il solo partitore mi crea qualche perplessità, quella configurazione non è in grado di assorbire corrente senza 'sbilanciarsi'.
D'altro canto anche utilizzando un Op-Amp per la generazione di massa ho visto in vari forum che non sempre funziona... Quando ho un attimo di tempo provo a realizzarlo su bread-board, sono proprio curioso di vedere.
Per quale motivo rinunceresti al buffer di uscita? già che l' LM324 è quadruplo non mi costerebbe nulla ed avrei a mio parere una minor impedenza di uscita. D'altro canto avere una catena più lunga per il segnale implica maggior rumore. Tu cosa consigli? Il fatto è che ho paura possa attraverso la resistenza di retroazione vanificarsi l'effetto di separazione voluto.
1
voti
No, è OK, la corrente assorbita è la stessa del circuito con l'OP massa virtuale.Il riferimento a vcc/2 con il solo partitore mi crea qualche perplessità, quella configurazione non è in grado di assorbire corrente senza 'sbilanciarsi'.
Però, hai ragione: puoi dirmi: non trovo due resistori da 20 k al 5%, preferisco un partitore con due 10 k in ingresso a al voltage follower (tanto c'è l'ho) con l'uscita connessa con 10 k allo stadio differenziale, metto solo una resistenza in più da 10 k, e se volessi in seguito variare la tensione di riferimento (invece che 0,5 Valim per esempio 0,45 valim) per ottimizzare il range di variazione uscita dell'operazionale (se volessi ridurre la tensione di alimentazione a 5V) senza influenzare il funzionamento del differenziale posso farlo.
Quando ho un attimo di tempo provo a realizzarlo su bread-board, sono proprio curioso di vedere.
Per quale motivo rinunceresti al buffer di uscita? già che l' LM324 è quadruplo non mi costerebbe nulla ed avrei a mio parere una minor impedenza di uscita.
D'altro canto avere una catena più lunga per il segnale implica maggior rumore....
Non si dovrebbe verificare.Il fatto è che ho paura possa attraverso la resistenza di retroazione vanificarsi l'effetto di separazione voluto.
Potresti mettere in uscita uno stadio invertente con due R da 10 K , in futuro variando uno dei due resistori puoi variare il guadagno nel caso ne avessi bisogno.
Sulle connessioni dei cavi non sono sicuro, di solito è sempre un "casino" alle volte funziona, ma non si sa come, i disturbi di modo comune potrebbero essere superiori al range di modo comune dello stadio differenziale.
Sostengo che un trasformatore 1:1 caricato su 600 ohm con un isolamento di 500 V è meglio per affrontare tutti i problemi imprevisi. Prova entrambe le sosluzioni possono funzionare e presentano pro/contro.

13 messaggi
• Pagina 1 di 2 • 1, 2
Torna a Elettronica e spettacolo
Chi c’è in linea
Visitano il forum: Nessuno e 7 ospiti

Elettrotecnica e non solo (admin)
Un gatto tra gli elettroni (IsidoroKZ)
Esperienza e simulazioni (g.schgor)
Moleskine di un idraulico (RenzoDF)
Il Blog di ElectroYou (webmaster)
Idee microcontrollate (TardoFreak)
PICcoli grandi PICMicro (Paolino)
Il blog elettrico di carloc (carloc)
DirtEYblooog (dirtydeeds)
Di tutto... un po' (jordan20)
AK47 (lillo)
Esperienze elettroniche (marco438)
Telecomunicazioni musicali (clavicordo)
Automazione ed Elettronica (gustavo)
Direttive per la sicurezza (ErnestoCappelletti)
EYnfo dall'Alaska (mir)
Apriamo il quadro! (attilio)
H7-25 (asdf)
Passione Elettrica (massimob)
Elettroni a spasso (guidob)
Bloguerra (guerra)




