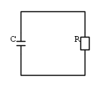
Quando si studiano le equazioni di Maxwell prima o poi tutti quanti ci imbattiamo nel paragrafo:"Le equazioni di Maxwell nel caso non-stazionario", e penso tutti quanti abbiamo letto almeno una volta l'esempio della scarica del condensatore su una resistenza R (come da figura)
E qui ci viene detto come l'equazione

sia in realtà non valida nel caso non-stazionario e in particolare in quel circuito porta ad un evidente contraddizione.
Di qui si introduce la densità di corrente di spostamento

che finalmente risolve il dilemma.
Nota questa nuova grandezza, si risolve allora il problema della scarica del condensatore piano considerato, come fa ad esempio il Mencuccini,Silvestrini:
che con calcoli tutto sommato semplici arriva a concludere che il flusso della corrente di spostamento tra le armature é proprio uguale al flusso della densità di corrente di conduzione all'esterno del condensatore (cioè la corrente vera e propria).
Cioè sia Q_0 è la carica iniziale del condensatore, allora

mentre la corrente di spostamento vale

cioè sono uguali.
Non so se avete la possibilità di reperire questo esempio(pag 287 n°VII.3), ma il Mencuccini comunque non è l'unico a farlo anche il Mazzoldi-Nigro-Voci fa un ragionamento del tutto simile.
Sostanzialmente si ammette che all'esterno del condensatore il campo
sia nullo.A me sembra che questo tipo di esempio sia poco corretto e fuorviante.
Anzi può essere considerato al massimo una dimostrazione per assurdo, che un collegamento simile (nel caso di condensatore davvero piano, cioè infinito e bla bla) non possa essere realizzato.
Tutt'al più può essere realizzato solo un collegamento interno (come effettivamente dovrebbe essere se le armature fossero infinite).
Il perché della mia contestazione ha molte ragioni alcune delle quali non semplici da scrivere. Ma voglio illustrarne alcune:
*il campo elettrico
all'esterno del condensatore è nullo:già questo è impossibile, mi spiego. Nel caso di condensatore piano il campo E è effettivamente nullo, ma non è possibile collegare le armature dall'esterno (impossibile aggirarle se sono infinite), ma supponiamo per assurdo di riuscire a collegarle, la tesi cui si giunge è che in tal caso si avrebbe una scarica sulla resistenza R, ma questa è un evidente contraddizione: ai capi della resistenza dovrebbe esserci una ddp, cioè il campo E dovrebbe aver compiuto lavoro, ma non può se è nullo ovunque fuori.
Il campo all'esterno è quindi non nullo(in particolare nel conduttore) quindi anche all'interno del conduttore deve esserci una corrente di spostamento.
Quanto scritto fin qui per quanto riguarda il caso ideale (condensatore infinito)
Nel caso più reale di condensatore piano ma di dimensioni finite, la situazione è più complessa e come sappiamo il campo elettrico è effettivamente non nullo all'esterno, tuttavia in questo caso non possiamo certamente dire con esattezza quanto valga la corrente di spostamento all'interno o all'esterno del condensatore: non possiamo sapere a priori la superficie da scegliere per calcolare i benedetti flussi.
Mi piacerebbe approfondire con voi la questione, se avete domande, se non sono stato chiaro, se volete che completi meglio la mia esposizione, fatemelo pure sapere.

Elettrotecnica e non solo (admin)
Un gatto tra gli elettroni (IsidoroKZ)
Esperienza e simulazioni (g.schgor)
Moleskine di un idraulico (RenzoDF)
Il Blog di ElectroYou (webmaster)
Idee microcontrollate (TardoFreak)
PICcoli grandi PICMicro (Paolino)
Il blog elettrico di carloc (carloc)
DirtEYblooog (dirtydeeds)
Di tutto... un po' (jordan20)
AK47 (lillo)
Esperienze elettroniche (marco438)
Telecomunicazioni musicali (clavicordo)
Automazione ed Elettronica (gustavo)
Direttive per la sicurezza (ErnestoCappelletti)
EYnfo dall'Alaska (mir)
Apriamo il quadro! (attilio)
H7-25 (asdf)
Passione Elettrica (massimob)
Elettroni a spasso (guidob)
Bloguerra (guerra)


