Inverter trifase per motore asincrono AC
Moderatori:
g.schgor,
IsidoroKZ
5 messaggi
• Pagina 1 di 1
0
voti
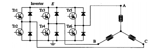
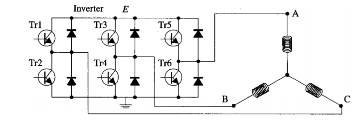
Ciao a tutti. Sono uno studente di ingegneria informatica. Vorrei sapere in via del tutto teorica come invertire il moto di un motore AC trifase mediante un inverter. Cioè guardando l'immagine in allegato quali sono i transistor che devoro condurre e quali invece no??
0
voti
RedFox11 ha scritto:come invertire il moto di un motore AC trifase
Scambiando la sequenza di due delle tre fasi o scambiandone materialmente le connessioni, come al solito.
E' chiaro che il pilotaggio deve avvenire in sequenza, e poi ad onda piena, o parzializzata, o parzializzata a media frequenza, modulata o meno, con o senza sovrapposizione eccetera.
0
voti
EcoTan ha scritto:Scambiando la sequenza di due delle tre fasi o scambiandone materialmente le connessioni, come al solito
il senso di rotazione lo parametrizzi sull'inverter stesso, anche scambiando la terna di alimentazione non inverti il senso di marcia
Ognuno sta solo sul cuor della terra
trafitto da un raggio di sole:
ed è subito sera
Salvatore Quasimodo
trafitto da un raggio di sole:
ed è subito sera
Salvatore Quasimodo
0
voti
Da quello schema non lo si capisce affatto. Il ponte deve sempre modulare, ma la logica deve invertire, su due gambe, la sequenza delle fasi risultanti.
-

CarloCoriolano
1.446 3 4 7 - ---
- Messaggi: 1023
- Iscritto il: 24 mag 2016, 13:08
5 messaggi
• Pagina 1 di 1
Torna a Elettrotecnica generale
Chi c’è in linea
Visitano il forum: Nessuno e 19 ospiti

Elettrotecnica e non solo (admin)
Un gatto tra gli elettroni (IsidoroKZ)
Esperienza e simulazioni (g.schgor)
Moleskine di un idraulico (RenzoDF)
Il Blog di ElectroYou (webmaster)
Idee microcontrollate (TardoFreak)
PICcoli grandi PICMicro (Paolino)
Il blog elettrico di carloc (carloc)
DirtEYblooog (dirtydeeds)
Di tutto... un po' (jordan20)
AK47 (lillo)
Esperienze elettroniche (marco438)
Telecomunicazioni musicali (clavicordo)
Automazione ed Elettronica (gustavo)
Direttive per la sicurezza (ErnestoCappelletti)
EYnfo dall'Alaska (mir)
Apriamo il quadro! (attilio)
H7-25 (asdf)
Passione Elettrica (massimob)
Elettroni a spasso (guidob)
Bloguerra (guerra)


