Cos'è ElectroYou | Login Iscriviti

ElectroYou - la comunità dei professionisti del mondo elettrico

L7805cv per ricaricare cellulari è adeguato?

Elettronica lineare e digitale: didattica ed applicazioni

Moderatori: Foto Utentecarloc, Foto Utenteg.schgor, Foto UtenteBrunoValente, Foto UtenteIsidoroKZ

0
voti

[1] L7805cv per ricaricare cellulari è adeguato?

Messaggioda Foto Utentedanielepower » 27 gen 2017, 14:26

Ciao a tutti, ho promesso ad un mio amico di aiutarlo a costruirsi un carica cellulare portatile solare (nulla di nuovo).
Gli ho fatto ordinare la componentistica, gli ho disegnato un circuito e ora tocca a lui saldare i vari componenti, trovare un contenitore, ecc (insomma la parte pratica, naturalmente sorvegliato da me).

Il progetto consiste in un pannellino che ricarica delle pile AA e successivamente con un L7805cv abbasso la tensione a 5V e possiamo ricaricare utenze tramite USB.

Prima di dare a lui i vari componenti e fargli "eseguire i lavori" tramite una breadboard sto provando l' L7805, ed ho dei risultati pessimi (descritti sotto lo schema) #-o
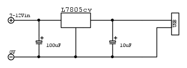
Ho collegato i componenti secondo questo schema:


Ho collegato il mio cellulare alla USB e misurato la corrente assorbita dal telefono, è solamente di 90-110mA(molto bassa). Nei caricatori normali che si acquistano, durante la carica i cellulari assorbono 0.4/0.6A (e nel giro di 1-2 ore si ricaricano).

Ho sbagliato io qualcosa? Ho sbagliato le capacità dei condensatori elettrolitici?


p.s. ho collegato il mio cellulare ad un LM2596 e impostando la tensione a 5V la corrente assorbita era comunque bassa (circa i soliti 100 mA); ho anche provato ad arrivare al limite di 5.3V ottenendo circa 230mA assorbiti (comunque bassi). Penso che bisogna implementare il circuito elettronico del l7805 postato qui sopra ma non ho idea di come fare, chiedo aiuto a voi
grazie O_/
Ultima modifica di Foto Utentedanielepower il 27 gen 2017, 14:56, modificato 3 volte in totale.
Avatar utente
Foto Utentedanielepower
597 4 6
Sostenitore
Sostenitore
 
Messaggi: 515
Iscritto il: 6 dic 2014, 17:58

0
voti

[2] Re: L7805cv per ricaricare cellulari è adeguato?

Messaggioda Foto Utentegammaci » 27 gen 2017, 14:35

Cosa intendi per "risultati pessimi"?
:?:
Da soli conosciamo alcune cose.
In molti ne conosceremo molte di più.
Avatar utente
Foto Utentegammaci
3.838 2 4 7
Master
Master
 
Messaggi: 1040
Iscritto il: 27 feb 2014, 12:20

0
voti

[3] Re: L7805cv per ricaricare cellulari è adeguato?

Messaggioda Foto Utentelucaking » 27 gen 2017, 14:39

Intanto credo sia corretto parlare di A (ampere) di assorbimento e non di Ah (ampere ora).

Stando al datasheet 7V sono la soglia minima per un corretto funzionamento di tale integrato.
Che tensione misuri a valle del regolatore durante la carica?
Avatar utente
Foto Utentelucaking
1.651 4 5 8
Expert
Expert
 
Messaggi: 1445
Iscritto il: 29 mag 2015, 14:28

0
voti

[4] Re: L7805cv per ricaricare cellulari è adeguato?

Messaggioda Foto Utentedanielepower » 27 gen 2017, 14:44

Cosa intendi per "risultati pessimi"?

Quello della corrente, troppo bassa per ricaricare il cellulare in tempi umani

Che tensione misuri a valle del regolatore durante la carica?

4.98V a vuoto, mentre oscilla tra 4.5 e 4.8V durante la carica

Stando al datasheet 7V sono la soglia minima per un corretto funzionamento di tale integrato.

Ho scritto 7V ma ho collegato un alimentatore 12V 13A; ho anche fatto varie prove variando la tensione d'ingresso Vin e da 7V a salire l' L7805 inizia a funzinare correttamente come descritto del datasheet.

Ora correggo il post iniziale, sorry O_/
Avatar utente
Foto Utentedanielepower
597 4 6
Sostenitore
Sostenitore
 
Messaggi: 515
Iscritto il: 6 dic 2014, 17:58

0
voti

[5] Re: L7805cv per ricaricare cellulari è adeguato?

Messaggioda Foto Utentelucaking » 27 gen 2017, 14:57

Boh, l'integrato dovrebbe poterti fornire tutta la corrente necessaria.

danielepower ha scritto: Nei caricatori normali che si acquistano, durante la carica i cellulari assorbono 0.4/0.6A (e nel giro di 1-2 ore si ricaricano).

Hai misurato a che tensione caricano suddetti caricabatterie?

Da ignorante credovo che l' unico modo per far "entrare" piu corrente in una batteria sia aumentare il tensione di carica o ridurre la sua resistenza interna (ma non credo si possa fare :D ).

Detto ciò passo la parola ai più esperti e seguo interessato. O_/
Avatar utente
Foto Utentelucaking
1.651 4 5 8
Expert
Expert
 
Messaggi: 1445
Iscritto il: 29 mag 2015, 14:28

3
voti

[6] Re: L7805cv per ricaricare cellulari è adeguato?

Messaggioda Foto Utentexyz » 27 gen 2017, 14:57

Attento confondi correnti con capacità, le unità di misura sono MOLTO importanti.

Gli integrati 780x sono dei regolatori lineari, sono inefficienti per questo tipo di funzione, una parte dell'energia a disposizione viene dissipata in calore, dipende dalla differenza tra tensione d'ingresso e uscita e dalla corrente assorbita dal carico. Consiglio di non usarli come regolatori per power bank auto costruiti.

Consiglio di usare dei convertitori DC-DC switching come appunto LM2596, stando attenti se supportano la massima corrente assorbita dal carico.

Molti cellulari delle marche più note hanno dei sistemi per individuare il tipo di caricabatterie collegato in base al carico resistivo presente tra i pin D+ e D- della porta USB. Se il telefono non trova il valore atteso di resistenza può non assorbire la massima corrente o non caricarsi (comportamento dei dispositivi Apple).

I dettagli sui valori resistivi delle varie marche:

http://www.epanorama.net/newepa/2010/08 ... r-secrets/
http://www.instructables.com/id/Modify- ... /?ALLSTEPS
http://electronics.stackexchange.com/qu ... numeration
http://jestineyong.com/the-mystery-of-usb-chargers/
Avatar utente
Foto Utentexyz
6.864 2 4 6
G.Master EY
G.Master EY
 
Messaggi: 1778
Iscritto il: 5 dic 2009, 18:37
Località: Italy Turin

0
voti

[7] Re: L7805cv per ricaricare cellulari è adeguato?

Messaggioda Foto Utentedanielepower » 27 gen 2017, 14:59

lucaking ha scritto:Hai misurato a che tensione caricano suddetti caricabatterie?

Certo, alcuni 5.15V altri 5V a vuoto; sotto carica 4.5-4.7V
Avatar utente
Foto Utentedanielepower
597 4 6
Sostenitore
Sostenitore
 
Messaggi: 515
Iscritto il: 6 dic 2014, 17:58

0
voti

[8] Re: L7805cv per ricaricare cellulari è adeguato?

Messaggioda Foto Utentedanielepower » 27 gen 2017, 15:08

xyz ha scritto:Molti cellulari delle marche più note hanno dei sistemi per individuare il tipo di caricabatterie collegato in base al carico resistivo presente tra i pin D+ e D- della porta USB. Se il telefono non trova il valore atteso di resistenza può non assorbire la massima corrente o non caricarsi (comportamento dei dispositivi Apple).

I dettagli sui valori resistivi delle varie marche:

Infatti avevo individuato dei circuiti minuscoli nei connettori. Ecco cosa volevo sapere :D Grazie mille, ora leggo quegli articoli e vedo se riesco a migliorare la situazione.

Altrimenti gli farò utilizzare qualche DC-DC switching tipo XL6009
O_/
Avatar utente
Foto Utentedanielepower
597 4 6
Sostenitore
Sostenitore
 
Messaggi: 515
Iscritto il: 6 dic 2014, 17:58

0
voti

[9] Re: L7805cv per ricaricare cellulari è adeguato?

Messaggioda Foto Utentelucaking » 27 gen 2017, 16:08

xyz ha scritto:Molti cellulari delle marche più note hanno dei sistemi per individuare il tipo di caricabatterie collegato in base al carico resistivo presente tra i pin D+ e D- della porta USB. Se il telefono non trova il valore atteso di resistenza può non assorbire la massima corrente o non caricarsi (comportamento dei dispositivi Apple).

Ecco a cosa serve il resistore tra il pin 2 e 3 dell' USB che vedevo in molti schemi in giro per il web.
E' cosa buona "ingannare" il controllo di carica del telefono?
Avatar utente
Foto Utentelucaking
1.651 4 5 8
Expert
Expert
 
Messaggi: 1445
Iscritto il: 29 mag 2015, 14:28

2
voti

[10] Re: L7805cv per ricaricare cellulari è adeguato?

Messaggioda Foto Utentexyz » 27 gen 2017, 16:51

lucaking ha scritto:
xyz ha scritto:E' cosa buona "ingannare" il controllo di carica del telefono?


E' più che altro una logica commerciale di alcuni produttori, devi usare un determinato caricabatterie altrimenti non funziona anche se è in grado di caricarlo.

Un altro motivo è individuare se si è collegati ad una porta USB del PC o del caricabatterie. La massima corrente fornita dalle porte del PC in molti casi è inferiore a quella richiesta dai dispositivi di ultima generazione. Ultimamente anche in ambito PC le porte USB sono in grado di fornire molta più corrente che in passato.
Avatar utente
Foto Utentexyz
6.864 2 4 6
G.Master EY
G.Master EY
 
Messaggi: 1778
Iscritto il: 5 dic 2009, 18:37
Località: Italy Turin

Prossimo

Torna a Elettronica generale

Chi c’è in linea

Visitano il forum: Majestic-12 [Bot] e 51 ospiti