
Esercizio Thevenin in CC
Moderatori:
g.schgor,
IsidoroKZ
13 messaggi
• Pagina 1 di 2 • 1, 2
0
voti
Salve a tutti, premetto che sono nuovo del forum e ho cercato il più possibile su internet pur di risolvere questo esercizio ma non ci sono riuscito, son due giorni che provo e riprovo ma i miei risultati non coincidono con i risultati che il professore mi fornisce. Grazie anticipatamente a tutti coloro che mi saranno d'aiuto. 

0
voti
Ho dimenticato di precisare alcune cose:
- R8 ho supposto che venga eliminata dato che ci sono due rami di corto circuito a "bypassarla";
- Ho calcolato la I che mi serve per pilotare il Gtcc con una equazione alla maglia delle correnti che interessa gli ultimi due rami a destra ottenendo I=14A e quindi il valore del Gtcc sarebbe 28V.
- Ho semplificato con Millman sempre gli ultimi due rami a destra ottenendo un generatore di Millman avente valore 0V e una resistenza di Millman avente valore 1ohm.
- Conseguentemente all'ultimo passaggio ho considerato R7 in serie con la resistenza di Millman che ho chiamato Rs per semplicità di notazione.
- Ho ulteriormente semplificato il circuito calcolando il parallelo (che chiamo Rp) fra Rs ed R4.
Edit:
Vorrei fare una considerazione:
Staccando il generatore E1-R1, la tensione a vuoto del circuito sarebbe quella vista nel ramo R6-I2, dato che tutti i rami sono in parallelo dopo le semplificazioni di cui sopra, giusto? In questo caso la Vab a vuoto sarebbe di 120V
e non ci siamo con i risultati riportati in figura 
- R8 ho supposto che venga eliminata dato che ci sono due rami di corto circuito a "bypassarla";
- Ho calcolato la I che mi serve per pilotare il Gtcc con una equazione alla maglia delle correnti che interessa gli ultimi due rami a destra ottenendo I=14A e quindi il valore del Gtcc sarebbe 28V.
- Ho semplificato con Millman sempre gli ultimi due rami a destra ottenendo un generatore di Millman avente valore 0V e una resistenza di Millman avente valore 1ohm.
- Conseguentemente all'ultimo passaggio ho considerato R7 in serie con la resistenza di Millman che ho chiamato Rs per semplicità di notazione.
- Ho ulteriormente semplificato il circuito calcolando il parallelo (che chiamo Rp) fra Rs ed R4.
Edit:
Vorrei fare una considerazione:
Staccando il generatore E1-R1, la tensione a vuoto del circuito sarebbe quella vista nel ramo R6-I2, dato che tutti i rami sono in parallelo dopo le semplificazioni di cui sopra, giusto? In questo caso la Vab a vuoto sarebbe di 120V
2
voti
Ciao, premesso che dovresti pubblicare gli schemi in fidocadj, provo per questa volta a darti qualche input...
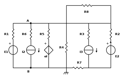
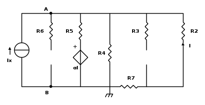
Lo schema proposto è il seguente...
Adesso si procede con la determinazione dei parametri di Thevenin della rete a destra della porta AB.
Tensione a vuoto
Si potrebbe procedere applicando il metodo dei nodi al seguente circuito...
Applicando la LKC ai due nodi indicati, si giunge al seguente sistema...

Il sistema è risolvibile a patto di esprimere la corrente I in funzione delle grandezze incognite, ovvero...

A questo punto è possibile calcolare la tensione a vuoto VAB = V1...
Fosv lascio a te i calcoli
Resistenza equivalente
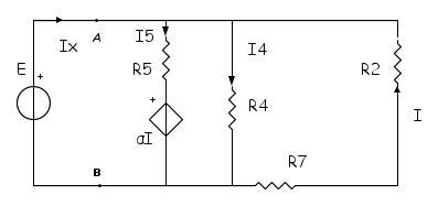
Facendo riferimento al circuito privo di generatori indipendenti...
... la resistenza RAB cercata è pari al rapporto VAB/Ix, ovvero:

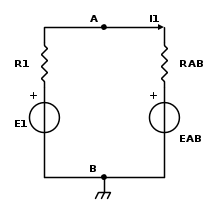
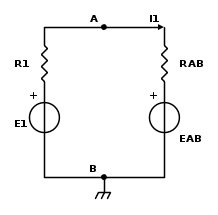
Si perviene al seguente schema semplificato...
Pertanto la potenza generata dal GIT E1 risulta...

Sono piuttosto arruginito, quindi potrei aver tralasciato qualcosa...
Buon lavoro!
edit: dimenticavo... la potenza dissipata da R8 è nulla poiché il bipolo è sottoposto ad una d.d.p. pari a 0 V
Lo schema proposto è il seguente...
Adesso si procede con la determinazione dei parametri di Thevenin della rete a destra della porta AB.
Tensione a vuoto
Si potrebbe procedere applicando il metodo dei nodi al seguente circuito...
Applicando la LKC ai due nodi indicati, si giunge al seguente sistema...

Il sistema è risolvibile a patto di esprimere la corrente I in funzione delle grandezze incognite, ovvero...

A questo punto è possibile calcolare la tensione a vuoto VAB = V1...
Resistenza equivalente
Facendo riferimento al circuito privo di generatori indipendenti...
... la resistenza RAB cercata è pari al rapporto VAB/Ix, ovvero:

Si perviene al seguente schema semplificato...
Pertanto la potenza generata dal GIT E1 risulta...

Sono piuttosto arruginito, quindi potrei aver tralasciato qualcosa...
Buon lavoro!
edit: dimenticavo... la potenza dissipata da R8 è nulla poiché il bipolo è sottoposto ad una d.d.p. pari a 0 V
Emanuele Lorina
- Chi lotta contro i mostri deve fare attenzione a non diventare lui stesso un mostro. E se tu riguarderai a lungo in un abisso, anche l'abisso vorrà guardare dentro di te (F. Nietzsche)
- Tavole della legge by admin
- Chi lotta contro i mostri deve fare attenzione a non diventare lui stesso un mostro. E se tu riguarderai a lungo in un abisso, anche l'abisso vorrà guardare dentro di te (F. Nietzsche)
- Tavole della legge by admin
-

Lele_u_biddrazzu
8.154 3 8 13 - Master EY

- Messaggi: 1288
- Iscritto il: 23 gen 2007, 16:13
- Località: Modena
0
voti
Provo a fare un po' di conti sperando che i risultati coincidano, perché ad una prima occhiata il tuo procedimento sembra molto simile a quello con cui avevo pensato di procedere.
Grazie e scusami per l'inconveniente con Fidocad
Grazie e scusami per l'inconveniente con Fidocad

0
voti
Ho un dubbio sul calcolo della resistenza di Thevenin, in particolare perché nella formula hai sottratto alpha?
Edit:
Non so il motivo ma seguendo alla lettera le tue formule i risultati di Vth e Rth non coincidono con quelli forniti dall'esercizio, per quanto riguarda la potenza erogata e quella generata penso sia ovvio che non coincidano dato che hai considerato il generatore ideale di tensione e non quello reale (con R1 in serie a E1) come chiedeva l'esercizio.
Edit:
Non so il motivo ma seguendo alla lettera le tue formule i risultati di Vth e Rth non coincidono con quelli forniti dall'esercizio, per quanto riguarda la potenza erogata e quella generata penso sia ovvio che non coincidano dato che hai considerato il generatore ideale di tensione e non quello reale (con R1 in serie a E1) come chiedeva l'esercizio.
0
voti
Ho simulato il circuito con LTspice, i risultati coincidono con quelli ricavabili sviluppando i calcoli presenti nel post [3]. Quindi direi che la traccia proposta sia corretta 
Emanuele Lorina
- Chi lotta contro i mostri deve fare attenzione a non diventare lui stesso un mostro. E se tu riguarderai a lungo in un abisso, anche l'abisso vorrà guardare dentro di te (F. Nietzsche)
- Tavole della legge by admin
- Chi lotta contro i mostri deve fare attenzione a non diventare lui stesso un mostro. E se tu riguarderai a lungo in un abisso, anche l'abisso vorrà guardare dentro di te (F. Nietzsche)
- Tavole della legge by admin
-

Lele_u_biddrazzu
8.154 3 8 13 - Master EY

- Messaggi: 1288
- Iscritto il: 23 gen 2007, 16:13
- Località: Modena
0
voti
Fosv ha scritto:Ho un dubbio sul calcolo della resistenza di Thevenin, in particolare perché nella formula hai sottratto alpha?
Hai ragione, andava inserito con il segno +.
Ho già sistemato il post [3]
Emanuele Lorina
- Chi lotta contro i mostri deve fare attenzione a non diventare lui stesso un mostro. E se tu riguarderai a lungo in un abisso, anche l'abisso vorrà guardare dentro di te (F. Nietzsche)
- Tavole della legge by admin
- Chi lotta contro i mostri deve fare attenzione a non diventare lui stesso un mostro. E se tu riguarderai a lungo in un abisso, anche l'abisso vorrà guardare dentro di te (F. Nietzsche)
- Tavole della legge by admin
-

Lele_u_biddrazzu
8.154 3 8 13 - Master EY

- Messaggi: 1288
- Iscritto il: 23 gen 2007, 16:13
- Località: Modena
0
voti
Quindi hai trattato il generatore controllato come se fosse una resistenza considerando alpha come il valore della resistenza stessa quando sei andato a calcolare la resistenza di thevenin o sbaglio?
0
voti
Non riesco a capire inoltre come calcolare la potenza generata e quella erogata, tanto meno la differenza fra le due!! 
2
voti
Fosv ha scritto:Quindi hai trattato il generatore controllato come se fosse una resistenza
No, ha imposto il generatore
ed ha calcolato la
quindi ricavato
Oppure puoi imporre un generatore ideale di tensione e calcolare la corrente che esso eroga


![\begin{array}{l}
{I_x} = \frac{{E\left( {{R_2} + {R_7} + \alpha } \right)}}{{\left( {{R_2} + {R_7}} \right){R_5}}} + \frac{E}{{{R_4}}} + \frac{E}{{{R_2} + {R_7}}} = \\
= E\left[ {\frac{{\left( {{R_2} + {R_7} + \alpha } \right)}}{{\left( {{R_2} + {R_7}} \right){R_5}}} + \frac{1}{{{R_4}}} + \frac{1}{{{R_2} + {R_7}}}} \right] = \\
= E\left[ {\frac{{{R_4}\left( {{R_2} + {R_7} + \alpha } \right) + \left( {{R_2} + {R_7}} \right){R_5} + {R_4}{R_5}}}{{\left( {{R_2} + {R_7}} \right){R_5}{R_4}}}} \right]
\end{array} \begin{array}{l}
{I_x} = \frac{{E\left( {{R_2} + {R_7} + \alpha } \right)}}{{\left( {{R_2} + {R_7}} \right){R_5}}} + \frac{E}{{{R_4}}} + \frac{E}{{{R_2} + {R_7}}} = \\
= E\left[ {\frac{{\left( {{R_2} + {R_7} + \alpha } \right)}}{{\left( {{R_2} + {R_7}} \right){R_5}}} + \frac{1}{{{R_4}}} + \frac{1}{{{R_2} + {R_7}}}} \right] = \\
= E\left[ {\frac{{{R_4}\left( {{R_2} + {R_7} + \alpha } \right) + \left( {{R_2} + {R_7}} \right){R_5} + {R_4}{R_5}}}{{\left( {{R_2} + {R_7}} \right){R_5}{R_4}}}} \right]
\end{array}](/forum/latexrender/pictures/919de662caaf7c07796c1b2f1864c438.png)

13 messaggi
• Pagina 1 di 2 • 1, 2
Torna a Elettrotecnica generale
Chi c’è in linea
Visitano il forum: Nessuno e 85 ospiti

Elettrotecnica e non solo (admin)
Un gatto tra gli elettroni (IsidoroKZ)
Esperienza e simulazioni (g.schgor)
Moleskine di un idraulico (RenzoDF)
Il Blog di ElectroYou (webmaster)
Idee microcontrollate (TardoFreak)
PICcoli grandi PICMicro (Paolino)
Il blog elettrico di carloc (carloc)
DirtEYblooog (dirtydeeds)
Di tutto... un po' (jordan20)
AK47 (lillo)
Esperienze elettroniche (marco438)
Telecomunicazioni musicali (clavicordo)
Automazione ed Elettronica (gustavo)
Direttive per la sicurezza (ErnestoCappelletti)
EYnfo dall'Alaska (mir)
Apriamo il quadro! (attilio)
H7-25 (asdf)
Passione Elettrica (massimob)
Elettroni a spasso (guidob)
Bloguerra (guerra)






