Mettere sottochiave le luci
Moderatore:
Franco012
24 messaggi
• Pagina 1 di 3 • 1, 2, 3
1
voti
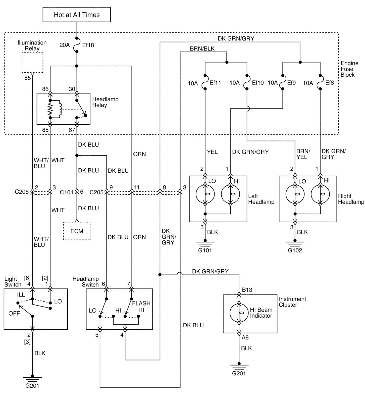
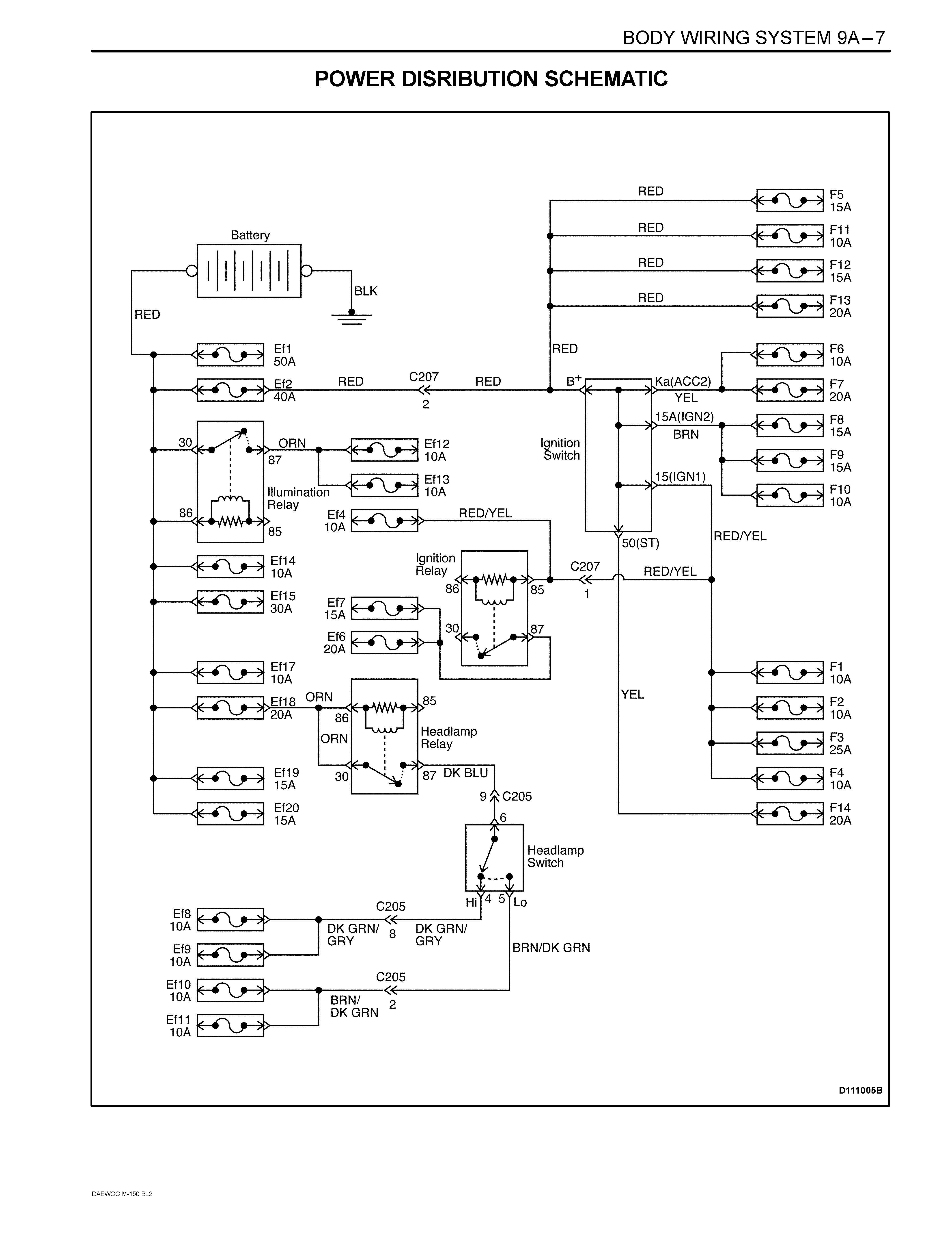
Visto che la mia ragazza le lascia sempre accese e che il cicalino è un paliativo, volevo mettere le luci sottochiave, ho scaricato questo schema da internet (http://www.adriatic-company.it/matizclub/tecnica/manualeII/M39a%20Body%20Wiring%20System.pdf) che dovrebbe corrispondere alla matiz, mi sapete consigliare la procedura più semplice per mettere sottochiave tutte le luci che arrivano alla leva sul volate, tks
0
voti
Premetto che dallo schema che ahi postato ho capito poco.Comunque da quello che ho capito bene sulla tua Matiz hai il pulsante generale delle luci a lato volante sul cruscotto.Io mi muoverei così:Ti procuri un relè,dopo di che intercetti il filo positivo che che alimenta il selettore delle luci(lo trovi perché li c'è sempre tensione anche a quadro spento),tagli il filo e lo colleghi in questo la parte che va al selettore la colleghi al pin 87 l altra al pin 30.Poi devi prendere dal blocchetto d accensione un positivo detto sotto chiave(ovvero che ci sia solo a quadro ACCESO),applichi a suddetto filo un ruba corrente da esso ti colleghi al pin 86,ora non ti resta che collegare il pin 85 a massa.Ora una volta spento il quadro il relè non è più alimentato il selettore neppure e di conseguenza le luci si spengono.Spero di essere stato chiaro. 

0
voti
anche a me lo schema non è per niente chiaro e non riesco a capire dove prendere i cavi che vanno dalla leva sul cruscotto, in particolare quello delle luci di posizione, infatti a prima vista pensavo ad una procedura più semplice ovvero credevo che bastasse scambiare, operando direttamente dalla scatola dei fusibi, ef18 e l'ef7 che dovrebbe essere già sottochiave. C'è però una differenza sul fusibile uno usciva a 15 l'altro a 20 A, non so se basta maggiorare il fusibile sull'ef7 per risolvere o se questo crea problemi, in ogni caso mi rimangono sempre accese le luci di posizione che non riesco a capire dove stanno. Poi c'è un modulo drl che cercando su internet dovrebbe essere il selettore automatico diurno e notturno, se così fosse non dovrebbe essere un problema perché non è installato. Ora non so se la mia interpretazione è corretta , qualcuno mi sa chiarire se scambiare i cavi sui due fusibili ha delle controindicazioni e dove sono le luci di posizione nello schema elettrico? Tks
0
voti
Ok mi sono studiato lo schema e credo di avere capito.In basso a sinistra il componente di nome "light switch" se segui lo schema vedrai che fornisce il negativo al relè delle luci esce dal il pin 1 del selettore e va al pin 85 del relè in modo da alimentarlo e far accendere le luci.Ora hai 2 possibilità,la prima è quella di interrompere questo filo con il relè come ti ho spiegato nel primo post(in sostanza rileggi tutto al posto di positivo fai conto che abbia scritto negativo).
Oppure puoi interrompere il negativo a monte del selettore,come sei più comodo.Spero do essere stato chiaro altrimenti chiedi pure ciao.
Oppure puoi interrompere il negativo a monte del selettore,come sei più comodo.Spero do essere stato chiaro altrimenti chiedi pure ciao.
0
voti
Grazie, non mi è molto chiaro dove siano collocati e realizzati i vari componenti, quando mi lasceranno l'auto per un po' vedrò di capirlo, ma una volta identificato il positivo sottochiave devo aggiungere per forza un altro relè? ho un dubbio su come sia fatto l' "illuminatin relè"? presuppongo che non si possa mettere direttamente sottochiave,esatto? In questo caso non farei prima a sostirlo con un altro relè?
0
voti
mi pare di aver letto che modificare l'impianto elettrico di un'auto ne pregiudichi l'omologazione
io eviterei, soprattutto il fai da te...
io eviterei, soprattutto il fai da te...
Almeno l'itagliano sallo...
0
voti
Ma se ad esempio cambio un relè , diciamo perché difettoso di progetto e mi si brucia lasciandomi al buio di notte su una strada stretta e senza strisce bianche, e ne metto uno, che può salvarmi la vita semplicemente perché i fari funzionano come si deve?
Voglio vedere il giudice che possa dar torto a questa interpretazione
Naturalmente, se non lo si sà fare bisogna farlo fare a chi ne è capace, ovvio.
Non sei d'accordo?
Da soli conosciamo alcune cose.
In molti ne conosceremo molte di più.
In molti ne conosceremo molte di più.
0
voti
bhò anche se monto un autoradio senza i cabalaggi standard, o un sensore di parcheggio allora sarei fuorilegge, insomma va bene tutto ma mi pare un po' un eccesso di prudenza, poi alla fine si sta discutendo sul mettere sottochiave delle luci, mica di fare chissà che modifica
0
voti
misterita ha scritto:Grazie, non mi è molto chiaro dove siano collocati e realizzati i vari componenti, quando mi lasceranno l'auto per un po' vedrò di capirlo, ma una volta identificato il positivo sottochiave devo aggiungere per forza un altro relè? ho un dubbio su come sia fatto l' "illuminatin relè"? presuppongo che non si possa mettere direttamente sottochiave,esatto? In questo caso non farei prima a sostirlo con un altro relè?
No non puoi metterlo direttamente sotto chiave ti vuole per forza il relè perché è lui che di fetta una volta comandato interrompe o meno il positivo.Sostituirlo con un altro relè è inutile non cambierebbe nulla.
Che io sappia è vietato modificare le luci come dice Gammaci.
24 messaggi
• Pagina 1 di 3 • 1, 2, 3
Torna a Autovetture, motori endotermici ed elettronica relativa
Chi c’è in linea
Visitano il forum: Nessuno e 24 ospiti

Elettrotecnica e non solo (admin)
Un gatto tra gli elettroni (IsidoroKZ)
Esperienza e simulazioni (g.schgor)
Moleskine di un idraulico (RenzoDF)
Il Blog di ElectroYou (webmaster)
Idee microcontrollate (TardoFreak)
PICcoli grandi PICMicro (Paolino)
Il blog elettrico di carloc (carloc)
DirtEYblooog (dirtydeeds)
Di tutto... un po' (jordan20)
AK47 (lillo)
Esperienze elettroniche (marco438)
Telecomunicazioni musicali (clavicordo)
Automazione ed Elettronica (gustavo)
Direttive per la sicurezza (ErnestoCappelletti)
EYnfo dall'Alaska (mir)
Apriamo il quadro! (attilio)
H7-25 (asdf)
Passione Elettrica (massimob)
Elettroni a spasso (guidob)
Bloguerra (guerra)






